User Tag List

Страница 14 из 48 ПерваяПервая ... 101112131415161718 ... ПоследняяПоследняя
Показано с 131 по 140 из 476

Тема: Эмулятор AY-8910 на ATMega

  1. #131

    Регистрация
    11.02.2005
    Адрес
    Москва
    Сообщений
    3,789
    Спасибо Благодарностей отдано 
    0
    Спасибо Благодарностей получено 
    4
    Поблагодарили
    4 сообщений
    Mentioned
    0 Post(s)
    Tagged
    0 Thread(s)

    По умолчанию

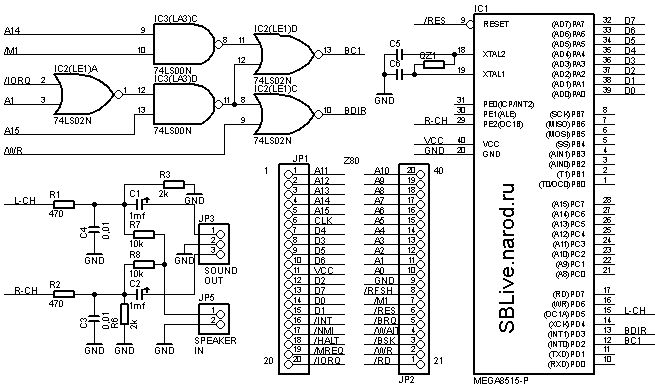
    Цитата Сообщение от ALKO Посмотреть сообщение
    Подскажите пожалуйста,как зацепить это устройство на Z80
    В аттаче схемка для варианта без дополнительной логики .
    Миниатюры Миниатюры Нажмите на изображение для увеличения. 

Название:	AY-BOARD-ATMega8515.gif 
Просмотров:	960 
Размер:	11.5 Кб 
ID:	16450  
    Спек128 - испанская выдумка, навязанная Сэру Клайву. © Shaos
    REAL HARDWARE MUST LIVE ! - http://SBLive.narod.ru/ZX-Spectrum/

  2. #132

    Регистрация
    05.08.2008
    Адрес
    Магнитогорск
    Сообщений
    988
    Спасибо Благодарностей отдано 
    25
    Спасибо Благодарностей получено 
    95
    Поблагодарили
    45 сообщений
    Mentioned
    5 Post(s)
    Tagged
    0 Thread(s)

    По умолчанию

    Цитата Сообщение от newart Посмотреть сообщение
    Эквалайзеры не использую. Речь именно про первые 3 паттерна. Вот тестовый фрагмент, попробуй его оцифровать и сравним с WAV из AY Emul'a.
    хм.. мой тестовый плэйер неподдерживает pt3
    Здесь можно скачать актуальные версии Virtual Vector (VV)

  3. #133

    Регистрация
    19.01.2005
    Адрес
    Санкт-Петербург
    Сообщений
    11,551
    Спасибо Благодарностей отдано 
    205
    Спасибо Благодарностей получено 
    188
    Поблагодарили
    83 сообщений
    Mentioned
    5 Post(s)
    Tagged
    0 Thread(s)

    По умолчанию

    Цитата Сообщение от Ramiros Посмотреть сообщение
    хм.. мой тестовый плэйер неподдерживает pt3
    PSG тоже?

  4. #134

    Регистрация
    05.08.2008
    Адрес
    Магнитогорск
    Сообщений
    988
    Спасибо Благодарностей отдано 
    25
    Спасибо Благодарностей получено 
    95
    Поблагодарили
    45 сообщений
    Mentioned
    5 Post(s)
    Tagged
    0 Thread(s)

    По умолчанию

    Цитата Сообщение от newart Посмотреть сообщение
    PSG тоже?
    Ну AY_Player поддерживает только мой собственный формат *.AYR который создает только мой эмуль Virtual Vector. Формат очень простой и удобный в отличии от всех других. Я сначало хотел сделать что то из стандартного типа, но ничего непонравилось, все как то через ж..пу...
    Надо конечно сделать поддержку какого нибуть незамудренного стандартного формата, но до этого руки недошли еще
    Здесь можно скачать актуальные версии Virtual Vector (VV)

  5. #135

    Регистрация
    19.01.2005
    Адрес
    Санкт-Петербург
    Сообщений
    11,551
    Спасибо Благодарностей отдано 
    205
    Спасибо Благодарностей получено 
    188
    Поблагодарили
    83 сообщений
    Mentioned
    5 Post(s)
    Tagged
    0 Thread(s)

    По умолчанию

    Цитата Сообщение от Ramiros Посмотреть сообщение
    Надо конечно сделать поддержку какого нибуть незамудренного стандартного формата, но до этого руки недошли еще
    AY Fly.dll понимает большинство популярных форматов.
    Сделать на ее основе конвертор в дамп регистров дело 10 минут.
    Могу дать такой исходник на PureBasic.

  6. #136

    Регистрация
    05.08.2008
    Адрес
    Магнитогорск
    Сообщений
    988
    Спасибо Благодарностей отдано 
    25
    Спасибо Благодарностей получено 
    95
    Поблагодарили
    45 сообщений
    Mentioned
    5 Post(s)
    Tagged
    0 Thread(s)

    По умолчанию

    Цитата Сообщение от newart Посмотреть сообщение
    AY Fly.dll понимает большинство популярных форматов.
    Сделать на ее основе конвертор в дамп регистров дело 10 минут.
    Могу дать такой исходник на PureBasic.
    В любом случае было бы интересно поглядеть
    Здесь можно скачать актуальные версии Virtual Vector (VV)

  7. #136
    С любовью к вам, Yandex.Direct
    Размещение рекламы на форуме способствует его дальнейшему развитию

  8. #137

    Регистрация
    24.01.2009
    Адрес
    Камышин
    Сообщений
    1,407
    Спасибо Благодарностей отдано 
    130
    Спасибо Благодарностей получено 
    10
    Поблагодарили
    7 сообщений
    Mentioned
    0 Post(s)
    Tagged
    0 Thread(s)

    Exclamation

    Цитата Сообщение от ALKO Посмотреть сообщение
    Подскажите пожалуйста,как зацепить это устройство на Z80

    я в аюшках не разбираюсь ни враспиновке,ни в програмном управлении (пищалок шумов и уровня сигнала).
    ALKO, ты читать умеешь? Или лень хотя бы 5 последних листов топика почитать? Вот здесь "для особо одаренных и слепых" разработчик написал:
    Цитата Сообщение от Ramiros Посмотреть сообщение
    Новая версия AY_Emul на сайте!
    Нарисовал печатку для Mega16/32.
    Ссылка на сайт автора - в начале темы! Не тормози SNIСKERS'ни!!!
    Speccy-2007 + 48k(пока) + TR-DOS + ZX-VGA
    KAY-1024 v2010/SDCard HxC Floppy Emulator/Epson SD-700/ZX-VGA/.....

  9. #138

    Регистрация
    11.02.2005
    Адрес
    Москва
    Сообщений
    3,789
    Спасибо Благодарностей отдано 
    0
    Спасибо Благодарностей получено 
    4
    Поблагодарили
    4 сообщений
    Mentioned
    0 Post(s)
    Tagged
    0 Thread(s)

    По умолчанию

    На сколько имею представление , у него ATMega8515 .
    Спек128 - испанская выдумка, навязанная Сэру Клайву. © Shaos
    REAL HARDWARE MUST LIVE ! - http://SBLive.narod.ru/ZX-Spectrum/

  10. #139

    Регистрация
    11.02.2005
    Адрес
    Москва
    Сообщений
    3,789
    Спасибо Благодарностей отдано 
    0
    Спасибо Благодарностей получено 
    4
    Поблагодарили
    4 сообщений
    Mentioned
    0 Post(s)
    Tagged
    0 Thread(s)

    По умолчанию

    Довыдумывал вариант платки адаптера под лут для ATMega8515 (вариант без дополнительной логики).
    http://sblive.narod.ru/ZX-Spectrum/A...PTERforLUT.htm (внизу)

    Под контроллер лезет только "одноэтажный" кварц , длинные кварцы лепятся в виде выкидыша или как больше нравится . Блокировочные кондюки лепятся вторым этажом .

    Конструкция припаивается поверх проца .
    Миниатюры Миниатюры Нажмите на изображение для увеличения. 

Название:	AY-ATMega8515-Mont.gif 
Просмотров:	501 
Размер:	16.7 Кб 
ID:	16454  
    Последний раз редактировалось fan; 05.03.2010 в 14:40.
    Спек128 - испанская выдумка, навязанная Сэру Клайву. © Shaos
    REAL HARDWARE MUST LIVE ! - http://SBLive.narod.ru/ZX-Spectrum/

  11. #140

    Регистрация
    19.01.2005
    Адрес
    Санкт-Петербург
    Сообщений
    11,551
    Спасибо Благодарностей отдано 
    205
    Спасибо Благодарностей получено 
    188
    Поблагодарили
    83 сообщений
    Mentioned
    5 Post(s)
    Tagged
    0 Thread(s)

    По умолчанию

    Цитата Сообщение от Ramiros Посмотреть сообщение
    В любом случае было бы интересно поглядеть
    Вот
    Вложения Вложения

Страница 14 из 48 ПерваяПервая ... 101112131415161718 ... ПоследняяПоследняя

Информация о теме

Пользователи, просматривающие эту тему

Эту тему просматривают: 29 (пользователей: 0 , гостей: 29)

Похожие темы

  1. Подключение AY-3-8910
    от Zloy в разделе Звук
    Ответов: 40
    Последнее: 21.01.2011, 12:20
  2. КПЛЮ AY 8912(8910) в харькове!
    от nickpush в разделе Барахолка (архив)
    Ответов: 74
    Последнее: 12.07.2009, 21:08
  3. Продам AY-3-8910
    от crolicasm в разделе Барахолка (архив)
    Ответов: 9
    Последнее: 17.03.2009, 15:25
  4. AY-3-8910(8912) и ВГ93
    от ALEXEY.GORDEEV в разделе Барахолка (архив)
    Ответов: 1
    Последнее: 02.12.2007, 09:21
  5. О портах AY-3-8910...
    от ILoveSpeccy в разделе Звук
    Ответов: 2
    Последнее: 02.07.2007, 15:02

Ваши права

  • Вы не можете создавать новые темы
  • Вы не можете отвечать в темах
  • Вы не можете прикреплять вложения
  • Вы не можете редактировать свои сообщения
  •