Важная информация

User Tag List

Страница 9 из 49 ПерваяПервая ... 5678910111213 ... ПоследняяПоследняя
Показано с 81 по 90 из 488

Тема: Эмулятор AY-8910 на ATMega

  1. #81

    Регистрация
    11.02.2005
    Адрес
    Москва
    Сообщений
    3,789
    Спасибо Благодарностей отдано 
    0
    Спасибо Благодарностей получено 
    4
    Поблагодарили
    4 сообщений
    Mentioned
    0 Post(s)
    Tagged
    0 Thread(s)

    По умолчанию

    .
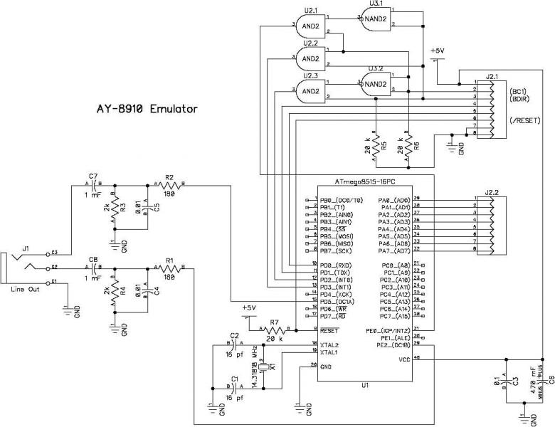
    Миниатюры Миниатюры Нажмите на изображение для увеличения. 

Название:	AYMega8515v23.jpg 
Просмотров:	1348 
Размер:	57.5 Кб 
ID:	15142  
    Спек128 - испанская выдумка, навязанная Сэру Клайву. © Shaos
    REAL HARDWARE MUST LIVE ! - http://SBLive.narod.ru/ZX-Spectrum/

  2. #82

    Регистрация
    25.09.2009
    Адрес
    Одесса
    Сообщений
    2,312
    Спасибо Благодарностей отдано 
    96
    Спасибо Благодарностей получено 
    187
    Поблагодарили
    90 сообщений
    Mentioned
    4 Post(s)
    Tagged
    0 Thread(s)

    По умолчанию

    Прошивается через LPT ?

    ---------- Post added at 16:30 ---------- Previous post was at 15:04 ----------

    Хм,а как насчет конэкта к z80 ?
    Восьми портов немаловато будет?

    ---------- Post added at 16:33 ---------- Previous post was at 16:30 ----------

    кварц обязательный ?
    (тембр мне сойдет и на пол тона ниже)

    ---------- Post added at 16:35 ---------- Previous post was at 16:33 ----------

    ненавижу частоты превышающие 5kHz

  3. #83

    Регистрация
    11.02.2005
    Адрес
    Москва
    Сообщений
    3,789
    Спасибо Благодарностей отдано 
    0
    Спасибо Благодарностей получено 
    4
    Поблагодарили
    4 сообщений
    Mentioned
    0 Post(s)
    Tagged
    0 Thread(s)

    По умолчанию

    Прошить можно по всякому и разным софтом . Вот небольшой ликбез - http://proavr.narod.ru/07.htm
    (Не совсем уверен , но скорей всего вопрос прошивания аналогичного контроллера освещался в темах программатор flash , ZX_Multi_Card ).


    Стандартная схема подключения реального сопра - http://sblive.narod.ru/ZX-Spectrum/A...ADAPTERSCH.gif . Из этой схемы исключаем муз сопр и его аналоговую обвязку , и коннектим к схемеме что я приаттачил в посте #81 .
    J2.2 идёт на шину данных .
    Спек128 - испанская выдумка, навязанная Сэру Клайву. © Shaos
    REAL HARDWARE MUST LIVE ! - http://SBLive.narod.ru/ZX-Spectrum/

  4. #84

    Регистрация
    05.08.2008
    Адрес
    Магнитогорск
    Сообщений
    989
    Спасибо Благодарностей отдано 
    25
    Спасибо Благодарностей получено 
    96
    Поблагодарили
    46 сообщений
    Mentioned
    5 Post(s)
    Tagged
    0 Thread(s)

    По умолчанию

    Цитата Сообщение от ALKO Посмотреть сообщение

    кварц обязательный ?
    (тембр мне сойдет и на пол тона ниже)

    ненавижу частоты превышающие 5kHz
    можно конечно и 8 MHz но тут нужно понимать две вещи:
    1. про последовательный порт (USART) в данном случае можно забыть, если не делать исправления в проекте;
    2. при 14 MHz время реакции на запись/чтение составляет минимум 1 мкс, другими словами сигнал записи/чтения должен быть не короче этого времени, а на 8 MHz это время будет уже около 2 мкс, т.е. быстродействия может быть уже недостаточно.
    Здесь можно скачать актуальные версии Virtual Vector (VV)

  5. #85

    Регистрация
    25.09.2009
    Адрес
    Одесса
    Сообщений
    2,312
    Спасибо Благодарностей отдано 
    96
    Спасибо Благодарностей получено 
    187
    Поблагодарили
    90 сообщений
    Mentioned
    4 Post(s)
    Tagged
    0 Thread(s)

    По умолчанию

    прошиваю я обычно через LPT -> шинный формирователь, так что com-port мне ни к чему.

  6. #86

    Регистрация
    05.08.2008
    Адрес
    Магнитогорск
    Сообщений
    989
    Спасибо Благодарностей отдано 
    25
    Спасибо Благодарностей получено 
    96
    Поблагодарили
    46 сообщений
    Mentioned
    5 Post(s)
    Tagged
    0 Thread(s)

    По умолчанию

    Отличная новость, Algorithm Builder v 5.43 перешел в разряд бесплатных програм, теперь можно неограничиваться 1 килобайтом!
    Здесь можно скачать актуальные версии Virtual Vector (VV)

  7. #87

    Регистрация
    05.08.2008
    Адрес
    Магнитогорск
    Сообщений
    989
    Спасибо Благодарностей отдано 
    25
    Спасибо Благодарностей получено 
    96
    Поблагодарили
    46 сообщений
    Mentioned
    5 Post(s)
    Tagged
    0 Thread(s)

    По умолчанию

    Новая версия AY_Emul на сайте
    Здесь можно скачать актуальные версии Virtual Vector (VV)

  8. #88

    Регистрация
    06.06.2006
    Адрес
    г. Черкассы, Украина
    Сообщений
    5,612
    Спасибо Благодарностей отдано 
    672
    Спасибо Благодарностей получено 
    1,698
    Поблагодарили
    463 сообщений
    Mentioned
    8 Post(s)
    Tagged
    0 Thread(s)

    По умолчанию

    Я правильно понимаю, что Робус почти такую же фигню сделал, только круче?
    Сделал он её давно, а давеча я лично слышал рабочую версию.
    Втыкается оно ВМЕСТО AY, играет как AY один в один, плюс дополнительно:
    1) возможность проигрывания особых звуков на нём
    2) возможность включения и проигрывания мелодий на ДВА AY
    3) возможность загрузки инструментов (там есть память) и проигрывания ЦИФРЫ
    Тема тут
    Последний раз редактировалось Slider; 27.01.2010 в 13:39.
    Ave ZX!

  9. #89

    Регистрация
    14.08.2006
    Адрес
    Владимир
    Сообщений
    4,581
    Спасибо Благодарностей отдано 
    64
    Спасибо Благодарностей получено 
    112
    Поблагодарили
    97 сообщений
    Mentioned
    0 Post(s)
    Tagged
    0 Thread(s)

    По умолчанию

    Цитата Сообщение от Slider Посмотреть сообщение
    Я правильно понимаю, что Робус почти такую же фигню сделал, только круче?
    Было это давно, я давеча слышал рабочую версию.
    Втыкается оно ВМЕСТО AY, играет как AY один в один, плюс дополнительно:
    1) возможность проигрывания особых звуков на нём
    2) возможность включения и проигрывания мелодий на ДВА AY
    3) возможность загрузки инструментов (там есть память) и проигрывания ЦИФРЫ
    Тема тут
    Оба проекта хороши.
    И думаю, оба найдут свою аудиторию, т.к. они все-таки разные.
    Что лично до меня, то между "лишними" микросхемами (нужных для реализации новых возможностей, которые задействовать некому - нет ни музыкантов, ни программистов) и схемной простотой, я всегда выберу схемную простоту и минимум компонентов. В идеале и Мегу - чем меньше, тем лучше.
    Лучше сделать и жалеть, чем не сделать и жалеть.

    Некоторые из моих поделок тут: https://github.com/serge-404

  10. #90

    Регистрация
    06.06.2006
    Адрес
    г. Черкассы, Украина
    Сообщений
    5,612
    Спасибо Благодарностей отдано 
    672
    Спасибо Благодарностей получено 
    1,698
    Поблагодарили
    463 сообщений
    Mentioned
    8 Post(s)
    Tagged
    0 Thread(s)

    По умолчанию

    Согласен.
    Вообще - модеры, перенесите эту тему в ЗВУК!!!
    А по размеру и кол-ву микрух... WildSound будет размером немногим больше AY
    Ave ZX!

Страница 9 из 49 ПерваяПервая ... 5678910111213 ... ПоследняяПоследняя

Информация о теме

Пользователи, просматривающие эту тему

Эту тему просматривают: 1 (пользователей: 0 , гостей: 1)

Похожие темы

  1. Подключение AY-3-8910
    от Zloy в разделе Звук
    Ответов: 40
    Последнее: 21.01.2011, 12:20
  2. КПЛЮ AY 8912(8910) в харькове!
    от nickpush в разделе Барахолка (архив)
    Ответов: 74
    Последнее: 12.07.2009, 21:08
  3. Продам AY-3-8910
    от crolicasm в разделе Барахолка (архив)
    Ответов: 9
    Последнее: 17.03.2009, 15:25
  4. AY-3-8910(8912) и ВГ93
    от ALEXEY.GORDEEV в разделе Барахолка (архив)
    Ответов: 1
    Последнее: 02.12.2007, 09:21
  5. О портах AY-3-8910...
    от ILoveSpeccy в разделе Звук
    Ответов: 2
    Последнее: 02.07.2007, 15:02

Ваши права

  • Вы не можете создавать новые темы
  • Вы не можете отвечать в темах
  • Вы не можете прикреплять вложения
  • Вы не можете редактировать свои сообщения
  •