Важная информация

User Tag List

Страница 1 из 237 12345 ... ПоследняяПоследняя
Показано с 1 по 10 из 2369

Тема: ZXKit1 - плата VGA & PAL

  1. #1

    Регистрация
    11.04.2009
    Адрес
    г. Санкт-Петербург
    Сообщений
    3,603
    Записей в дневнике
    15
    Спасибо Благодарностей отдано 
    19
    Спасибо Благодарностей получено 
    67
    Поблагодарили
    52 сообщений
    Mentioned
    1 Post(s)
    Tagged
    1 Thread(s)

    По умолчанию ZXKit1 - плата VGA & PAL

    Здравствуйте!

    Плата VGA & PAL предназначена для вывода сигнала со Spectrum - совместимого компьютера на монитор и/или телевизор.

    Возобновлен выпуск уменьшенной версии видеоконвертера RGBI-VGA.

    Прошивки и способы подключени такие же как у VGA&PAL. Для уменьшения платы убраны лишние детали. Теперь нельзя подключить к телевизору, только к VGA монитору в режиме скандаблера 50 Hz и 60 Hz с одним видеобуфером.

    Плата имеет несколько режимов работы. Выбор режима осуществляется перемычками.

    Первый режим соответствует развертке 640х480 60 Гц стандартного VGA, но отображается экран Спектрума 256х192 плюс BORDER по краям. Данный режим должен работать на всех мониторах, но на разных мониторах могут быть разные пропорции центральной части экрана.

    Второй режим - синкдаблер. В этом режиме частота кадров на мониторе соответствует частоте кадров со Cпектрума.

    Приобрести конструктор этого и других устройств можно на www.zxkit.ru
    При изготовлении прошивается прошивка V1.02. Вы можете попробовать другие прошивки. Их можно прошить с помощью китайского USB-BLASTERа.

    Для CRT мониторов написана прошивка с частотой кадров 100 Гц.

    Написана прошивка для подключения к компьютерам с другими частотами тактовых импульсов: расширенный режим Профи (12 МГц), Орион (10 МГц).
    Для Специалист (8 МГц) .


    ...
    -----------------------------------------------------------------------------------------------------------------------------
    НАВИГАЦИЯ ПО ТЕМЕ И ДРУГИЕ ССЫЛКИ (последние дополнения/изменения - 190903)

    (190903) Подключение к разным компьютерам/клонам:

    Общие рекомендации - http://zx-pk.ru/showpost.php?p=232575&postcount=573
    Желтый "SCORPION" - http://zx-pk.ru/showpost.php?p=214886&postcount=58
    Зеленый "SCORPION" - http://zx-pk.ru/showpost.php?p=216534&postcount=117
    "ZXM-Phoenix 1024"- http://zx-pk.ru/showpost.php?p=216534&postcount=117
    "SPECCY2007" - http://zx-pk.ru/showpost.php?p=215147&postcount=107
    "ZX-NEXT" - http://zx-pk.ru/showpost.php?p=217541&postcount=138
    "Ленинград" -http://zx-pk.ru/showpost.php?p=244660&postcount=609
    "Pentagon-128" - http://zx-pk.ru/showpost.php?p=222759&postcount=427
    "Pentagon-48" - http://zx-pk.ru/showpost.php?p=227481&postcount=496
    "Профи 5.2" - http://zx-pk.ru/showpost.php?p=262269&postcount=716
    "Профи 4.2" - http://zx-pk.ru/showpost.php?p=329116&postcount=809
    "Робик" - http://zx-pk.ru/showpost.php?p=264419&postcount=723
    "ATM Turbo+" - http://zx-pk.ru/showpost.php?p=315359&postcount=783
    "ATM Turbo 7.10" -http://zx-pk.ru/showpost.php?p=387046&postcount=979
    "Pentagon 1024 SL 2.2" - http://zx-pk.ru/showpost.php?p=338040&postcount=855
    "KAY-1024/SL-4/TURBO v2010" - http://zx-pk.ru/showpost.php?p=358382&postcount=754
    "УКНЦ" - http://zx-pk.ru/threads/10548-zxkit1...l=1#post881629
    "БК-0010" - http://zx-pk.ru/showpost.php?p=380943&postcount=36
    "ORION-128" - http://zx-pk.ru/showpost.php?p=443347&postcount=354, https://zx-pk.ru/threads/10548-zxkit...=1#post1153096
    "СПЕКТР" - http://zx-pk.ru/threads/10548-zxkit1...l=1#post946032
    "СЯБР" (клон "СПЕЦИАЛИСТа", ) - http://zx-pk.ru/threads/10548-zxkit1...l=1#post951865

    (120826) Цоколевка ответной части (на разъеме есть цифра 1 там, где первый вывод):
    1. GND
    2. +5V
    3. R
    4. G
    5. B
    6. I
    7. KSI
    8. SSI
    9. F14MHZ

    (101106) Как припаять ответную часть к плате VGA&PAL: http://zx-pk.ru/showpost.php?p=328801&postcount=802

    (100304) Отзывы о проекте:

    http://zx-pk.ru/showpost.php?p=214865&postcount=51
    http://zx-pk.ru/showpost.php?p=215937&postcount=359
    http://zx-pk.ru/showpost.php?p=225453&postcount=460
    http://zx-pk.ru/showpost.php?p=225779&postcount=475
    http://zx-pk.ru/showpost.php?p=226685&postcount=486
    http://zx-pk.ru/showpost.php?p=228354&postcount=508
    http://zx-pk.ru/showpost.php?p=230542&postcount=558
    http://zx-pk.ru/showpost.php?p=258902&postcount=684


    (100924) Где приобрести:

    www.zxkit.ru


    (111207) Демонстрация работы:

    "SPECCY2007" + LCD Acer V173 (игры и SPECCY2007 с платой VGA) - http://zx-pk.ru/showpost.php?p=214916&postcount=63
    "SPECCY2007" + PAL-кодер+TV через вход Composite Video - http://zx-pk.ru/showpost.php?p=225423&postcount=175
    "SPECCY2007" + широкоформатный LCD 22" BenQ E2200HDA (50 Гц) - http://zx-pk.ru/showpost.php?p=293546&postcount=766
    "ZXM-Phoenix 1024" + LCD LG L1510S (меню 128, игра и круг) - http://zx-pk.ru/showpost.php?p=215941&postcount=363
    "ZXM-Phoenix 1024" + CRT Samsung (100 Гц) - http://zx-pk.ru/showpost.php?p=230542&postcount=558
    Желтый "SCORPION" + LCD Acer V173 (меню 128) - http://zx-pk.ru/showpost.php?p=214875&postcount=54
    Зеленый "SCORPION" и "ZXM-Phoenix 1024" на CRT Samsung - http://zx-pk.ru/showpost.php?p=216764&postcount=132
    "ZX-NEXT" + CRT Samsung - http://zx-pk.ru/showpost.php?p=217541&postcount=138
    "Ленинград" (текст на BASIC) + CRT Samsung - http://zx-pk.ru/showpost.php?p=212730&postcount=122
    "Ленинград" + PAL-кодер+TV-тюнер - http://zx-pk.ru/showpost.php?p=221114&postcount=166
    "Ленинград" + CRT Samsung (собранная плата VGA&PAL и заставка к игре) - http://zx-pk.ru/showpost.php?p=213394&postcount=151
    "Ленинград" + CRT Samsung (круг на 50 Гц) - http://zx-pk.ru/showpost.php?p=214961&postcount=76
    "Ленинград" + широкоформатный LCD 22" BenQ E2200HDA (50 Гц)- http://zx-pk.ru/showpost.php?p=248690&postcount=615
    "Робик" + LCD Flatron L1717S - http://zx-pk.ru/showpost.php?p=257627&postcount=670
    "БК-0010"+ LCD - http://zx-pk.ru/showpost.php?p=380943&postcount=36
    "ORION-128" - http://zx-pk.ru/showpost.php?p=443347&postcount=354


    (090901) Отображение видеоэффектов и игр:

    http://zx-pk.ru/showpost.php?p=215290&postcount=298
    http://zx-pk.ru/showpost.php?p=214978&postcount=81
    http://zx-pk.ru/showpost.php?p=215247&postcount=280



    (091209) Способы крепления платы:

    http://zx-pk.ru/showpost.php?p=230543&postcount=651
    http://zx-pk.ru/showpost.php?p=215951&postcount=367


    (090901) Геометрические искажения на мониторах LCD:

    LG L1510S 60 Гц -http://zx-pk.ru/showpost.php?p=215941&postcount=363
    Acer V173 - http://zx-pk.ru/showpost.php?p=215247&postcount=280
    ACER http://zx-pk.ru/showpost.php?p=215946&postcount=365
    Свойства конструкции: http://zx-pk.ru/showpost.php?p=215832&postcount=343


    (110516) Прошивки ПЛИС: http://zx-pk.ru/showpost.php?p=213835&postcount=165

    (090818) Фотографии собранной платы: http://zx-pk.ru/showpost.php?p=213394&postcount=151

    Назначение платы: http://zx-pk.ru/showpost.php?p=211928&postcount=106

    Входные сигналы и исходные данные проекта: http://zx-pk.ru/showpost.php?p=208575&postcount=13

    Принцип работы: http://zx-pk.ru/showpost.php?p=208407&postcount=7

    Временные диаграммы: http://zx-pk.ru/showpost.php?p=210004&postcount=70

    (091019) Схема и текущие изменения в схеме: http://zx-pk.ru/showpost.php?p=212132&postcount=107

    (090827) О совместимости с дополнительными режимами:

    http://zx-pk.ru/showpost.php?p=212812&postcount=126
    http://zx-pk.ru/showpost.php?p=213835&postcount=165

    Фотография печатных плат: http://zx-pk.ru/showpost.php?p=217235&postcount=133

    (090819) Список элементов для сборки: http://zx-pk.ru/showpost.php?p=213649&postcount=164

    (091018) Монтажные схемы: http://zx-pk.ru/showpost.php?p=213287&postcount=148

    (090826) Описание перемычек: http://zx-pk.ru/showpost.php?p=208702&postcount=21

    (100118) О схеме программатора ПЛИС, программе для прошивки и порядке прошивки (Программирование м/с ПЛИС АLТЕRА в Pentagon1024SL2):
    http://realddp.narod.ru/zx/p1024sl2/...rogramming.htm и
    http://www.altera.ru/cgi-bin/go?35#i2 и
    http://zx-pk.ru/showpost.php?p=212996&postcount=290
    Ссылка на QUARTUS V9.0 -- https://zx-pk.ru/threads/10548-zxkit...=1#post1011246
    Настройка QUARTUS под LINUX -- https://zx-pk.ru/threads/10548-zxkit...=1#post1011515
    (08052019) Прошивка из под Linux https://zx-pk.ru/threads/10548-zxkit...=1#post1011515
    (100218) Какие номиналы резисторов? - http://zx-pk.ru/showpost.php?p=216928&postcount=124

    (101208) Информация для изготовления программатора ByteBlaster MV - http://zx-pk.ru/showthread.php?t=12141

    Настройки параллельного порта в биосе - Parallel Port Address [378], Parallel Port Mode [Normal], Parallel Port IRQ [IRQ7]

    (091008) Тестовые прошивки: http://zx-pk.ru/showpost.php?p=224340&postcount=442
    (110810) http://zx-pk.ru/showpost.php?p=212360&postcount=110

    (090926) Cпособы пайки корпусов TQFP-100:

    zst -
    http://zx-pk.ru/showpost.php?p=213088&postcount=146
    ewgeny7 -http://zx-pk.ru/showpost.php?p=213095&postcount=147
    Segfault - http://zx-pk.ru/showpost.php?p=214925&postcount=66

    (101023) Совместимость платы VGA&PAL с мониторами
    Да. На 60 Гц будут показывать большинство. На 50 Гц - как повезет.
    Список работающих на 50 Гц мониторов есть на сайте NEDOPC: http://www.nedopc.com/zxevo/zxevo_su...d_monitors.pdf
    Программа для тестирования монитора: http://www.nedopc.com/zxevo/tools/zx...t_20100221.rar

    Возобновлен выпуск уменьшенной версии видеоконвертера RGBI-VGA.

    Прошивки и способы подключени такие же как у VGA&PAL. Для уменьшения платы убраны лишние детали. Теперь нельзя подключить к телевизору, только к VGA монитору в режиме скандаблера 50 Hz и 60 Hz с одним видеобуфером.
    Последний раз редактировалось Shadow Maker; 02.09.2024 в 15:45.
    "L-256"

    Эти 6 пользователя(ей) поблагодарили zx-kit за это полезное сообщение:

    crackintosh(30.07.2025), Egal(11.01.2022), emax73(19.09.2023), Evgeny Muchkin(15.10.2020), san010101(02.09.2020), tiretrak(10.07.2020)

  2. #1
    С любовью к вам, Yandex.Direct
    Размещение рекламы на форуме способствует его дальнейшему развитию

  3. #2

    Регистрация
    24.01.2009
    Адрес
    Камышин
    Сообщений
    1,407
    Спасибо Благодарностей отдано 
    130
    Спасибо Благодарностей получено 
    10
    Поблагодарили
    7 сообщений
    Mentioned
    0 Post(s)
    Tagged
    0 Thread(s)

    По умолчанию

    Цитата Сообщение от zst Посмотреть сообщение
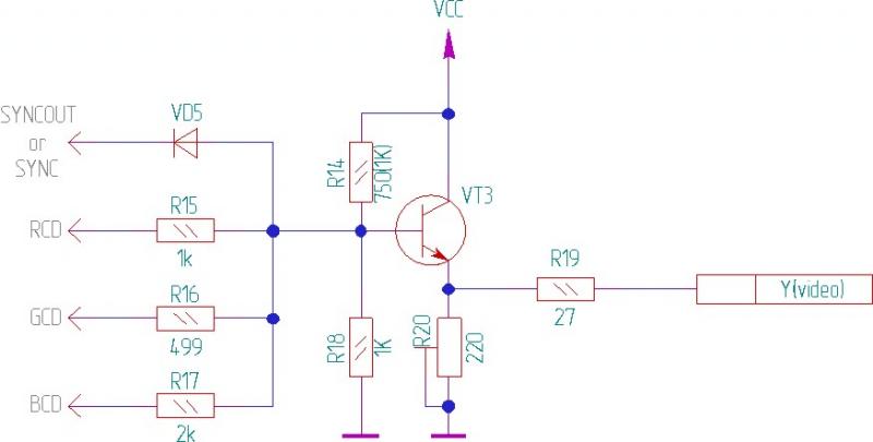
    Требуется уточнить номиналы резисторов для правильного цветовоспроизведения на мониторе и телевизоре через SCART. На резисторы будут подаваться цифровые сигналы с размахом 3.3V.
    Не совсем понял суть вопроса - если имеются в виду номиналы резисторов для получения ПЦТВ сигнала (R+G+B+Sinc(через диод)), то например, R - 1k, G - 499(510), B - 2k. (вложение)
    Миниатюры Миниатюры Нажмите на изображение для увеличения. 

Название:	Рисунок1.jpg 
Просмотров:	7847 
Размер:	22.4 Кб 
ID:	12557  

  4. #3

    Регистрация
    11.04.2009
    Адрес
    г. Санкт-Петербург
    Сообщений
    3,603
    Записей в дневнике
    15
    Спасибо Благодарностей отдано 
    19
    Спасибо Благодарностей получено 
    67
    Поблагодарили
    52 сообщений
    Mentioned
    1 Post(s)
    Tagged
    1 Thread(s)

    По умолчанию

    Цитата Сообщение от Alex_NEMO Посмотреть сообщение
    Не совсем понял суть вопроса - если имеются в виду номиналы резисторов для получения ПЦТВ сигнала (R+G+B+Sinc(через диод)), то например, R - 1k, G - 499(510), B - 2k. (вложение)
    В SPECCY2007 на каждый цвет для SCART по два резистора стоят. Но там микросхемы выдают размах до 5В. Мне нужно на 3.3В. Без диодов...

    ---------- Post added at 01:37 ---------- Previous post was at 01:30 ----------

    Цитата Сообщение от ewgeny7 Посмотреть сообщение
    Так, "атака концепций" началась или уже есть "железный" прообраз?
    Речь об одном из модулей, который нужен мне для превращения Ленинграда в ZXKit.
    Есть схема, разрабатывается плата. Требуется написание прошивки, отладка.
    "L-256"

  5. #4

    Регистрация
    11.03.2008
    Адрес
    Москва
    Сообщений
    225
    Спасибо Благодарностей отдано 
    0
    Спасибо Благодарностей получено 
    0
    Поблагодарили
    0 сообщений
    Mentioned
    0 Post(s)
    Tagged
    0 Thread(s)

    По умолчанию

    Цитата Сообщение от zst Посмотреть сообщение
    В SPECCY2007 на каждый цвет для SCART по два резистора стоят. Но там микросхемы выдают размах до 5В. Мне нужно на 3.3В. Без диодов...
    гы а ты уверен в том што 3 вольта прокачают скарт?
    и к томуже как мне кажется в очередной раз пытаются саму программу заставить стирать белье! или мне только это кажется?

  6. #5

    Регистрация
    11.04.2009
    Адрес
    г. Санкт-Петербург
    Сообщений
    3,603
    Записей в дневнике
    15
    Спасибо Благодарностей отдано 
    19
    Спасибо Благодарностей получено 
    67
    Поблагодарили
    52 сообщений
    Mentioned
    1 Post(s)
    Tagged
    1 Thread(s)

    По умолчанию Рисунок платы VGA & PAL

    Принцип работы удвоителя строк такой.

    В ОЗУ создается два буфера с размером, достаточным для записи одной строки кодов цвета. В один пишутся коды цвета со Спектрума с частотой телевизора по фронтам тактовых импульсов частотой 7МГц. Из другого буфера считывается предыдущая строка по фронтам импульсов частотой 14МГц. За время одной строки телевизора выводится две строки на монитор. Когда одна строка обработана, буферы меняются местами.

    Строчные и кадровые синхроимпульсы обнуляют счетчики адресов для записи и чтения в/из ОЗУ. Для режима 60 Гц кадровый синхроимпульс обнуляет только счетчик записи, счетчик чтения работает автономно.

    Из сигналов счетчиков формируются также синхроимпульсы для VGA и PAL.

    Для режима 60 Гц придется записывать в буфер целый кадр.

    -----------------------------------------------------------------------------------------------------------------------------

    Цитата Сообщение от that inside Посмотреть сообщение
    гы а ты уверен в том што 3 вольта прокачают скарт?
    На вход SCART и VGA сигнал должен подаваться с размахом 0.7В. На входе стоят резисторы по 75 Ом. Ток будет около 9 мА.

    На вход PAL-кодера сигнал должен подаваться с размахом 1В. Выходное сопротивление схемы должно быть маленьким. Можно взять 100 Ом на землю.

    Необходимо узнать, какого уровня должны быть сигналы RGB на разъеме VGA/SCART и на входах PAL-кодера при BRIGHT=0 и BRIGHT=1.

    Также нужно уточнить амплитуды сигналов кадровой и строчной синхронизации на разъеме VGA/SCART для того, чтобы вместо кабеля на VGA монитор можно было подключать переходник на SCART. Режим должен переключаться перемычкой или тумблером. При этом вместо одного из синхроимпульсов VGA должна подаваться синхросмесь как на PAL - кодер. Вместо другого - сигнал перевода телевизора в режим RGB. Также нужно расчитать резисторы для этих сигналов. Пока поставил примерные значения.

    и к томуже как мне кажется в очередной раз пытаются саму программу заставить стирать белье! или мне только это кажется?
    Сигналы цвета и синхроимпульсы будет обрабатывать ПЛИС с помощью ОЗУ.
    Вложения Вложения
    Последний раз редактировалось zx-kit; 15.08.2009 в 07:40.
    "L-256"

  7. #6

    Регистрация
    11.03.2008
    Адрес
    Москва
    Сообщений
    225
    Спасибо Благодарностей отдано 
    0
    Спасибо Благодарностей получено 
    0
    Поблагодарили
    0 сообщений
    Mentioned
    0 Post(s)
    Tagged
    0 Thread(s)

    По умолчанию

    в твоем случае можно напрямую воткнуть сигналы цвета и синхры в SVGA монитор и увидеть картинку но истественно она будет немного не та ну дак для этого и надо мутить сигнал
    а вот што канкретно со скартом и прочем ты хочеш я так и не понел
    http://www.cvs.com.ru/tp/scart.htm
    http://pinouts.ru/Video/VGA15.shtml

  8. #7

    Регистрация
    11.04.2009
    Адрес
    г. Санкт-Петербург
    Сообщений
    3,603
    Записей в дневнике
    15
    Спасибо Благодарностей отдано 
    19
    Спасибо Благодарностей получено 
    67
    Поблагодарили
    52 сообщений
    Mentioned
    1 Post(s)
    Tagged
    1 Thread(s)

    По умолчанию

    Цитата Сообщение от that inside Посмотреть сообщение
    в твоем случае можно напрямую воткнуть сигналы цвета и синхры в SVGA монитор и увидеть картинку но истественно она будет немного не та ну дак для этого и надо мутить сигнал
    а вот што канкретно со скартом и прочем ты хочеш я так и не понел
    http://www.cvs.com.ru/tp/scart.htm
    http://pinouts.ru/Video/VGA15.shtml
    Можно конечно включить, посмотреть, по результатам поменять сопротивления и т.д. для моего экземпляра монитора/телевизора. Мне то нужно знать точное напряжение каждого канала цвета при обычной яркости и повышенной. Наверно это будет не максимальное значение (0.7 В). Можно конечно рассчитать, какие они в SPECCY2007, но тут появятся дополнительные ошибки...

    Идея такая. Так как на VGA и SCART надо подавать сигналы RGB, входы у телевизора и монитора имеют одинаковое сопротивление (75 Ом) и максимальный размах у них одинаковый (0.7 В), то можно разъем VGA при необходимости использовать для подключения к SCART телевизора через переходник к стандартному шнуру SCART-SCART.

    С сигналами цвета понятно - они одинаковые. На VGA нужно подавать раздельно строчные и кадровые синхроимпульсы. Входное сопротивление этих входов и размах я не знаю. Для SCART нужно подать синхросмесь из строчных и кадровых синхроимпульсов и сигнал включения телевизора в режим RGB. На последний нужно подать 1-3В. А размах синхросмеси я не знаю. Если получится совместить эти сигналы по уровням, то можно будет переключать на разъем VGA сигналы для монитора и телевизора с помощью тумблера. Но сначала надо согласовать это все по уровню...

    Так, видеовход (20 выв. SCART) имеет размах 1 В и входное сопротивление 75 Ом. Тогда можно попробовать подать туда синхросмесь размахом 1 В. Будет ли работать монитор с такими синхроимпульсами? Хотя, если у него на входе сопротивление больше 75 Ом, то и сигнал будет больше, до 3.3 В.

    Нужно знать точно значение напряжений RGB, синхроимпульсов и их входное сопротивление. Специалисты, подскажите...

    Если все получится, то плату можно будет использовать как универсальный видеовыход со Спектрума...

    ewgeny7, DDp, ...
    Давайте вместе напишем прошивку для ПЛИС...
    Последний раз редактировалось zx-kit; 17.07.2009 в 15:16.
    "L-256"

  9. #8

    Регистрация
    24.06.2005
    Адрес
    Лысьва
    Сообщений
    1,205
    Спасибо Благодарностей отдано 
    5
    Спасибо Благодарностей получено 
    5
    Поблагодарили
    4 сообщений
    Mentioned
    0 Post(s)
    Tagged
    0 Thread(s)

    По умолчанию

    Про шину zxbus2 забыл что ли?

  10. #9

    Регистрация
    11.04.2009
    Адрес
    г. Санкт-Петербург
    Сообщений
    3,603
    Записей в дневнике
    15
    Спасибо Благодарностей отдано 
    19
    Спасибо Благодарностей получено 
    67
    Поблагодарили
    52 сообщений
    Mentioned
    1 Post(s)
    Tagged
    1 Thread(s)

    По умолчанию

    Цитата Сообщение от skyther Посмотреть сообщение
    Про шину zxbus2 забыл что ли?
    Работаю над изготовлением материнской платы с шиной ZX-BUS2. Рисунок платы привел в той теме. Материнскую плату с ZX-BUS2, наверно, можно будет использовать как разветвитель для шины ZX-BUS, если не хватает слотов. Там была концепция - здесь разработка железа...

    Затем подключу к Ленинграду плату VGA & PAL, подпаяю Ленинград к материнской плате и т.д. Это есть реализация "ZXKit1 - конструктор для ZX-творчества".
    Последний раз редактировалось zx-kit; 17.07.2009 в 15:17.
    "L-256"

  11. #10

    Регистрация
    15.02.2005
    Адрес
    г. Днепропетровск, Украина
    Сообщений
    166
    Спасибо Благодарностей отдано 
    2
    Спасибо Благодарностей получено 
    3
    Поблагодарили
    3 сообщений
    Mentioned
    0 Post(s)
    Tagged
    0 Thread(s)

    По умолчанию

    Вот есть дока по реализации VGA на ПЛИС в ZX Badaloc, есть примеры на ABEL и VHDL. Правда там чутка другой принцип, используется отдельная м/с для видеоОЗУ из которой данные и выводятся уже на VGA

    zxvga.rar
    Ленинград-2 + 256кБ + BDI (FDD Teac 5.25 + 3.5) + YM2149 + PS/2 Keyb(Caro)
    Ленинград-2 + 1MБ (Kay1024 Standart) + BDI (FDD Teac 3.5) + AY8912 + PS/2 Keyb(Caro)
    Pentagon 128кБ (в процессе восстановления)

    Этот пользователь поблагодарил Spir0 за это полезное сообщение:

    USERHOME(19.09.2023)

Страница 1 из 237 12345 ... ПоследняяПоследняя

Информация о теме

Пользователи, просматривающие эту тему

Эту тему просматривают: 1 (пользователей: 0 , гостей: 1)

Похожие темы

  1. ZXKit1 - конструктор для ZX-творчества
    от zx-kit в разделе ZX Концепции
    Ответов: 449
    Последнее: 07.01.2020, 15:42
  2. Что это за плата?
    от Sergei Frolov в разделе Несортированное железо
    Ответов: 3
    Последнее: 05.07.2009, 16:49
  3. От чего эта плата?
    от Nikita в разделе Несортированное железо
    Ответов: 8
    Последнее: 26.12.2008, 23:49
  4. Подскажите что за плата это ?
    от Mad Killer/PG в разделе Несортированное железо
    Ответов: 2
    Последнее: 18.12.2008, 00:50
  5. Что это за плата кто знает ?
    от sinchuk в разделе Несортированное железо
    Ответов: 14
    Последнее: 30.11.2008, 17:29

Ваши права

  • Вы не можете создавать новые темы
  • Вы не можете отвечать в темах
  • Вы не можете прикреплять вложения
  • Вы не можете редактировать свои сообщения
  •