User Tag List

Страница 1 из 2 12 ПоследняяПоследняя
Показано с 1 по 10 из 17

Тема: схемку бы, 64-х клавишную для муз. клавы

Комбинированный просмотр

Предыдущее сообщение Предыдущее сообщение   Следующее сообщение Следующее сообщение
  1. #1

    Регистрация
    19.01.2005
    Адрес
    Санкт-Петербург
    Сообщений
    11,571
    Спасибо Благодарностей отдано 
    207
    Спасибо Благодарностей получено 
    188
    Поблагодарили
    83 сообщений
    Mentioned
    5 Post(s)
    Tagged
    0 Thread(s)

    Smile схемку бы, 64-х клавишную для муз. клавы

    Добыл на днях такой девайсик



    ...49 клавиш + управляющие кнопки, то есть за место спековской клавы уже не подключить.

    Подскажите максимально простую (по количеству микросхем) схемку для контроля 64 клавиш (8x8 рядов), так что бы можно было нажимать одновременно любые 3-4 клавиши?

  2. #1
    С любовью к вам, Yandex.Direct
    Размещение рекламы на форуме способствует его дальнейшему развитию

  3. #2

    Регистрация
    20.01.2005
    Адрес
    Саранск
    Сообщений
    2,195
    Записей в дневнике
    2
    Спасибо Благодарностей отдано 
    0
    Спасибо Благодарностей получено 
    2
    Поблагодарили
    2 сообщений
    Mentioned
    0 Post(s)
    Tagged
    0 Thread(s)

    По умолчанию

    а какое отношение имеет это нечто к разделу "Клавиатуры", в ZX-SPECTRUM-HARDWARE, просьба модерпаторов переместить тему куданить во флэйм...
    Мои интры: [Kukarachess][Super boot rmx][tRUSHE MOSAIc][BLAZE]
    Мои игры: [Overload][Removal]

    Список игр для ZX-Spectrum: [2015] [2014]

  4. #3

    Регистрация
    19.01.2005
    Адрес
    Санкт-Петербург
    Сообщений
    11,571
    Спасибо Благодарностей отдано 
    207
    Спасибо Благодарностей получено 
    188
    Поблагодарили
    83 сообщений
    Mentioned
    5 Post(s)
    Tagged
    0 Thread(s)

    По умолчанию

    1. Это клавиатура.
    2. Подключается к ZX Spectrum

  5. #4

    Регистрация
    20.01.2005
    Адрес
    Саранск
    Сообщений
    2,195
    Записей в дневнике
    2
    Спасибо Благодарностей отдано 
    0
    Спасибо Благодарностей получено 
    2
    Поблагодарили
    2 сообщений
    Mentioned
    0 Post(s)
    Tagged
    0 Thread(s)

    По умолчанию

    а можно точное названьице девайса?
    Мои интры: [Kukarachess][Super boot rmx][tRUSHE MOSAIc][BLAZE]
    Мои игры: [Overload][Removal]

    Список игр для ZX-Spectrum: [2015] [2014]

  6. #5

    Регистрация
    27.02.2005
    Адрес
    москва
    Сообщений
    14,338
    Записей в дневнике
    1
    Спасибо Благодарностей отдано 
    205
    Спасибо Благодарностей получено 
    1,497
    Поблагодарили
    974 сообщений
    Mentioned
    18 Post(s)
    Tagged
    0 Thread(s)

    По умолчанию

    а я думал это синтезатор. http://www.eldorado.ru/cat/detail/86327078/

  7. #6

    Регистрация
    19.01.2005
    Адрес
    Санкт-Петербург
    Сообщений
    11,571
    Спасибо Благодарностей отдано 
    207
    Спасибо Благодарностей получено 
    188
    Поблагодарили
    83 сообщений
    Mentioned
    5 Post(s)
    Tagged
    0 Thread(s)

    По умолчанию

    Цитата Сообщение от goodboy Посмотреть сообщение
    а я думал это синтезатор. http://www.eldorado.ru/cat/detail/86327078/
    Был.

  8. #7

    Регистрация
    11.02.2005
    Адрес
    Москва
    Сообщений
    3,789
    Спасибо Благодарностей отдано 
    0
    Спасибо Благодарностей получено 
    4
    Поблагодарили
    4 сообщений
    Mentioned
    0 Post(s)
    Tagged
    0 Thread(s)

    По умолчанию

    Наверное проще всего дорасширить клавиатуру заюзав на чтение лишние биты порта #FE (D6 - данные от магнитофона . D5 и D7 не используются) как раз 64 кнопки получится (подробности зависят от конкретного клона).

    Чтоб одновременно жались кнопки нужно добавить по диоду на каждую кнопку (как там - http://www.geocities.com/JDPetkov/Ha...b/midikeyb.htm)
    Катодами в сторону линий опроса/шины адреса .

    Если клавиши юзают один общий контакт , то это то-же решаемо , но потребуется несколько тараканов (примерно так это выглядит http://qrx.narod.ru/komp/midi.files/1.gif )

    Можно ещё извратиться с кемпстоном . Присобачить на кемпстоновский порт доп регистр на запись и юзать его как сканер . Получатся те же 64 кнопки (или больше , если напихать кучу дешифраторов типо того что там ).
    Последний раз редактировалось fan; 20.07.2009 в 14:44.
    Спек128 - испанская выдумка, навязанная Сэру Клайву. © Shaos
    REAL HARDWARE MUST LIVE ! - http://SBLive.narod.ru/ZX-Spectrum/

  9. #8

    Регистрация
    19.01.2005
    Адрес
    Санкт-Петербург
    Сообщений
    11,571
    Спасибо Благодарностей отдано 
    207
    Спасибо Благодарностей получено 
    188
    Поблагодарили
    83 сообщений
    Mentioned
    5 Post(s)
    Tagged
    0 Thread(s)

    По умолчанию

    Цитата Сообщение от fan Посмотреть сообщение
    Наверное проще всего дорасширить клавиатуру заюзав на чтение лишние биты порта #FE (D6 - данные от магнитофона . D5 и D7 не используются) как раз 64 кнопки получится (подробности зависят от конкретного клона).

    Чтоб одновременно жались кнопки нужно добавить по диоду на каждую кнопку (как там - http://www.geocities.com/JDPetkov/Ha...b/midikeyb.htm)
    Катодами в сторону линий опроса/шины адреса .

    Если клавиши юзают один общий контакт , то это то-же решаемо , но потребуется несколько тараканов (примерно так это выглядит http://qrx.narod.ru/komp/midi.files/1.gif )

    Можно ещё извратиться с кемпстоном . Присобачить на кемпстоновский порт доп регистр на запись и юзать его как сканер . Получатся те же 64 кнопки (или больше , если напихать кучу дешифраторов типо того что там ).
    Я так понимаю все эти способы подразумевают куроченье спека, а мне бы этого очень не хотелось.

    У меня зеленый Скорпион, в нем есть слот, было бы здорогово его заюзать.
    А еще в скорпе есть порт принтера, может его можно как-то приспособить?
    (судя по схеме диоды в клаве уже установлены)

  10. #9

    Регистрация
    11.02.2005
    Адрес
    Москва
    Сообщений
    3,789
    Спасибо Благодарностей отдано 
    0
    Спасибо Благодарностей получено 
    4
    Поблагодарили
    4 сообщений
    Mentioned
    0 Post(s)
    Tagged
    0 Thread(s)

    По умолчанию

    Мне померещилось что хошь спек в клавиатурку поместить . Не важно .

    То что у скорпа есть принтерный порт это очень хорошо , его как раз можно заставить работать сканером (если линий опроса будет маловато , то можно повесить пару дешифраторов). Кемпстон как я понимаю то же есть (схемы у меня под рукой нету) , его какраз можно заставить считывать данные с порта .

    Вобщем получается обычная клавишная матрица , для тестов можно как раз какуюнить попсовую клавиатуру подцепить .

    Подробности постараюсь попозжее закинуть как руки до схемы дойдут .
    Спек128 - испанская выдумка, навязанная Сэру Клайву. © Shaos
    REAL HARDWARE MUST LIVE ! - http://SBLive.narod.ru/ZX-Spectrum/

  11. #10

    Регистрация
    11.02.2005
    Адрес
    Москва
    Сообщений
    3,789
    Спасибо Благодарностей отдано 
    0
    Спасибо Благодарностей получено 
    4
    Поблагодарили
    4 сообщений
    Mentioned
    0 Post(s)
    Tagged
    0 Thread(s)

    По умолчанию

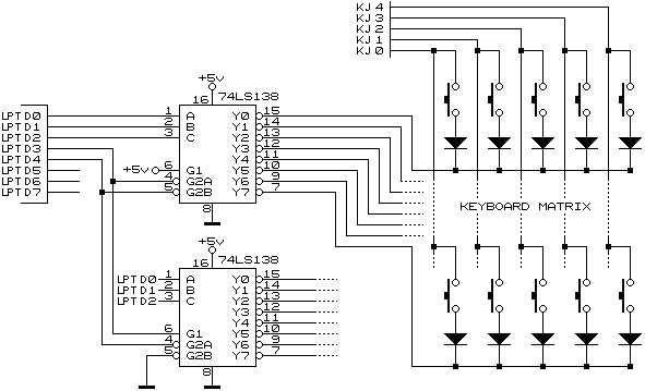
    Глянул схемку скопиона (хэзэ какой разновидности), старшие биты кемпстона заняты чтением какойто фигни (и один на землю посажен).
    Вобщем остаёмся с пятью линиями ответа .

    На принтерный порт цепляем пару/тройку дешифраторов К555ИД7 . Схемку включения оных можно глянуть в этом монускрипте на третьей странице

    http://www.ee.washington.edu/stores/...ls/74ls138.pdf

    В аттаче схемка но 80 клавиш .
    Миниатюры Миниатюры Нажмите на изображение для увеличения. 

Название:	KeybForSpec.gif 
Просмотров:	482 
Размер:	7.2 Кб 
ID:	12625  
    Спек128 - испанская выдумка, навязанная Сэру Клайву. © Shaos
    REAL HARDWARE MUST LIVE ! - http://SBLive.narod.ru/ZX-Spectrum/

Страница 1 из 2 12 ПоследняяПоследняя

Информация о теме

Пользователи, просматривающие эту тему

Эту тему просматривают: 1 (пользователей: 0 , гостей: 1)

Похожие темы

  1. Расширение стандартной клавы спектрума
    от BYTEMAN в разделе Устройства ввода
    Ответов: 13
    Последнее: 09.08.2007, 10:47
  2. безвейтовый контроллер AT-клавы на МК
    от boo_boo в разделе Устройства ввода
    Ответов: 23
    Последнее: 07.03.2007, 13:17
  3. глюки клавы
    от boo_boo в разделе Устройства ввода
    Ответов: 5
    Последнее: 11.02.2007, 15:55
  4. Есть плата PC клавы и мыши для ZS256
    от Sergei Frolov в разделе Барахолка (архив)
    Ответов: 5
    Последнее: 15.01.2006, 14:56
  5. Схемку ZX-Next бы увидеть ?!
    от Orionsoft в разделе Несортированное железо
    Ответов: 1
    Последнее: 10.05.2005, 00:46

Ваши права

  • Вы не можете создавать новые темы
  • Вы не можете отвечать в темах
  • Вы не можете прикреплять вложения
  • Вы не можете редактировать свои сообщения
  •