блин так а как ты собираешся ловить переключение дороги если ты опрашиваеш его в основном цикле то? у тебя по логике то что есть основное( тоесть собственно подсчет дорог) имеет самый низкий приоритет( тоесть сначала обрабатывается все что угодно кроме действительно необходимого) в основном цикле у тебя можно ставить как раз вывод на индикаторы а вот сигналы управления - обязательно вешать на внешнее прерывание.
---------- Post added at 21:55 ---------- Previous post was at 21:54 ----------
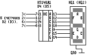
покажи как ты подключил сигналы с дисковода( пока времени нет смотреть сам код)
---------- Post added at 22:20 ---------- Previous post was at 21:55 ----------
сейчас во всю идет подготовка к завтрашнему празднованию ДР. но чуть попозжа сегодня попробую сесть переписать код.


Ответить с цитированием
Размещение рекламы на форуме способствует его дальнейшему развитию 

Была такая мысль, но я ее почему-то отмёл.






