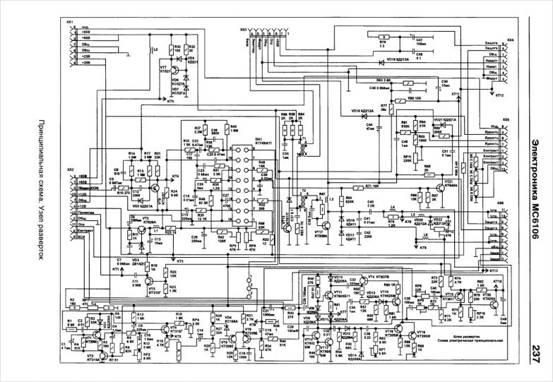
Ребята, прошу совета. Восстанавливаю моник МС 6106. Монитор с ТТЛ-входами. Точную схему найти не смог, но блок разверток выглядит как на вложенной схеме, но без инвертора на VT0. Инвертирование строчной синхры выполняет К155ЛН1 в блоке усилителя, оттуда она непосредственно подается на вход сепаратора на базе К174ХА11. Синхронизация напрочь отсутствовала, как выяснилось, инвертор был дохлый. Я его заменил, теперь вот такая ситуация, как на картинке. Изображение сильно смещено влево и завернуто. На регулировку фазы моник отзывается, но не настолько, чтобы поправить ситуацию. ХА11 исправна, напряжение на ней в норме, обвязку проверил всю, кроме входов 9 и 10 (мне кажется, неисправность там такой эффект дать не может - или я неправ?).
Как будто ХА11 запаздывает с выдачей строчного сигнала...
Я не знаю, куда еще смотреть. Может, кто-нибудь с таким сталкивался?
P.S. Перевернутая картинка пусть не смущает. Моник стоит вверх ногами![]()




Ответить с цитированием
Размещение рекламы на форуме способствует его дальнейшему развитию 







