Имеется в наличии сия плата "NARCOM_2 Ver1.3" на плате стоят 2 ПЛМ •1515ХМ1-6006 и 1515ХМ1-6008, только в моём случае одна микросхема 6006(6106) на плате отсутствует, а вторая имеет обозначение 6108(05.94) из всего найденого на форуме нашел:
Помогите найти данную микросхему 6006(6106), уж очень хочется восстановить сей раритет, если у кого завалялась данная микруха или есть информация о её замене, не откажите люди добрые. С меня пиво и ... Не дайте умереть спеку
upd: Копаясь дома, случайно обнаружил всю документацию и все схемы на данный клон!
Ссылка на весь архив: https://yadi.sk/d/vzkGQZwz3U2RHv





ZX-Evolution rev.B + NeoGS rev.C + AYX-32 + ZXM-Moonsound + ZXM-SC Moddle + VDAC2 + ZiFi + 2 FDD Epson SD-700
Ответить с цитированием
Размещение рекламы на форуме способствует его дальнейшему развитию
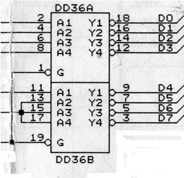
а на схемах что есть у меня все микросхемы обозначены только как DD1-DD... названия микросхем нигде не фигурируют, помогите определить по схемам, что это за логика, номера выдреных элементов: D37,D36,D33,D31,D5,D2 сами схемы в архиве
