User Tag List

Страница 1 из 4 1234 ПоследняяПоследняя
Показано с 1 по 10 из 39

Тема: Схема картриджа для Atari 130XE

Комбинированный просмотр

Предыдущее сообщение Предыдущее сообщение   Следующее сообщение Следующее сообщение
  1. #1
    Tim0xA
    Гость

    По умолчанию Схема картриджа для Atari 130XE

    Подскажите, где взять схему и описание картриджа для Atari 130XE?

  2. #1
    С любовью к вам, Yandex.Direct
    Размещение рекламы на форуме способствует его дальнейшему развитию

  3. #2

    Регистрация
    11.02.2005
    Адрес
    Москва
    Сообщений
    3,789
    Спасибо Благодарностей отдано 
    0
    Спасибо Благодарностей получено 
    4
    Поблагодарили
    4 сообщений
    Mentioned
    0 Post(s)
    Tagged
    0 Thread(s)

    По умолчанию

    Разновидностей картриджей на самом деле туева хуча .
    http://www.atarimax.com/jindroush.at...rts.html#basic

    Тебе для чего нужен ?

    Вот мой успешно воссозданный Phoenix 8K Cartridge
    http://sblive.narod.ru/Atari/Phoenix...KCartridge.htm

    З.Ы. Проще всего и функциональней винт подцепить - http://zx.pk.ru/showthread.php?t=10237
    Спек128 - испанская выдумка, навязанная Сэру Клайву. © Shaos
    REAL HARDWARE MUST LIVE ! - http://SBLive.narod.ru/ZX-Spectrum/

  4. #3

    Регистрация
    28.03.2006
    Адрес
    Санкт-Петербург
    Сообщений
    2,776
    Спасибо Благодарностей отдано 
    553
    Спасибо Благодарностей получено 
    200
    Поблагодарили
    138 сообщений
    Mentioned
    2 Post(s)
    Tagged
    0 Thread(s)

    По умолчанию

    Цитата Сообщение от fan Посмотреть сообщение
    З.Ы. Проще всего и функциональней винт подцепить - http://zx.pk.ru/showthread.php?t=10237
    Проще и функциональней подцепить к PC через SIO2PC

  5. #4
    Tim0xA
    Гость

    По умолчанию

    Цитата Сообщение от fan Посмотреть сообщение
    Тебе для чего нужен ?
    Валяется дома без дела куча УФ ПЗУ 27xx, вот прикидываю куда их можно приспособить.

    Вообщем, чтобы сделать, например, картридж "River Raid" (8кб), достаточно залить в УФ ПЗУ 2764 ROM-файл игры, подключить по этой схеме и всё?


  6. #5

    Регистрация
    11.02.2005
    Адрес
    Москва
    Сообщений
    3,789
    Спасибо Благодарностей отдано 
    0
    Спасибо Благодарностей получено 
    4
    Поблагодарили
    4 сообщений
    Mentioned
    0 Post(s)
    Tagged
    0 Thread(s)

    По умолчанию

    Да , в принципе можно (кажется как раз испытывал его в попсовом режиме). ЛА3 можно не ставить , ногу RD5 подтянуть к +5V .


    Цитата Сообщение от tnt23 Посмотреть сообщение
    Проще и функциональней подцепить к PC через SIO2PC
    Ну как сказать . Таскать в придачу песюк не всегда удобно А так даже порт свободным остаётся .
    Спек128 - испанская выдумка, навязанная Сэру Клайву. © Shaos
    REAL HARDWARE MUST LIVE ! - http://SBLive.narod.ru/ZX-Spectrum/

  7. #6

    Регистрация
    28.10.2005
    Адрес
    Омск
    Сообщений
    2,116
    Спасибо Благодарностей отдано 
    162
    Спасибо Благодарностей получено 
    46
    Поблагодарили
    32 сообщений
    Mentioned
    1 Post(s)
    Tagged
    0 Thread(s)

    По умолчанию

    Tim0xA, если хочешь могу закинуть большую колекцию картриджей для атари 8 bit (800-OSB, 65XE, 130XE) в виде rom файлов.
    некоторые из картриджных игр весьма сильно отличаются от дисковых.

  8. #7

    Регистрация
    28.10.2005
    Адрес
    Омск
    Сообщений
    2,116
    Спасибо Благодарностей отдано 
    162
    Спасибо Благодарностей получено 
    46
    Поблагодарили
    32 сообщений
    Mentioned
    1 Post(s)
    Tagged
    0 Thread(s)

    По умолчанию

    а ладно, выкладываю так
    может кому интересно будет.
    в этой колекции собрано около 300 образов картриджей, некоторые из них очень редкие.

    http://rapidshare.com/files/28023485...ridge.rar.html

  9. #8

    Регистрация
    26.12.2008
    Адрес
    Украина, Кременчуг
    Сообщений
    167
    Спасибо Благодарностей отдано 
    0
    Спасибо Благодарностей получено 
    0
    Поблагодарили
    0 сообщений
    Mentioned
    0 Post(s)
    Tagged
    0 Thread(s)

    По умолчанию

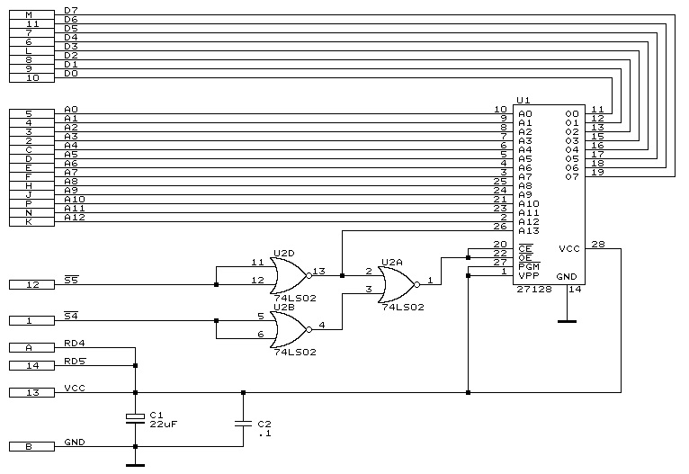
    я использую вот эту схему для 2764 и 27128.
    Миниатюры Миниатюры Нажмите на изображение для увеличения. 

Название:	1.jpg 
Просмотров:	1374 
Размер:	64.3 Кб 
ID:	13257  

    Скрытый текст


    Atari 65 XE
    Atari 600 XL
    Atari 130 XE+Sdrive.
    Atari 800 XL
    Atari 1040 STF.
    Atari Lynx MK1.
    Atari Lynx MK2.
    Atari 2600
    и фсё пашет на уряяяяааааааааа
    [свернуть]

  10. #9
    Tim0xA
    Гость

    По умолчанию

    Существует ли конвертор файлов из формата XEX в ROM?

  11. #10

    Регистрация
    11.02.2005
    Адрес
    Москва
    Сообщений
    3,789
    Спасибо Благодарностей отдано 
    0
    Спасибо Благодарностей получено 
    4
    Поблагодарили
    4 сообщений
    Mentioned
    0 Post(s)
    Tagged
    0 Thread(s)

    По умолчанию

    Вряд ли .

    А что сконвертить хочешь ? Может оно и так есть .
    Спек128 - испанская выдумка, навязанная Сэру Клайву. © Shaos
    REAL HARDWARE MUST LIVE ! - http://SBLive.narod.ru/ZX-Spectrum/

Страница 1 из 4 1234 ПоследняяПоследняя

Информация о теме

Пользователи, просматривающие эту тему

Эту тему просматривают: 1 (пользователей: 0 , гостей: 1)

Похожие темы

  1. Куплю Atari 130XE и комплектующие к нему в Одессе
    от makler_ в разделе Барахолка (архив)
    Ответов: 0
    Последнее: 10.04.2009, 10:58
  2. Продам в Питере Atari 65XL + Atari STe
    от scald-spb в разделе Барахолка (архив)
    Ответов: 3
    Последнее: 26.08.2008, 10:28
  3. Нужна схема Atari 1040STf
    от tnt23 в разделе Atari
    Ответов: 7
    Последнее: 25.08.2008, 19:31
  4. Ответов: 0
    Последнее: 31.01.2007, 18:18
  5. ATARI
    от AAA в разделе Atari
    Ответов: 8
    Последнее: 21.10.2006, 16:37

Ваши права

  • Вы не можете создавать новые темы
  • Вы не можете отвечать в темах
  • Вы не можете прикреплять вложения
  • Вы не можете редактировать свои сообщения
  •