User Tag List

Страница 2 из 4 ПерваяПервая 1234 ПоследняяПоследняя
Показано с 11 по 20 из 39

Тема: Схема картриджа для Atari 130XE

Комбинированный просмотр

Предыдущее сообщение Предыдущее сообщение   Следующее сообщение Следующее сообщение
  1. #1
    Tim0xA
    Гость

    По умолчанию

    Цитата Сообщение от fan Посмотреть сообщение
    Вряд ли .

    А что сконвертить хочешь ? Может оно и так есть .
    Ну, например, "Laser Gates"


    http://atari.fandal.cz/detail.php?files_id=2292
    http://www.youtube.com/watch?v=qiNZ2u9AzXg

  2. #1
    С любовью к вам, Yandex.Direct
    Размещение рекламы на форуме способствует его дальнейшему развитию

  3. #2

    Регистрация
    11.02.2005
    Адрес
    Москва
    Сообщений
    3,789
    Спасибо Благодарностей отдано 
    0
    Спасибо Благодарностей получено 
    4
    Поблагодарили
    4 сообщений
    Mentioned
    0 Post(s)
    Tagged
    0 Thread(s)

    По умолчанию

    Не , такого не наблюдаю .
    Спек128 - испанская выдумка, навязанная Сэру Клайву. © Shaos
    REAL HARDWARE MUST LIVE ! - http://SBLive.narod.ru/ZX-Spectrum/

  4. #3

    Регистрация
    28.10.2005
    Адрес
    Омск
    Сообщений
    2,116
    Спасибо Благодарностей отдано 
    162
    Спасибо Благодарностей получено 
    46
    Поблагодарили
    32 сообщений
    Mentioned
    1 Post(s)
    Tagged
    0 Thread(s)

    По умолчанию

    да она както не очень, на 2600 laser gates получше будет.
    конвертеров из каких либо файлов в ROM к сожаленью не существует.

  5. #4
    Tim0xA
    Гость

    По умолчанию

    Наконец-то дошли руки и собрал я себе картридж с "River Raid". Сбылась мечта детства со времен игровых залов
    Миниатюры Миниатюры Нажмите на изображение для увеличения. 

Название:	TESTCART.jpg 
Просмотров:	703 
Размер:	19.3 Кб 
ID:	13397  

  6. #5

    Регистрация
    15.04.2009
    Адрес
    Смоленск
    Сообщений
    89
    Спасибо Благодарностей отдано 
    0
    Спасибо Благодарностей получено 
    0
    Поблагодарили
    0 сообщений
    Mentioned
    0 Post(s)
    Tagged
    0 Thread(s)

    По умолчанию

    Цитата Сообщение от Tim0xA Посмотреть сообщение
    Наконец-то дошли руки и собрал я себе картридж с "River Raid". Сбылась мечта детства со времен игровых залов
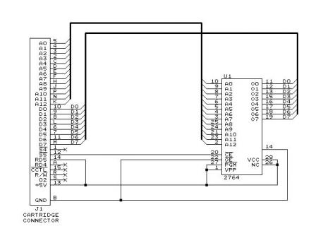
    У меня Atari 800 XE. Собрал по этой схеме картридж, залил туда дамп River Raid, но картридж не стартует - зеленый экран. Можно попросить выложить Ваш дамп River Raid?
    Вложения Вложения
    Последний раз редактировалось Gatsu; 13.01.2010 в 20:44.

    Скрытый текст

    Speccy-2007 128k AY TR-DOS VGA.
    Compact-128k TR-DOS AY.
    Leningrad-2(Смоленский) 48k.
    Leningrad-2(Смоленский-2) 48k.
    Балтик-48k.
    Atari 800XE + SDrive
    [свернуть]

  7. #6
    Tim0xA
    Гость

    По умолчанию

    Цитата Сообщение от Gatsu Посмотреть сообщение
    У меня Atari 800 XE. Собрал по этой схеме картридж, залил туда дамп River Raid, но картридж не стартует - зеленый экран. Можно попросить выложить Ваш дамп River Raid?
    Сравнил с Вашим - мой точно такой же. Один в один.

  8. #7

    Регистрация
    15.04.2009
    Адрес
    Смоленск
    Сообщений
    89
    Спасибо Благодарностей отдано 
    0
    Спасибо Благодарностей получено 
    0
    Поблагодарили
    0 сообщений
    Mentioned
    0 Post(s)
    Tagged
    0 Thread(s)

    По умолчанию

    Цитата Сообщение от Tim0xA Посмотреть сообщение
    Сравнил с Вашим - мой точно такой же. Один в один.
    Значит мне надо перепроверить схему...
    Ведь отличий нет между 130XE и 800XE, только размер оперативной памяти?

    Скрытый текст

    Speccy-2007 128k AY TR-DOS VGA.
    Compact-128k TR-DOS AY.
    Leningrad-2(Смоленский) 48k.
    Leningrad-2(Смоленский-2) 48k.
    Балтик-48k.
    Atari 800XE + SDrive
    [свернуть]

  9. #8

    Регистрация
    09.06.2007
    Адрес
    Минск
    Сообщений
    756
    Спасибо Благодарностей отдано 
    0
    Спасибо Благодарностей получено 
    2
    Поблагодарили
    2 сообщений
    Mentioned
    0 Post(s)
    Tagged
    0 Thread(s)

    По умолчанию

    Перезалейте пожалуйста кто-нибудь архив дампов картриджей из этой темы, а то rapida говорит, что нет такого файла.
    ZXM-Phoenix 1024 + VGA&PAL

    Байт 128К + TR-DOS + AY + TURBO; Балтик 48К; Sharp MZ-800

  10. #9

    Регистрация
    28.10.2005
    Адрес
    Омск
    Сообщений
    2,116
    Спасибо Благодарностей отдано 
    162
    Спасибо Благодарностей получено 
    46
    Поблагодарили
    32 сообщений
    Mentioned
    1 Post(s)
    Tagged
    0 Thread(s)

    По умолчанию

    Zloy, лови.
    перезаливаю архив картриджей.
    кстати я ещё образов нарыл немного, так что берите и обновляйте.

    http://rapidshare.de/files/49016747/cartridge.rar.html

  11. #10

    Регистрация
    09.06.2007
    Адрес
    Минск
    Сообщений
    756
    Спасибо Благодарностей отдано 
    0
    Спасибо Благодарностей получено 
    2
    Поблагодарили
    2 сообщений
    Mentioned
    0 Post(s)
    Tagged
    0 Thread(s)

    По умолчанию

    Завтра попробую спаять какой-нибудь картридж... хочу попробовать сделать на 8 игр с переключением перемычками.
    ZXM-Phoenix 1024 + VGA&PAL

    Байт 128К + TR-DOS + AY + TURBO; Балтик 48К; Sharp MZ-800

Страница 2 из 4 ПерваяПервая 1234 ПоследняяПоследняя

Информация о теме

Пользователи, просматривающие эту тему

Эту тему просматривают: 1 (пользователей: 0 , гостей: 1)

Похожие темы

  1. Куплю Atari 130XE и комплектующие к нему в Одессе
    от makler_ в разделе Барахолка (архив)
    Ответов: 0
    Последнее: 10.04.2009, 10:58
  2. Продам в Питере Atari 65XL + Atari STe
    от scald-spb в разделе Барахолка (архив)
    Ответов: 3
    Последнее: 26.08.2008, 10:28
  3. Нужна схема Atari 1040STf
    от tnt23 в разделе Atari
    Ответов: 7
    Последнее: 25.08.2008, 19:31
  4. Ответов: 0
    Последнее: 31.01.2007, 18:18
  5. ATARI
    от AAA в разделе Atari
    Ответов: 8
    Последнее: 21.10.2006, 16:37

Ваши права

  • Вы не можете создавать новые темы
  • Вы не можете отвечать в темах
  • Вы не можете прикреплять вложения
  • Вы не можете редактировать свои сообщения
  •