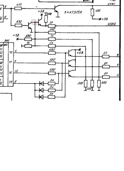
Вчера подключал скорп к монитору - сначала было изображение но плохое (монитор полудохлый), после перебора нескольких вариантов вообще перестал показыватьдля проверки подключил 48 спек изображение с него было так что монитор жив. на плате скорпа ничего не греется но изображение не дает. сразу говорю в схемах я не разбираюсь. как его проверить на работоспособность?


для проверки подключил 48 спек изображение с него было так что монитор жив. на плате скорпа ничего не греется но изображение не дает. сразу говорю в схемах я не разбираюсь. как его проверить на работоспособность?
Ответить с цитированием
Размещение рекламы на форуме способствует его дальнейшему развитию 

