Привет, коллеги!
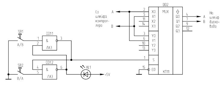
Есть схемка (см. вложение), которую я нашел на диске KOE, который он рапространяет вместе с платой Пента 1024. Он соответственно, коммутирует только два дисковода A/B - B/A.
Вопрос: каким макаром "красиво" скоммутировать 3-и дисковода?
Какие будут идеи у сообщества?




Speccy-2007 + 48k(пока) + TR-DOS + ZX-VGA
Ответить с цитированием


):