Вот что пишет Автор:
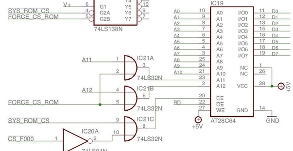
В схеме подобная доработка есть, но если FORCE_CS_ROM снимать не с 5-й ноги В13, а с 6-й, то ПЗУ менять не нужно.Изменение адресации ПЗУ при запуске после сброса
Предложено Vladimir_S; этот способ запустить Монитор после сброса используется в моем варианте контроллера дисковода.
Если адреса А11 и А12 подавать на ПЗУ Монитора через свободные элементы ЛП5, у которых на входы подается - сигнал с 6 ноги ТМ2 системы начального запуска, а на другую ногу А11(А12).Тогда не надо с адреса 0000 заносить в ПЗУ C3 36 F8.
По поводу содержимого ПЗУ с ДОС, Автор ссылается на эту ветку форумапост №197
http://zx.pk.ru/showthread.php?p=396428#post396428



пост №197
Ответить с цитированием
Размещение рекламы на форуме способствует его дальнейшему развитию 
