Привет всем!
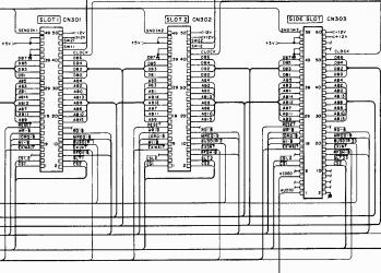
Есть вопрос. Насколько совместим 60-пиновый боковой разъем расширения (это где в YIS503IIR/IIIR стоит модуль школьной сети) с 50-пиновым верхним разъемом под картриджи (игры, кнотроллер флопа и т.д.)? Смотрел по спецификациям, вроде все нужные сигналы процессора есть на обоих слотах, но почему-то они не звонятся между 50 и 60 пиновыми разъемами, это меня смутило... И что делать с отсутствующим на 60-пиновке сигналом BUSDIR? Догадываюсь что просто его не юзать, но хотелось бы услышать чье-нибудь мнение...
Тоесть можно ли теоретически взять девайс (контроллер флопа, картик с игрой, BeerIDE... etc), и подключить его к 60-пиновому разъему сбоку?
А практически... Хочу распотрошить модуль школьной сети (всё равно он нафик не нужен, и SymbOS и много чего ещё с ним не грузится, особенно из игр), оставить от него корпус и слотовый разъем, сделать из него аккуратненький Beer IDE, вместе с накопителем в одной коробочке, к тому же появляется шанс получить одностороннюю плату...




, это меня смутило... И что делать с отсутствующим на 60-пиновке сигналом BUSDIR? Догадываюсь что просто его не юзать, но хотелось бы услышать чье-нибудь мнение...
Ответить с цитированием
Размещение рекламы на форуме способствует его дальнейшему развитию 


