User Tag List

Страница 5 из 8 ПерваяПервая 12345678 ПоследняяПоследняя
Показано с 41 по 50 из 74

Тема: Контур ПК 8020

Комбинированный просмотр

Предыдущее сообщение Предыдущее сообщение   Следующее сообщение Следующее сообщение
  1. #1

    Регистрация
    25.02.2006
    Адрес
    Нижний Новгород
    Сообщений
    2,696
    Спасибо Благодарностей отдано 
    17
    Спасибо Благодарностей получено 
    25
    Поблагодарили
    18 сообщений
    Mentioned
    3 Post(s)
    Tagged
    0 Thread(s)

    По умолчанию

    Спецы! На первый взгляд это плата заменет отсутствующие м/с или что-то улучшает в схеме корвета?
    Spectrum жив!!!

  2. #1
    С любовью к вам, Yandex.Direct
    Размещение рекламы на форуме способствует его дальнейшему развитию

  3. #2

    Регистрация
    16.09.2009
    Адрес
    г. Харьков
    Сообщений
    1,466
    Спасибо Благодарностей отдано 
    0
    Спасибо Благодарностей получено 
    16
    Поблагодарили
    12 сообщений
    Mentioned
    0 Post(s)
    Tagged
    0 Thread(s)

    По умолчанию

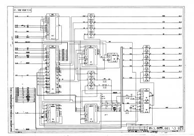
    Смотрел тут схемы корвета (лист схемы в аттаче),

    на мой взгляд, тут из стандартной схемы контроллера дисковода выкинули 2 микросхемы (D6-К555ИЕ7, D7-К555ИР16), причем из каждой выходит только 1 сигнал
    и нагородили эту схему о 10 корпусах

    мое имхо это явно модификация, было бы ОЧЕНЬ интересно что это за
    Миниатюры Миниатюры Нажмите на изображение для увеличения. 

Название:	P14.jpg 
Просмотров:	409 
Размер:	24.4 Кб 
ID:	43914  
    Вложения Вложения
    Последний раз редактировалось esl; 31.10.2013 в 01:33.

  4. #3

    Регистрация
    15.09.2009
    Адрес
    SPb
    Сообщений
    7,301
    Спасибо Благодарностей отдано 
    260
    Спасибо Благодарностей получено 
    293
    Поблагодарили
    211 сообщений
    Mentioned
    5 Post(s)
    Tagged
    0 Thread(s)

    По умолчанию

    Обычно такие изменения делают добавляя ФАПЧ в канал чтения в связи с низким качеством дисководов. Как говорится из "примера одного магазина" (c) Жванецкий (завода по производству персоналок): сначала было много "брака" по дисководам, потом добавили на отдельной платке ФАПЧ и весь "брак" пустили в дело.

  5. #4

    Регистрация
    05.03.2009
    Адрес
    г. Москва
    Сообщений
    157
    Спасибо Благодарностей отдано 
    4
    Спасибо Благодарностей получено 
    1
    Поблагодарили
    1 сообщение
    Mentioned
    0 Post(s)
    Tagged
    0 Thread(s)

    По умолчанию

    То, что мой Профи из Ижевска выполнен в корпусе от "Контура" Ижевского радиозавода, я еще могу понять:
    http://zx-pk.ru/market/viewtopic.php?f=11&t=1680

    Но что Пентагон, найденый в выселенном доме в Москве, оказался в том же корпусе от Контура, это уже перебор.
    http://zx.pk.ru/showthread.php?t=22314&highlight=gushin

    Даже мои 2 дисковода, подключенные к БК 0010 в начале 90-х годов, были в том же самом сером корпусе. Как же их столько натырили с завода?

  6. #5

    Регистрация
    16.09.2009
    Адрес
    г. Харьков
    Сообщений
    1,466
    Спасибо Благодарностей отдано 
    0
    Спасибо Благодарностей получено 
    16
    Поблагодарили
    12 сообщений
    Mentioned
    0 Post(s)
    Tagged
    0 Thread(s)

    По умолчанию

    Цитата Сообщение от gushin Посмотреть сообщение
    То, что мой Профи из Ижевска выполнен в корпусе от "Контура" Ижевского радиозавода, я еще могу понять:
    http://zx-pk.ru/market/viewtopic.php?f=11&t=1680

    Но что Пентагон, найденый в выселенном доме в Москве, оказался в том же корпусе от Контура, это уже перебор.
    http://zx.pk.ru/showthread.php?t=22314&highlight=gushin

    Даже мои 2 дисковода, подключенные к БК 0010 в начале 90-х годов, были в том же самом сером корпусе. Как же их столько натырили с завода?
    Это корпус от блока питания/дисководов Корвета, сам Корвет это клавиатура, их было произвели доставточно много,
    Контур это один из вариантов, у него СЕРЫЙ корпус

    у Корвето был не серый корпус, я не могу описать цвет
    имхо что-то вроде http://savok.name/uploads/komp/5.jpg

  7. #6

    Регистрация
    05.03.2009
    Адрес
    г. Москва
    Сообщений
    157
    Спасибо Благодарностей отдано 
    4
    Спасибо Благодарностей получено 
    1
    Поблагодарили
    1 сообщение
    Mentioned
    0 Post(s)
    Tagged
    0 Thread(s)

    По умолчанию

    Друзья, жду посылку из Ижевска с нерабочим ПЭВМ "Контур", это клон Корвета 8020 производства Ижевского радиозавода (тот, который делал "Сириусы"). Буду постепенно восстанавливать и доводить до ума. Продавец пишет, что нет блокировочных конденсаторов. С ним в комплекте струйный принтер Электроника МС 6312, тоже наверняка мёртвый. Кого можно попросить взяться за него в Москве или не в Москве? Спасибо за любой совет.











    Последний раз редактировалось gushin; 21.01.2020 в 18:22.

    Этот пользователь поблагодарил gushin за это полезное сообщение:


  8. #7

    Регистрация
    05.03.2009
    Адрес
    г. Москва
    Сообщений
    157
    Спасибо Благодарностей отдано 
    4
    Спасибо Благодарностей получено 
    1
    Поблагодарили
    1 сообщение
    Mentioned
    0 Post(s)
    Tagged
    0 Thread(s)

    По умолчанию

    "Контур" пока всё ещё в Ижевске. Сам продавец пытается его оживить. Алексей - мастер по ремонту материнских плат современных компьютеров, но CP/M для него - темный лес. Блокировочные конденсаторы он впаял, электролиты заменил, память больше не выдает через раз ошибку. Но что дальше делать - непонятно. как вы думаете, в чём может быть проблема? Либо системные дискеты за годы хранения размагнитились, либо неисправен контроллер дисковода или сами дисководы? Вот что он прислал мне в WhatsApp:
    Видео:


    Фото:





  9. #8

    Регистрация
    15.09.2009
    Адрес
    SPb
    Сообщений
    7,301
    Спасибо Благодарностей отдано 
    260
    Спасибо Благодарностей получено 
    293
    Поблагодарили
    211 сообщений
    Mentioned
    5 Post(s)
    Tagged
    0 Thread(s)

    По умолчанию

    На 90% дискета или дисковод. На последнем фото он даже читает систему. А дальше "не шмогла"

  10. #9

    Регистрация
    05.03.2009
    Адрес
    г. Москва
    Сообщений
    157
    Спасибо Благодарностей отдано 
    4
    Спасибо Благодарностей получено 
    1
    Поблагодарили
    1 сообщение
    Mentioned
    0 Post(s)
    Tagged
    0 Thread(s)

    По умолчанию

    Спасибо! Друзья, кто сможет продать и переслать по почте 5 дюймовую системную дискету с CP/М? У меня пока нет ни одной дискеты. Деньги переведу на карту. Спасибо за помощь!

  11. #10

    Регистрация
    21.08.2006
    Адрес
    Ижевск
    Сообщений
    941
    Спасибо Благодарностей отдано 
    23
    Спасибо Благодарностей получено 
    298
    Поблагодарили
    164 сообщений
    Mentioned
    20 Post(s)
    Tagged
    0 Thread(s)

    По умолчанию

    Цитата Сообщение от gushin Посмотреть сообщение
    5 дюймовую системную дискету с CP/М
    Пусть Алексей-мастер пересечётся со мной в Ижевске. ;) (пошли в личку)
    фдеукю у-ьфшдЖ ввз"шярюсщь D356 47C0 35F8 F55E 8A52 A88F F3F8 B003 03EB 3D7F

    Этот пользователь поблагодарил DDp за это полезное сообщение:

    gushin(04.02.2020)

Страница 5 из 8 ПерваяПервая 12345678 ПоследняяПоследняя

Информация о теме

Пользователи, просматривающие эту тему

Эту тему просматривают: 1 (пользователей: 0 , гостей: 1)

Похожие темы

  1. куплю монитор RGB типа EIZO-8020
    от GarAlex в разделе Барахолка (архив)
    Ответов: 0
    Последнее: 29.11.2005, 13:37

Ваши права

  • Вы не можете создавать новые темы
  • Вы не можете отвечать в темах
  • Вы не можете прикреплять вложения
  • Вы не можете редактировать свои сообщения
  •