Важная информация

User Tag List

Страница 10 из 11 ПерваяПервая ... 67891011 ПоследняяПоследняя
Показано с 91 по 100 из 102

Тема: Compaсt 128 и PAL coder нужен совет.

  1. #91

    Регистрация
    11.02.2005
    Адрес
    Москва
    Сообщений
    3,789
    Спасибо Благодарностей отдано 
    0
    Спасибо Благодарностей получено 
    4
    Поблагодарили
    4 сообщений
    Mentioned
    0 Post(s)
    Tagged
    0 Thread(s)

    По умолчанию

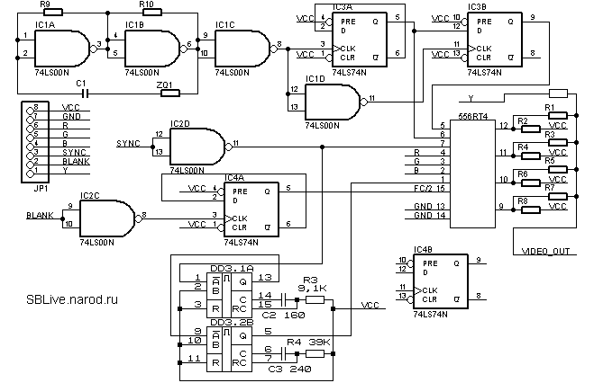
    Fc/2 оставляешь как был (смотри мою схему).
    Спек128 - испанская выдумка, навязанная Сэру Клайву. © Shaos
    REAL HARDWARE MUST LIVE ! - http://SBLive.narod.ru/ZX-Spectrum/

  2. #91
    С любовью к вам, Yandex.Direct
    Размещение рекламы на форуме способствует его дальнейшему развитию

  3. #92

    Регистрация
    03.05.2007
    Адрес
    Череповец,Вологодская обл.
    Сообщений
    714
    Спасибо Благодарностей отдано 
    0
    Спасибо Благодарностей получено 
    0
    Поблагодарили
    0 сообщений
    Mentioned
    0 Post(s)
    Tagged
    0 Thread(s)

    По умолчанию

    Фан,если по схеме PKZX,нужно поставить АГ3 вместо DD4.1?Или я че то путаю уже? Вопщем,как правильносделать,я электронщик так себе
    Последний раз редактировалось RST 0; 21.03.2010 в 16:17.

    Скрытый текст

    AMIGA 500 +512к memory card with RTC
    Ленинград-1 48к украшает стену в комнате.
    Compact 256 Turbo fdd 3.5' +Turbo ВГ +PAL кодер (NedoPC).
    Profi 3.2 почти воcстал из Ада. Ждет новые платы.
    Dendy Junior (Famicom клон).
    Видеоспорт5 (на К145ИК17) пылится в шкафу
    [свернуть]

  4. #93

    Регистрация
    11.02.2005
    Адрес
    Москва
    Сообщений
    3,789
    Спасибо Благодарностей отдано 
    0
    Спасибо Благодарностей получено 
    4
    Поблагодарили
    4 сообщений
    Mentioned
    0 Post(s)
    Tagged
    0 Thread(s)

    По умолчанию

    С.м. аттач .
    Миниатюры Миниатюры Нажмите на изображение для увеличения. 

Название:	PALCoderRT4SCHb.gif 
Просмотров:	255 
Размер:	9.8 Кб 
ID:	16731  
    Спек128 - испанская выдумка, навязанная Сэру Клайву. © Shaos
    REAL HARDWARE MUST LIVE ! - http://SBLive.narod.ru/ZX-Spectrum/

  5. #94

    Регистрация
    03.05.2007
    Адрес
    Череповец,Вологодская обл.
    Сообщений
    714
    Спасибо Благодарностей отдано 
    0
    Спасибо Благодарностей получено 
    0
    Поблагодарили
    0 сообщений
    Mentioned
    0 Post(s)
    Tagged
    0 Thread(s)

    По умолчанию

    Спасибо,Фан! Завтра попробую сделать в металле.

    Скрытый текст

    AMIGA 500 +512к memory card with RTC
    Ленинград-1 48к украшает стену в комнате.
    Compact 256 Turbo fdd 3.5' +Turbo ВГ +PAL кодер (NedoPC).
    Profi 3.2 почти воcстал из Ада. Ждет новые платы.
    Dendy Junior (Famicom клон).
    Видеоспорт5 (на К145ИК17) пылится в шкафу
    [свернуть]

  6. #95

    Регистрация
    03.05.2007
    Адрес
    Череповец,Вологодская обл.
    Сообщений
    714
    Спасибо Благодарностей отдано 
    0
    Спасибо Благодарностей получено 
    0
    Поблагодарили
    0 сообщений
    Mentioned
    0 Post(s)
    Tagged
    0 Thread(s)

    По умолчанию

    Вобщем,прикрутил микросхему.Изображение есть,но цвета все перемешались.Курсор в главном меню вообще зеленый, бывает и розовым.Глючит.

    Скрытый текст

    AMIGA 500 +512к memory card with RTC
    Ленинград-1 48к украшает стену в комнате.
    Compact 256 Turbo fdd 3.5' +Turbo ВГ +PAL кодер (NedoPC).
    Profi 3.2 почти воcстал из Ада. Ждет новые платы.
    Dendy Junior (Famicom клон).
    Видеоспорт5 (на К145ИК17) пылится в шкафу
    [свернуть]

  7. #96

    Регистрация
    30.08.2009
    Адрес
    г. Луганск
    Сообщений
    841
    Спасибо Благодарностей отдано 
    0
    Спасибо Благодарностей получено 
    0
    Поблагодарили
    0 сообщений
    Mentioned
    0 Post(s)
    Tagged
    0 Thread(s)

    По умолчанию

    Я не видел схему компа, может синхру инвертировать не надо? я про IC2D

  8. #97

    Регистрация
    11.02.2005
    Адрес
    Москва
    Сообщений
    3,789
    Спасибо Благодарностей отдано 
    0
    Спасибо Благодарностей получено 
    4
    Поблагодарили
    4 сообщений
    Mentioned
    0 Post(s)
    Tagged
    0 Thread(s)

    По умолчанию

    Не , надо . По журнальному описанию юзается синхра с активным высоким , а в компе с активным низким (как и везде).

    Вероятно глючит из-за не правильной длинны синхры... :\ (если конечно номиналы кондюков точные).

    2 RST 0
    Походу нужно сделать привязку к переднему фронту синхры .

    Попробуй подать на первую ногу вместо инверсной синхры не инверсную и заменить кондюк и резюк в АГ3(DD3.1A) по этой формуле , чтоб получилось нечто вроде 5,6мкс

    Т=0,32*(R+0,7)*С
    (хотя в мануалах на буржуйские тараканы формула расчёта более безбашенная)

    Значение R в килоомах (5,1кОм - 51кОм), C в пикофарадах (pF) , T в наносекундах .
    Последний раз редактировалось fan; 24.03.2010 в 16:34.
    Спек128 - испанская выдумка, навязанная Сэру Клайву. © Shaos
    REAL HARDWARE MUST LIVE ! - http://SBLive.narod.ru/ZX-Spectrum/

  9. #98

    Регистрация
    03.05.2007
    Адрес
    Череповец,Вологодская обл.
    Сообщений
    714
    Спасибо Благодарностей отдано 
    0
    Спасибо Благодарностей получено 
    0
    Поблагодарили
    0 сообщений
    Mentioned
    0 Post(s)
    Tagged
    0 Thread(s)

    По умолчанию

    Фан,если мой мозг меня не подводит то получается так:на ногу 1 DD3.1A подаю сигнал с 12 или 13 ноги IC2D.Далее,если я правильно понял,по формуле у меня сейчас такой расклад 0,32*(9,1+0,7)*160=501,8 нс,то есть типа 5,02 мкс.Значит нужно подогнать до 5,6мкс.По идеи необязательно менять кондер,можно просто поменять сопротивление резистора(у меня с кондерами напряг)? Кстати,сигнал BLANK я беру с 10 ноги D2(ЛА3) Compact'a,это верно?
    Последний раз редактировалось RST 0; 26.03.2010 в 16:51.

    Скрытый текст

    AMIGA 500 +512к memory card with RTC
    Ленинград-1 48к украшает стену в комнате.
    Compact 256 Turbo fdd 3.5' +Turbo ВГ +PAL кодер (NedoPC).
    Profi 3.2 почти воcстал из Ада. Ждет новые платы.
    Dendy Junior (Famicom клон).
    Видеоспорт5 (на К145ИК17) пылится в шкафу
    [свернуть]

  10. #99

    Регистрация
    11.02.2005
    Адрес
    Москва
    Сообщений
    3,789
    Спасибо Благодарностей отдано 
    0
    Спасибо Благодарностей получено 
    4
    Поблагодарили
    4 сообщений
    Mentioned
    0 Post(s)
    Tagged
    0 Thread(s)

    По умолчанию

    Да всё верно (только 501,8(ns)нс это 0,5(µs)мкс (1us(µs)= 1 000 ns)).

    (До кучи буржуйский мануал с ихней извратной формулой - http://www.datasheetcatalog.org/data.../232285_DS.pdf)

    Подгонять конечно удобней под тот кондюк что будет в наличии + точный подстроечный резюк . Резюки с точной подстройкой на вид квадратные либо длинные с крутилкой ввиде шляпки винтика (чтобы провернуть по всему диапазону , крутить нужно долго ) . На фотке как раз по нижнему левому центру квадратные резюки , внизу длинный резюк - http://www.symmetron.ru/suppliers/tr...immerres.shtml

    Вот ещё фотки -
    СП3-39 , СП5-2 ,СП5-3 , СП5-2Б , СП5-2П
    http://www.tkd.com.ua/producer.php?producer=15

    Буржуйские -
    http://www.reton.ru/image/home/details/pod_rez.jpg
    http://www.zip-2002.ru/jpg/jpg.php?imd=3936
    http://www.zip-2002.ru/jpg/jpg.php?imd=3935
    Последний раз редактировалось fan; 26.03.2010 в 21:25.
    Спек128 - испанская выдумка, навязанная Сэру Клайву. © Shaos
    REAL HARDWARE MUST LIVE ! - http://SBLive.narod.ru/ZX-Spectrum/

  11. #100

    Регистрация
    03.05.2007
    Адрес
    Череповец,Вологодская обл.
    Сообщений
    714
    Спасибо Благодарностей отдано 
    0
    Спасибо Благодарностей получено 
    0
    Поблагодарили
    0 сообщений
    Mentioned
    0 Post(s)
    Tagged
    0 Thread(s)

    По умолчанию

    Спасибо! Раздобуду такой резистор -- пошаманю!

    Скрытый текст

    AMIGA 500 +512к memory card with RTC
    Ленинград-1 48к украшает стену в комнате.
    Compact 256 Turbo fdd 3.5' +Turbo ВГ +PAL кодер (NedoPC).
    Profi 3.2 почти воcстал из Ада. Ждет новые платы.
    Dendy Junior (Famicom клон).
    Видеоспорт5 (на К145ИК17) пылится в шкафу
    [свернуть]

Страница 10 из 11 ПерваяПервая ... 67891011 ПоследняяПоследняя

Информация о теме

Пользователи, просматривающие эту тему

Эту тему просматривают: 1 (пользователей: 0 , гостей: 1)

Похожие темы

  1. Нужен совет
    от Conan в разделе Разный софт
    Ответов: 15
    Последнее: 10.03.2010, 22:47
  2. Квазидиск на SRAM (нужен совет)
    от dk_spb в разделе Вектор
    Ответов: 10
    Последнее: 08.02.2010, 10:25
  3. Нужен совет/помощь в прошивании flash 28F400. Help!
    от Evgeny Muchkin в разделе Память
    Ответов: 6
    Последнее: 26.12.2007, 10:11

Ваши права

  • Вы не можете создавать новые темы
  • Вы не можете отвечать в темах
  • Вы не можете прикреплять вложения
  • Вы не можете редактировать свои сообщения
  •