Важная информация

User Tag List

Страница 5 из 11 ПерваяПервая 123456789 ... ПоследняяПоследняя
Показано с 41 по 50 из 102

Тема: Compaсt 128 и PAL coder нужен совет.

  1. #41

    Регистрация
    30.08.2009
    Адрес
    г. Луганск
    Сообщений
    841
    Спасибо Благодарностей отдано 
    0
    Спасибо Благодарностей получено 
    0
    Поблагодарили
    0 сообщений
    Mentioned
    0 Post(s)
    Tagged
    0 Thread(s)

    По умолчанию

    а муар не может образовываться из-за не достаточного уровня видео сигнала, просажеемого яркостным сигналом?

  2. #42

    Регистрация
    27.02.2009
    Адрес
    Москва (Нальчик)
    Сообщений
    75
    Спасибо Благодарностей отдано 
    0
    Спасибо Благодарностей получено 
    0
    Поблагодарили
    0 сообщений
    Mentioned
    0 Post(s)
    Tagged
    0 Thread(s)

    По умолчанию

    Здорово, маньяки! Я тут то же порисовал мальца В принципе результат такой же как и у FAN'а.Нажмите на изображение для увеличения. 

Название:	ENC_PAL.jpg 
Просмотров:	436 
Размер:	35.7 Кб 
ID:	16572

  3. #43

    Регистрация
    27.02.2009
    Адрес
    Москва (Нальчик)
    Сообщений
    75
    Спасибо Благодарностей отдано 
    0
    Спасибо Благодарностей получено 
    0
    Поблагодарили
    0 сообщений
    Mentioned
    0 Post(s)
    Tagged
    0 Thread(s)

    По умолчанию

    С муаром тут столько вариантов Я сразу говорил - осциллограф надо!
    Тупо навскидку:
    - помеха по питалову (в т.ч. обратная наводка по "земле" от телевизора);
    - сильно большой размах несущей цвета;
    - BRIGHT, который при данном включении "ни к селу, ни к городу"

  4. #44

    Регистрация
    30.08.2009
    Адрес
    г. Луганск
    Сообщений
    841
    Спасибо Благодарностей отдано 
    0
    Спасибо Благодарностей получено 
    0
    Поблагодарили
    0 сообщений
    Mentioned
    0 Post(s)
    Tagged
    0 Thread(s)

    По умолчанию

    и не спится, нам, маньякам(( только обладатель девайса крепко спит и снятся ему сны о рабочем кодере )))

  5. #45

    Регистрация
    27.02.2009
    Адрес
    Москва (Нальчик)
    Сообщений
    75
    Спасибо Благодарностей отдано 
    0
    Спасибо Благодарностей получено 
    0
    Поблагодарили
    0 сообщений
    Mentioned
    0 Post(s)
    Tagged
    0 Thread(s)

    По умолчанию

    Цитата Сообщение от Eugen Tsalapov Посмотреть сообщение
    RST 0, отключи сигнал яркости совсем. судя по схемк fana это маразм.
    Евгений, +1 !

  6. #46

    Регистрация
    30.08.2009
    Адрес
    г. Луганск
    Сообщений
    841
    Спасибо Благодарностей отдано 
    0
    Спасибо Благодарностей получено 
    0
    Поблагодарили
    0 сообщений
    Mentioned
    0 Post(s)
    Tagged
    0 Thread(s)

    По умолчанию

    Цитата Сообщение от PKZX Посмотреть сообщение
    помеха по питалову (в т.ч. обратная наводка по "земле" от телевизора);
    это б я поставил на саааамое последнее место.

    ---------- Post added at 03:22 ---------- Previous post was at 03:21 ----------

    PKZX, Женя. мы тут без возраста и регалий )))

  7. #46
    С любовью к вам, Yandex.Direct
    Размещение рекламы на форуме способствует его дальнейшему развитию

  8. #47

    Регистрация
    27.02.2009
    Адрес
    Москва (Нальчик)
    Сообщений
    75
    Спасибо Благодарностей отдано 
    0
    Спасибо Благодарностей получено 
    0
    Поблагодарили
    0 сообщений
    Mentioned
    0 Post(s)
    Tagged
    0 Thread(s)

    По умолчанию

    Вот чую глупость ща скажу...
    ИМХО - качественнее эта шняга работать не будет, по определению!

    ---------- Post added at 04:25 ---------- Previous post was at 04:23 ----------

    Цитата Сообщение от Eugen Tsalapov Посмотреть сообщение
    Цитата:
    Сообщение от PKZX:
    помеха по питалову (в т.ч. обратная наводка по "земле" от телевизора);
    это б я поставил на саааамое последнее место.
    Дык того, я ж не в порядке вероятности, а тупо списьком Кстати забыл написать свою излюбленную тему про частоту несущей

  9. #48

    Регистрация
    30.08.2009
    Адрес
    г. Луганск
    Сообщений
    841
    Спасибо Благодарностей отдано 
    0
    Спасибо Благодарностей получено 
    0
    Поблагодарили
    0 сообщений
    Mentioned
    0 Post(s)
    Tagged
    0 Thread(s)

    По умолчанию

    PKZX, а ты про диффернециальная фаза ))) я помню

    ---------- Post added at 03:34 ---------- Previous post was at 03:32 ----------

    зы. напишу. РТ4 глюки. что не реально потерять один бит , чтоб иметь глюки?

    ---------- Post added at 03:37 ---------- Previous post was at 03:34 ----------

    кстати, мысль. а ТС какчество дорожек проверял? может при кажущейся простоте печатки имеется микротрещина

    ---------- Post added at 03:57 ---------- Previous post was at 03:37 ----------

    Цитата Сообщение от PKZX Посмотреть сообщение
    ИМХО - качественнее эта шняга работать не будет, по определению!
    PKZX, а мы как грузинские пионеры, сами создаем себе припятствие, а потом героически его преодоливаем.

    з.ы. грузинский народ я уважаю. и этим высказыванием никого не хочу обидеть или унизить. пошутилка юмора такая
    Последний раз редактировалось Eugen; 13.03.2010 в 04:49.

  10. #49

    Регистрация
    11.02.2005
    Адрес
    Москва
    Сообщений
    3,789
    Спасибо Благодарностей отдано 
    0
    Спасибо Благодарностей получено 
    4
    Поблагодарили
    4 сообщений
    Mentioned
    0 Post(s)
    Tagged
    0 Thread(s)

    По умолчанию

    Цитата Сообщение от Eugen Tsalapov Посмотреть сообщение
    а муар не может образовываться из-за не достаточного уровня видео сигнала, просажеемого яркостным сигналом?
    ИМХО нет . Говёные кабели и покруче сигнал садят .
    Я всё больше склоняюсь к кривой вспышке , вероятно из-за не совсем корректного (для данного случая) гашения .

    ИМХО Ввиду того что давайс юзают в генераторах ТВ сигнала , то фунцеклировать он должен чуть лучше чем нормально
    Спек128 - испанская выдумка, навязанная Сэру Клайву. © Shaos
    REAL HARDWARE MUST LIVE ! - http://SBLive.narod.ru/ZX-Spectrum/

  11. #50

    Регистрация
    27.02.2009
    Адрес
    Москва (Нальчик)
    Сообщений
    75
    Спасибо Благодарностей отдано 
    0
    Спасибо Благодарностей получено 
    0
    Поблагодарили
    0 сообщений
    Mentioned
    0 Post(s)
    Tagged
    0 Thread(s)

    По умолчанию

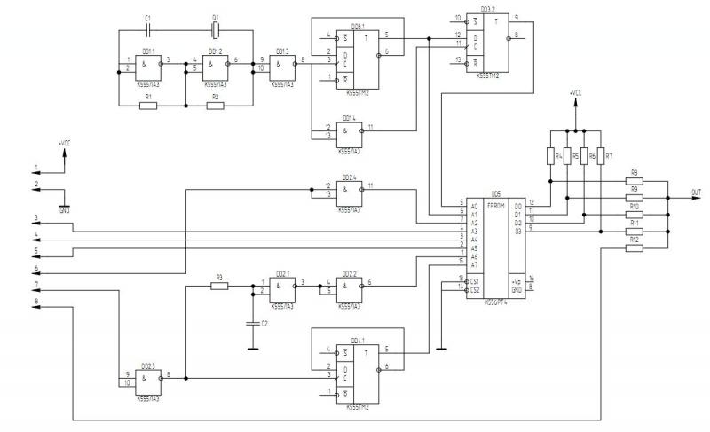
    В общем предлагаю RST 0 собраться силами и сделать последний эксперимент:

    1) отпаять от платы сигнал BRIGHT, вместо него припаять GND;
    2) у микросхемы ЛА3 (DD2 по моей схеме, IC2 по схеме FAN'а) разорвать дорогу соединяющую ноги 1 и 2;
    3) убрать перемычку замыкающую резистор (R3 по моей схеме, R11 по схеме FAN'а), убедиться что данный резистор цел и имеет сопротивление порядка 2 КОм;
    4) убедиться что конденсатор, подключенный к ноге 1 вышеупомянутой микросхемы имеет ёмкость не более 6,8 нФ (6800 пФ), если больше - пока выпаиваем нафик!

    в принципе на первом этапе наверное не стоит снимать перемычку с резистора, достаточно просто удалить конденсатор...


    5) на освободившуюся от соединений ногу 2 вышеупомянутой микросхемы подключаем сигнал "Н5" с платы компа, взять можно либо на 11н. D10 (ИЕ19), либо на 9н. D13 (ЛЕ1);
    6) включаем, возможно радуемся клёвой картинке , в любом случае фоткаем результат и кладём сюда!

    Иллюстрация:
    Нажмите на изображение для увеличения. 

Название:	PCB_bottom.jpg 
Просмотров:	416 
Размер:	64.2 Кб 
ID:	16576

    немного поправил
    Последний раз редактировалось PKZX; 13.03.2010 в 13:11.

Страница 5 из 11 ПерваяПервая 123456789 ... ПоследняяПоследняя

Информация о теме

Пользователи, просматривающие эту тему

Эту тему просматривают: 1 (пользователей: 0 , гостей: 1)

Похожие темы

  1. Нужен совет
    от Conan в разделе Разный софт
    Ответов: 15
    Последнее: 10.03.2010, 22:47
  2. Квазидиск на SRAM (нужен совет)
    от dk_spb в разделе Вектор
    Ответов: 10
    Последнее: 08.02.2010, 10:25
  3. Нужен совет/помощь в прошивании flash 28F400. Help!
    от Evgeny Muchkin в разделе Память
    Ответов: 6
    Последнее: 26.12.2007, 10:11

Ваши права

  • Вы не можете создавать новые темы
  • Вы не можете отвечать в темах
  • Вы не можете прикреплять вложения
  • Вы не можете редактировать свои сообщения
  •