Важная информация

User Tag List

Страница 37 из 47 ПерваяПервая ... 333435363738394041 ... ПоследняяПоследняя
Показано с 361 по 370 из 461

Тема: KAY - разводка печатной платы

  1. #361
    ZEK
    Гость

    По умолчанию

    Давайте сделаем простую доработку в одну дорогу, выведем INT с 10 ноги DD53 на слот NEMO-BUS (можно даже на один) в какой нить неиспользуемый пин
    появится возможность нормально перехватывать INT

  2. #361
    С любовью к вам, Yandex.Direct
    Размещение рекламы на форуме способствует его дальнейшему развитию

  3. #362

    Регистрация
    22.01.2005
    Адрес
    Moscow
    Сообщений
    2,250
    Спасибо Благодарностей отдано 
    42
    Спасибо Благодарностей получено 
    282
    Поблагодарили
    109 сообщений
    Mentioned
    1 Post(s)
    Tagged
    0 Thread(s)

    По умолчанию

    Цитата Сообщение от Alex_NEMO Посмотреть сообщение
    в чем "фишка" такого варианта, в отличие от "штатного"?
    В ваниатре Камиля меньше задержка яркостного (Y) сиграла относительно RGB. В "штатном" это два элемента логики, к тому же выход с ОК будет работать на емкостную нагрузку (провода и вход телевизора и монитора). Результатом могут быть тонкие вертикальные полоски (яркие или темные) на границах раздела знакомест.

  4. #363

    Регистрация
    24.01.2009
    Адрес
    Камышин
    Сообщений
    1,407
    Спасибо Благодарностей отдано 
    130
    Спасибо Благодарностей получено 
    10
    Поблагодарили
    7 сообщений
    Mentioned
    0 Post(s)
    Tagged
    0 Thread(s)

    По умолчанию

    Цитата Сообщение от Conan Посмотреть сообщение
    В ваниатре Камиля меньше задержка яркостного (Y) сиграла относительно RGB. В "штатном" это два элемента логики, к тому же выход с ОК будет работать на емкостную нагрузку (провода и вход телевизора и монитора). Результатом могут быть тонкие вертикальные полоски (яркие или темные) на границах раздела знакомест.
    Тогда туда бы и ЛП9, по идее, подошли бы, только опять же, Sync инвертировать надо! А если туда не 155, а что нить из 1533 воткнуть "с повышенной нагрузочной...", например, 1533ЛН8? У них быстродействие-то получше будет!
    Speccy-2007 + 48k(пока) + TR-DOS + ZX-VGA
    KAY-1024 v2010/SDCard HxC Floppy Emulator/Epson SD-700/ZX-VGA/.....

  5. #364

    Регистрация
    22.01.2005
    Адрес
    Moscow
    Сообщений
    2,250
    Спасибо Благодарностей отдано 
    42
    Спасибо Благодарностей получено 
    282
    Поблагодарили
    109 сообщений
    Mentioned
    1 Post(s)
    Tagged
    0 Thread(s)

    По умолчанию

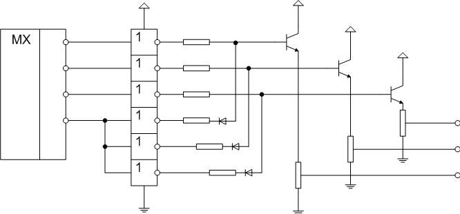
    Мои пожелания:
    1. Замешивать Y c RGB без задержек относительно друг друга (что бы избежать вертикальных полосок на границах атрибутов).
    2. Индивидуальные формирователи Y для каждого цвета (что бы цвета не влияли друг на друга).
    3. Замешивать Y c RGB до буферных транзисторов (что бы нагрузка не влияла на цвета).
    4. Использовать выходные формирователи КМОП. (выходные уровни ТТЛ(Ш) менее предсказуемы).
    5. Пропускать выходной RGBY через регистр, тактируемый с частотой сдвига пикселей (что бы избежать мусора на экране от различных задержек выходных мультиплексоров).

    В "штатной" схеме выполняется только П.2.

    Если разрабатывать схему сейчас и не сильно привязываться к элементам, можно сделать так:
    использовать мультиплексор с инверсией на выходе, за ним поставить формирователь КМОП (например, 561ЛН2), за ней смеситель (2х3 резистора и 3 диода), а за ним эмитерные повторители с подстроечными резисторами. Это решит проблемы П.1-П.4.

    P.S. При желании выходной формирователь КМОП можно запитать через отдельный стабилизатор (или стабилитрон с резистором и конденсатором). Это избавит от "мусора" на экране, при использовании не слишком качественных импульсных блоков питания.



    ---------- Post added at 13:09 ---------- Previous post was at 13:07 ----------

    Цитата Сообщение от caro Посмотреть сообщение
    Основная "фишка" в том, что на изображениях пропадает эффект движущихся за спрайтами "теней" из-за наличия в "штатной" схеме не 15, а 16 цветов (я имею ввиду кроме белого и черного еще и серого, которого в фирменном Спектруме нет).
    В "штатной" схеме для подмешивания Y используются элементы с открытым коллектором, подтянутые к "земле", поэтому там так же нет "яркого черного" (серого). Поэтому там тоже 15 цветов.
    Последний раз редактировалось Conan; 12.08.2010 в 13:15.

  6. #365

    Регистрация
    14.01.2005
    Адрес
    Ekaterinburg
    Сообщений
    2,726
    Спасибо Благодарностей отдано 
    19
    Спасибо Благодарностей получено 
    148
    Поблагодарили
    91 сообщений
    Mentioned
    0 Post(s)
    Tagged
    0 Thread(s)

    По умолчанию

    Цитата Сообщение от Conan
    В "штатной" схеме для подмешивания Y используются элементы с открытым коллектором, подтянутые к "земле", поэтому там так же нет "яркого черного" (серого). Поэтому там тоже 15 цветов.
    Да, сообразил уже. Снимаю своё предложение.

  7. #366
    ZEK
    Гость

    По умолчанию

    NEMO BDI допилить надо
    вставить джампер которым перебрасывать системный сброс либо на ногу R D14.2 (она сейчас сюда идет) либо через диод на ногу S этого же триггера.
    Даст возможность по старту попадать в KRAMIS и из него выходить нормально в 128меню и TR-DOS. Если допилят ГЛЮК то и с него можно будет стартовать
    Последний раз редактировалось ZEK; 12.08.2010 в 13:45.

  8. #367

    Регистрация
    24.01.2009
    Адрес
    Камышин
    Сообщений
    1,407
    Спасибо Благодарностей отдано 
    130
    Спасибо Благодарностей получено 
    10
    Поблагодарили
    7 сообщений
    Mentioned
    0 Post(s)
    Tagged
    0 Thread(s)

    По умолчанию

    Цитата Сообщение от Conan Посмотреть сообщение

    Мои пожелания:
    1. Замешивать Y c RGB без задержек относительно друг друга (что бы избежать вертикальных полосок на границах атрибутов).
    2. Индивидуальные формирователи Y для каждого цвета (что бы цвета не влияли друг на друга).
    3. Замешивать Y c RGB до буферных транзисторов (что бы нагрузка не влияла на цвета).
    4. Использовать выходные формирователи КМОП. (выходные уровни ТТЛ(Ш) менее предсказуемы).
    5. Пропускать выходной RGBY через регистр, тактируемый с частотой сдвига пикселей (что бы избежать мусора на экране от различных задержек выходных мультиплексоров).

    В "штатной" схеме выполняется только П.2.

    Если разрабатывать схему сейчас и не сильно привязываться к элементам, можно сделать так:
    использовать мультиплексор с инверсией на выходе, за ним поставить формирователь КМОП (например, 561ЛН2), за ней смеситель (2х3 резистора и 3 диода), а за ним эмитерные повторители с подстроечными резисторами. Это решит проблемы П.1-П.4.

    P.S. При желании выходной формирователь КМОП можно запитать через отдельный стабилизатор (или стабилитрон с резистором и конденсатором). Это избавит от "мусора" на экране, при использовании не слишком качественных импульсных блоков питания.
    Conan, а схемку, хотя бы набросок от руки?!!

    ---------- Post added at 14:24 ---------- Previous post was at 14:21 ----------

    Цитата Сообщение от ZEK Посмотреть сообщение
    NEMO BDI допилить надо
    вставить джампер которым перебрасывать системный сброс либо на ногу R D14.2 (она сейчас сюда идет) либо через диод на ногу S этого же триггера.
    Даст возможность по старту попадать в KRAMIS и из него выходить нормально в 128меню и TR-DOS. Если допилят ГЛЮК то и с него можно будет стартовать
    Дама, фрагментик схемки, ПЛС!!! Про 10н.(S) не совсем понял, то что на неё приходит, тогда когда на неё /RES подали - куда? И то же про 13н.(R) в этом же случае?
    Speccy-2007 + 48k(пока) + TR-DOS + ZX-VGA
    KAY-1024 v2010/SDCard HxC Floppy Emulator/Epson SD-700/ZX-VGA/.....

  9. #368

    Регистрация
    15.06.2006
    Адрес
    S.Pb
    Сообщений
    5,791
    Спасибо Благодарностей отдано 
    0
    Спасибо Благодарностей получено 
    7
    Поблагодарили
    6 сообщений
    Mentioned
    0 Post(s)
    Tagged
    0 Thread(s)

    По умолчанию

    Да, и ещё , если есть свободный повторитель, то сделать чтоб по NMI сбрасывался AY, а не застрявал на одной ноте

  10. #369

    Регистрация
    22.01.2005
    Адрес
    Moscow
    Сообщений
    2,250
    Спасибо Благодарностей отдано 
    42
    Спасибо Благодарностей получено 
    282
    Поблагодарили
    109 сообщений
    Mentioned
    1 Post(s)
    Tagged
    0 Thread(s)

    По умолчанию

    Цитата Сообщение от Alex_NEMO Посмотреть сообщение
    Conan, а схемку, хотя бы набросок от руки?!!
    Примерно вот так:
    Миниатюры Миниатюры Нажмите на изображение для увеличения. 

Название:	RGBYc.jpg 
Просмотров:	293 
Размер:	18.0 Кб 
ID:	19885  

  11. #370

    Регистрация
    11.04.2009
    Адрес
    г. Санкт-Петербург
    Сообщений
    3,603
    Записей в дневнике
    15
    Спасибо Благодарностей отдано 
    19
    Спасибо Благодарностей получено 
    67
    Поблагодарили
    52 сообщений
    Mentioned
    1 Post(s)
    Tagged
    1 Thread(s)

    По умолчанию

    Цитата Сообщение от Conan Посмотреть сообщение
    Мои пожелания:
    1. Замешивать Y c RGB без задержек относительно друг друга (что бы избежать вертикальных полосок на границах атрибутов).
    2. Индивидуальные формирователи Y для каждого цвета (что бы цвета не влияли друг на друга).
    3. Замешивать Y c RGB до буферных транзисторов (что бы нагрузка не влияла на цвета).
    4. Использовать выходные формирователи КМОП. (выходные уровни ТТЛ(Ш) менее предсказуемы).
    5. Пропускать выходной RGBY через регистр, тактируемый с частотой сдвига пикселей (что бы избежать мусора на экране от различных задержек выходных мультиплексоров).

    В "штатной" схеме выполняется только П.2.

    Если разрабатывать схему сейчас и не сильно привязываться к элементам, можно сделать так:
    использовать мультиплексор с инверсией на выходе, за ним поставить формирователь КМОП (например, 561ЛН2), за ней смеситель (2х3 резистора и 3 диода), а за ним эмитерные повторители с подстроечными резисторами. Это решит проблемы П.1-П.4.

    P.S. При желании выходной формирователь КМОП можно запитать через отдельный стабилизатор (или стабилитрон с резистором и конденсатором). Это избавит от "мусора" на экране, при использовании не слишком качественных импульсных блоков питания.



    ---------- Post added at 13:09 ---------- Previous post was at 13:07 ----------

    В "штатной" схеме для подмешивания Y используются элементы с открытым коллектором, подтянутые к "земле", поэтому там так же нет "яркого черного" (серого). Поэтому там тоже 15 цветов.
    Конструктор VGA&PAL, базовый вариант стоит 550р. Устраняет все вышеперечисленные недостатки. Можно переключать вывод VGA (50 и 60 Гц)/SCART. ALEX_NEMO уже весь отпуск истратил на доработки, а это больше 550 руб.


    А все предложенные доработки оставить на будущий идеальный компьютер. Лучше многоплатный на базе КАЯ. Тогда каждую плату по отдельности можно будет довести до совершенства.
    Я бы предложил вообще убрать транзисторы. С ПЛИС можно подавать напрямую через резисторы - качество при уровне сигналов 0.7 в должно быть выше.

    Лучше видеоконтроллер выделить в отдельную плату. На ней видеоОЗУ, в которое процессор только пишет. А считывает с экрана из основного ОЗУ. Тогда можно взять ПЛИС тип EPM3128, статическое ОЗУ и генератор 14 МГц на инверторах. При этом из схемы KAY и любых других клонов можно убрать генератор, счетчики, мультиплексоры, динамическое ОЗУ, регистры сдвига, транзиторы, то есть все то, что преобразовавает картинку из ОЗУ в телевизионный сигнал.

    Пора бы уже заказывать платы, а то клон так и не родится...

    В многоплатном варианте каждая плата получилась бы простая. А не как на общей плате - месиво из дорожек. Чтобы что-то переделать - надо переразвести пол-платы.

    Товарищи, Conan, ZEK, БК - довайте разработаем идеальный клон. У вас есть идеи. Выберите по блоку, который вам больше нравится. Единственное - критерий для доработки должен быть. Лучше чтобы это было повышение совместимости с игровыми программами и удобство работы на компьютере. Всякие командеры лучше запускать на PC, если они не могут запускать игры с SD, то от них сейчас пользы мало.
    Последний раз редактировалось zx-kit; 12.08.2010 в 15:26.
    "L-256"

Страница 37 из 47 ПерваяПервая ... 333435363738394041 ... ПоследняяПоследняя

Информация о теме

Пользователи, просматривающие эту тему

Эту тему просматривают: 1 (пользователей: 0 , гостей: 1)

Похожие темы

  1. Ответов: 4
    Последнее: 27.12.2009, 12:58
  2. кто поделится печатной платой спеки
    от telnet в разделе Творчество
    Ответов: 4
    Последнее: 06.11.2009, 23:55
  3. платы от ДВК
    от mbojenov в разделе Барахолка (архив)
    Ответов: 1
    Последнее: 04.07.2009, 12:22
  4. Платы от ДВК
    от mbojenov в разделе Барахолка (архив)
    Ответов: 12
    Последнее: 03.01.2008, 20:09

Ваши права

  • Вы не можете создавать новые темы
  • Вы не можете отвечать в темах
  • Вы не можете прикреплять вложения
  • Вы не можете редактировать свои сообщения
  •