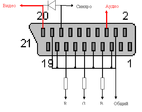
Вот мой шнур RCA-RGB-SCART. У меня им к телеку подключен сразу и Спек по RGB и Сега по композиту. На схеме вид на сам разъем SCART изнутри (т.е. там, где будешь подпаиваться). Красным цветом выделены провода (видео и аудио), которые изначально присутствуют на стандартном шнуре 2RCA-SCART. Если композитный вход не нужен, то диод можно выкинуть, а выводы SCARTa куда он подключен соединить вместе. Диод вроде бы надо ставить германиевый, однако я всунул первый попавшийся под руку КД521, и все нормально пашет. Резисторы могут быть от 100 до 500 Ом (у меня 330), их номинал зависит от конкретного телевизора и конкретного Спека (может быть ситуация, что из-за слишком больших сигналов телек будет неправильно отображать цвета).
Недостаток данной схемы в том, что если у Спектрума неисправен выход синхры, то на телевизоре ничего не будет показываться. Об этом надо помнить при подключении Спектрума неизвестной работоспособности.
Шнур опробован на трех телеках (GoldStar, Thomson и Philips) и девяти различных реалах - всё четко.
Подробно о назначении сигналов на SCARTe можно посмотреть тут


Ответить с цитированием