Важная информация

User Tag List

Страница 123 из 197 ПерваяПервая ... 119120121122123124125126127 ... ПоследняяПоследняя
Показано с 1,221 по 1,230 из 1964

Тема: -=Speccy2010=- сборка, наладка, тестинг

  1. #1221

    Регистрация
    25.10.2010
    Адрес
    Екатеринбург
    Сообщений
    39
    Спасибо Благодарностей отдано 
    0
    Спасибо Благодарностей получено 
    0
    Поблагодарили
    0 сообщений
    Mentioned
    0 Post(s)
    Tagged
    0 Thread(s)

    По умолчанию

    а можно сделать такой же эффект ? http://www.youtube.com/watch?v=x1o_Tr8jq3I
    насколько понимаю это триколор только без мерцания.
    Speccy2010 v1.00

  2. #1222

    Регистрация
    03.01.2006
    Адрес
    Рязань
    Сообщений
    2,935
    Спасибо Благодарностей отдано 
    0
    Спасибо Благодарностей получено 
    1
    Поблагодарили
    1 сообщение
    Mentioned
    0 Post(s)
    Tagged
    0 Thread(s)

    По умолчанию

    Это дваколор и с мерцанием.

  3. #1223

    Регистрация
    25.10.2010
    Адрес
    Екатеринбург
    Сообщений
    39
    Спасибо Благодарностей отдано 
    0
    Спасибо Благодарностей получено 
    0
    Поблагодарили
    0 сообщений
    Mentioned
    0 Post(s)
    Tagged
    0 Thread(s)

    По умолчанию

    Цитата Сообщение от alone Посмотреть сообщение
    Это дваколор и с мерцанием.
    ну пусть будет дваколор. в комментах читал что в каком то эмуле есть фича которая убирает мерцание.
    Speccy2010 v1.00

  4. #1224

    Регистрация
    25.01.2012
    Адрес
    г. Днепропетровск, Украина
    Сообщений
    31
    Спасибо Благодарностей отдано 
    0
    Спасибо Благодарностей получено 
    4
    Поблагодарили
    3 сообщений
    Mentioned
    0 Post(s)
    Tagged
    0 Thread(s)

    По умолчанию

    Сразу, как только я обзавелся Speccy2010, начал гонять на нем различные тесты и был озадачен тем, что самый показательный (для меня) "TEST128-1 Андрей Хахонов" (http://sblive.narod.ru/ZX-Spectrum/DUET/TEST128.rar) зависал наглухо уже на первых этапах. В работоспособности теста сомнений не было - обкатан еще в 90ых, в надежности железа Speccy2010 тоже особо не сомневался - из всего, что запускал, не работал только "TEST128-1". Появилось жуткое желание разобраться в чем причина. Недавно занялся таки этим вплотную и вот что получилось.

    В "TEST128-1", для защиты копирайта, используются недокументированные команды Z80 "SLI r,(IY+s)" (opcode: FD_CB_32_32 и FD_CB_01_07). Как оказалось, в Speccy2010 revision66(http://speccy2010.googlecode.com/svn/trunk/), в VHDL модели T80, команды этой группы не реализованы. Пришлось познакомиться с квактусом. Здесь(см. вложения) были найдены исходники T80, с поддержкой нужных опкодов. Путем нехитрых манипуляций, их обработка была добавлена в модель T80 для Speccy2010 revision66. Долгожданный результат был достигнут c первого раза: "TEST128-1" заработал и я любовался ностальгическим "мусором" в экраной области с измяняющимся цветом бордюра . Только теперь это все работает на двух с половиной микросхемах!!! . Не упущу возможность в очередной раз выразить благодорность syd'у за разработку Speccy2010!

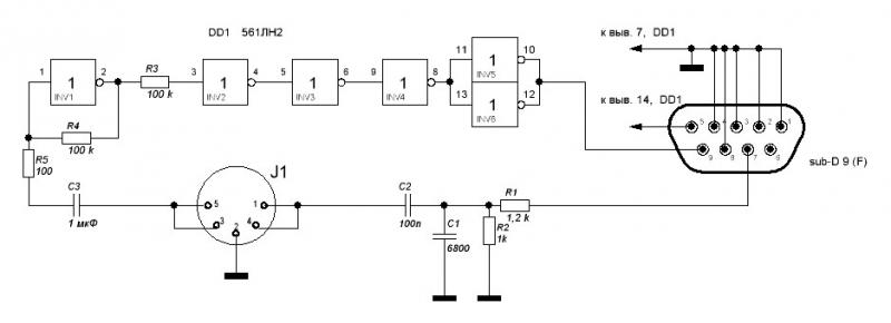
    Единственный смущавший меня момент в Speccy2010 был устранен, но желание покопаться дальше не пропало. Встречал в этой теме пожелание иметь возможность подключения реального патифона. Реализовать это в FPGA оказалось не так уж и сложно. Сложнее было решить, куда подключить эти сигналы на плате. По ряду привлекательных обстоятельств, решил использовать для этого разъем джойстика XP3:
    1. На pin1,2,3,4 подать GND с pin8 - переключение функции порта с джойстика на TapeIO и переключение обработки TapeIn c виртуального на реальный патифон;
    2. Pin5(+5V) и pin8(GND) - питание усилителя сигнала с патифона;
    3. Pin7 - TapeOut;
    4. Pin9 - TapeIn.
    Для проверки использовал схему усилителя TapeIn от Ленинграда2 на 561ЛН2 - работает. TapeOut не проверял, только убедился, при помощи осциллографа, в присутствии на pin7 дискретного сигнала.

    В прикрепленных файлах исходники и рабочий файл speccy2010.rbf:
    Speccy2010_fpga_undocXY.zip: Speccy2010 revision66 + обработка вышеописанных опкодов.
    Speccy2010_fpga_undocXY+TapeIO.zip: то же + TapeIn, TapeOut.
    T80_FixesFromPaceDev.zip - архив с исходниками Т80, скачанных отсюда:https://svn.pacedev.net/repos/pace/s...onent/cpu/t80/ (Переход по этой ссылке сперва ругается а сертификат, а далее попадаем на страницу с исходниками. Прикрепил архив к сообщению.)
    Может кому пригодится.
    Вложения Вложения
    Последний раз редактировалось acx; 16.03.2013 в 00:19. Причина: корректировка ссылок

    Эти 2 пользователя(ей) поблагодарили acx за это полезное сообщение:

    Egal(15.11.2021), wan-derer.ru(01.08.2019)

  5. #1225

    Регистрация
    25.01.2012
    Адрес
    г. Днепропетровск, Украина
    Сообщений
    31
    Спасибо Благодарностей отдано 
    0
    Спасибо Благодарностей получено 
    4
    Поблагодарили
    3 сообщений
    Mentioned
    0 Post(s)
    Tagged
    0 Thread(s)

    По умолчанию

    Вынес в отдельное сообщение.
    После инсталляции квактуса (9.1 build 222 x64) первым делом, не меняя никаких настроек, скомпиллировал исходники(http://speccy2010.googlecode.com/svn/trunk/) Speccy2010 и получил рабочий файл speccy2010.rbf для EP2C8Q208C8N, отличающийся от скачанного в архиве speccy2010-bin-20111106-rev0064.7z. Это никоим образом меня не смутило, но открылось одно обстоятельство.

    При работе с файлом для 8N, из архива rev0064, например, в игрушке "Riveraid", на экране проявляются артефакты, похожие на описанные point777: http://zx.pk.ru/showpost.php?p=566908&postcount=1218. Также повторилась и ситуация с "тестом 0.9", описанная savelij: http://zx.pk.ru/showthread.php?t=12425&page=120. Все это также устраняется при использовании файла speccy2010.rbf для 7N вместо 8N из того же архива. Так вот полученный мной при компиляции файл speccy2010.rbf дал такой же эфект как и файл для 7N из архива!?! Артефакты в "Riveraid" отсутствуют, "тест 0.9" проходит, другие проги как работали так и работают.

    Возникает предположение, что файл для 8N из архива rev0064, возможно, был как-то ~неудачно~ скомпиллирован? Или вышеописанные ситуации единичны и присущи только некоторым экземплярам плат / партии микросхем?

    У кого есть возможность, проверьте пожалуйста на своих Speccy2010 как работают вышеупомянутые "Riveraid"(во вложении) и "тест 0.9":http://dlcorp.nedopc.com/viewtopic.php?p=14840#p14840. Интересует: существуют ли Speccy2010, с установленной EP2C8Q208C8N, на которых эти программы нормально работают с файлом speccy2010.rbf для EP2C8Q208C8N из архива: http://code.google.com/p/speccy2010/...102-rev0064.7z ?

    Может кому будет интересно проверить, прикрепляю вышеописанный, скомпилированный мной из исходников, файл speccy2010.rbf для EP2C8Q208C8N.

    P.S. Что-бы из вышеописанного ни у кого не создалось ложное писсимистическое впечатление, выражу свое личное мнение о Speccy2010 двумя словами: "замечательная весчь"!!! Практически все, что довелось запускать, отлично работает. За оооочень редким исключением, которое скорее из разряда "еще нужно поискать".
    Вложения Вложения
    Последний раз редактировалось acx; 15.03.2013 в 23:12. Причина: корректировка ссылок

    Этот пользователь поблагодарил acx за это полезное сообщение:

    wan-derer.ru(01.08.2019)

  6. #1226

    Регистрация
    30.05.2007
    Адрес
    г. Лянтор, Сургутского р-на, ХМАО
    Сообщений
    4,436
    Спасибо Благодарностей отдано 
    163
    Спасибо Благодарностей получено 
    190
    Поблагодарили
    121 сообщений
    Mentioned
    5 Post(s)
    Tagged
    0 Thread(s)

    По умолчанию

    "Riveraid" не скачиваеЦЦа - согласен битая ссылка. На гугле и народ никогда не регистрировался.

    Кстати, acx, а почему у тебя все ссылки (кроме атачей) не рабочие, не достоверные источники и т.д. Полное ощущение что у тебя нет антивирусов и ты самый старый IE юзаешь.
    Последний раз редактировалось fifan; 27.02.2013 в 20:13.

  7. #1227

    Регистрация
    13.07.2007
    Адрес
    Москва
    Сообщений
    598
    Спасибо Благодарностей отдано 
    17
    Спасибо Благодарностей получено 
    39
    Поблагодарили
    18 сообщений
    Mentioned
    0 Post(s)
    Tagged
    0 Thread(s)

    По умолчанию

    acx, Я правильно понял, нужно сделать переходник, залить на карточку новую прошивку, и все должно работать (с магнитофоном)?
    http://photo.qip.ru/users/zxfan72/20...08/full_image/
    Миниатюры Миниатюры Нажмите на изображение для увеличения. 

Название:	Доработка-800.jpg 
Просмотров:	439 
Размер:	21.4 Кб 
ID:	40108  
    Последний раз редактировалось Andrey F; 28.02.2013 в 13:13.

  8. #1228

    Регистрация
    25.01.2012
    Адрес
    г. Днепропетровск, Украина
    Сообщений
    31
    Спасибо Благодарностей отдано 
    0
    Спасибо Благодарностей получено 
    4
    Поблагодарили
    3 сообщений
    Mentioned
    0 Post(s)
    Tagged
    0 Thread(s)

    По умолчанию

    Andrey F, да, поняли правильно.
    по "переходнику": R1R2C1C2 для TapeOut не собирал - ничего конкретного сказать не могу. С3 ставил 0.1uF. В остальном вроде все верно.

    Файл speccy2010.rbf, из архива Speccy2010_fpga_undocXY+TapeIO.zip, нужно записать в корневой каталог SDcard.
    Последний раз редактировалось acx; 28.02.2013 в 17:44.

  9. #1229

    Регистрация
    07.11.2006
    Адрес
    Rivne, Ukraine
    Сообщений
    95
    Спасибо Благодарностей отдано 
    7
    Спасибо Благодарностей получено 
    2
    Поблагодарили
    1 сообщение
    Mentioned
    0 Post(s)
    Tagged
    0 Thread(s)

    По умолчанию

    Цитата Сообщение от zebest Посмотреть сообщение
    у мну в прошивке можно выбирать из трех файлов -speccy2010.rbf\speccy2011.rbf\speccy2012.rbf - без переименования. В авторской прошивке вроде тоже есть такая возможность (с любым именем), вроде тоже работать должна, но утверждать не могу, пользуюсь своим вариантом.
    Может поделитесь своими прошивками?

    ---------- Post added at 14:40 ---------- Previous post was at 14:39 ----------

    Цитата Сообщение от acx Посмотреть сообщение
    zebest, спасибо! Именно такая информация меня и интересовала. Значит буду считать, что причина кроется где-то в недрах моего экземпляра Speccy2010.
    Нигде не могу найти сообщение на которое Вы ссылаетесь.
    О чем писал zebest?

  10. #1230

    Регистрация
    29.05.2010
    Адрес
    Киев
    Сообщений
    77
    Спасибо Благодарностей отдано 
    0
    Спасибо Благодарностей получено 
    1
    Поблагодарили
    1 сообщение
    Mentioned
    0 Post(s)
    Tagged
    0 Thread(s)

    По умолчанию

    Цитата Сообщение от acx Посмотреть сообщение
    Может кому будет интересно проверить, прикрепляю вышеописанный, скомпилированный мной из исходников, файл speccy2010.rbf для EP2C8Q208C8N.
    Прошу выложить скомпилированный для EP2C8Q208C7N. Спасибо.
    ZX-Evolution 4096 rev. C4

Страница 123 из 197 ПерваяПервая ... 119120121122123124125126127 ... ПоследняяПоследняя

Информация о теме

Пользователи, просматривающие эту тему

Эту тему просматривают: 1 (пользователей: 0 , гостей: 1)

Похожие темы

  1. Pentevo/ZX Evolution - сборка и наладка
    от Ewgeny7 в разделе ZXEvo
    Ответов: 1267
    Последнее: 28.01.2025, 08:14
  2. Гамма-2 - сборка и наладка
    от CodeMaster в разделе Несортированное железо
    Ответов: 72
    Последнее: 16.10.2023, 23:26
  3. Speccy2007 - сборка и наладка
    от zx-kit в разделе Speccy-2007/2010
    Ответов: 178
    Последнее: 18.10.2017, 02:32
  4. Pentevo/ZX Evolution revision A - тестинг
    от AAA в разделе ZXEvo
    Ответов: 354
    Последнее: 25.03.2010, 23:45
  5. Sprinter. Сборка и наладка
    от Ewgeny7 в разделе Sprinter
    Ответов: 10
    Последнее: 18.02.2010, 07:49

Ваши права

  • Вы не можете создавать новые темы
  • Вы не можете отвечать в темах
  • Вы не можете прикреплять вложения
  • Вы не можете редактировать свои сообщения
  •