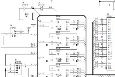
Привет. Пытаюсь запрограммировать W27C512. Для стирания рекомендуется устанавливать перемычку, после стирания снимать. Согласно схеме установка перемычки подает Vpp на A9 микросхемы. Как это поможет в стирании? Кусок схемы и выдержку из документа о джамперах прилагаю.




Ответить с цитированием
Размещение рекламы на форуме способствует его дальнейшему развитию 
