User Tag List

Страница 20 из 33 ПерваяПервая ... 161718192021222324 ... ПоследняяПоследняя
Показано с 191 по 200 из 329

Тема: simm 30/72

  1. #191

    Регистрация
    19.02.2010
    Адрес
    Энергодар
    Сообщений
    1,187
    Спасибо Благодарностей отдано 
    8
    Спасибо Благодарностей получено 
    27
    Поблагодарили
    22 сообщений
    Mentioned
    1 Post(s)
    Tagged
    0 Thread(s)

    По умолчанию

    Да ты прав...бордюр востановился...

    ---------- Post added at 00:27 ---------- Previous post was at 00:27 ----------

    тест стабилен

  2. #192

    Регистрация
    08.05.2007
    Адрес
    Dnepropetrovsk
    Сообщений
    1,089
    Спасибо Благодарностей отдано 
    281
    Спасибо Благодарностей получено 
    70
    Поблагодарили
    49 сообщений
    Mentioned
    3 Post(s)
    Tagged
    0 Thread(s)

    По умолчанию

    Ну что ж, с РУшками мы провели достаточно испытаний, можно восстанавливать симм. Только прежде погоняй еще тест с рушками хотя бы часик, чтобы не осталось никаких сомнений в работоспособности текущей схемы с последними изменениями.

    После восстановления симм должен заработать от C3 в качестве /CAS без задержки. На спор

  3. #193

    Регистрация
    19.02.2010
    Адрес
    Энергодар
    Сообщений
    1,187
    Спасибо Благодарностей отдано 
    8
    Спасибо Благодарностей получено 
    27
    Поблагодарили
    22 сообщений
    Mentioned
    1 Post(s)
    Tagged
    0 Thread(s)

    По умолчанию

    понял...через 40 минут если тест будет стабилен поставлю СиММ..

    ---------- Post added at 00:59 ---------- Previous post was at 00:36 ----------

    Подключил 1 вывод дополнительной ир22 к \WE..тест стабильно работает..

  4. #194

    Регистрация
    08.05.2007
    Адрес
    Dnepropetrovsk
    Сообщений
    1,089
    Спасибо Благодарностей отдано 
    281
    Спасибо Благодарностей получено 
    70
    Поблагодарили
    49 сообщений
    Mentioned
    3 Post(s)
    Tagged
    0 Thread(s)

    По умолчанию

    Цитата Сообщение от oracleua Посмотреть сообщение
    Подключил 1 вывод дополнительной ир22 к \WE..тест стабильно работает..
    Без симма этот регистр вообще ни на что не влияет, так что симм подключай, тогда и посмотрим! Я на сегодня отключаюсь.

  5. #195

    Регистрация
    19.02.2010
    Адрес
    Энергодар
    Сообщений
    1,187
    Спасибо Благодарностей отдано 
    8
    Спасибо Благодарностей получено 
    27
    Поблагодарили
    22 сообщений
    Mentioned
    1 Post(s)
    Tagged
    0 Thread(s)

    По умолчанию

    Заработало от CAS на С3..тест128 проходит пока без ошибок..

    ---------- Post added at 03:20 ---------- Previous post was at 03:15 ----------

    тест 1024 ошибка памяти..

  6. #196

    Регистрация
    19.02.2010
    Адрес
    Энергодар
    Сообщений
    1,187
    Спасибо Благодарностей отдано 
    8
    Спасибо Благодарностей получено 
    27
    Поблагодарили
    22 сообщений
    Mentioned
    1 Post(s)
    Tagged
    0 Thread(s)

    По умолчанию

    тест 1024 с ошибками
    тест 256 без ошибок
    Заметь что при тесте 1024 в области 256 есть ошибки
    но при тесте 256 их нет..
    Последний раз редактировалось oracleua; 14.04.2011 в 14:36.

  7. #196
    С любовью к вам, Yandex.Direct
    Размещение рекламы на форуме способствует его дальнейшему развитию

  8. #197

    Регистрация
    08.05.2007
    Адрес
    Dnepropetrovsk
    Сообщений
    1,089
    Спасибо Благодарностей отдано 
    281
    Спасибо Благодарностей получено 
    70
    Поблагодарили
    49 сообщений
    Mentioned
    3 Post(s)
    Tagged
    0 Thread(s)

    По умолчанию

    Ну что ж, поздравляю!!! Одну большую проблему мы все-таки решили. Одно дело - когда для работоспособности схемы непонятно почему нужна аналоговая задержка. И совсем другое дело, когда причины этого понятны, и их удалось устранить теоретически обоснованным способом!

    Что касается остального:
    Цитата Сообщение от oracleua Посмотреть сообщение
    тест 1024 с ошибками
    тест 256 без ошибок
    Заметь что при тесте 1024 в области 256 есть ошибки
    но при тесте 256 их нет..
    Набор этих симптомов очень вероятно свидетельствует о проблемах с регенерацией. Тест-256 успевает сам регенерировать память, а когда идет тест-1024 - то он проходит память слишком медленно, она успевает за это время "забыть" информацию. Что у тебя сейчас на схеме расширения подключено, как там поживают сигналы IKB, FRM0, FRM1? Все ли в соответствии с последней версией (3)?

    Если да - то придется таки перекомпоновывать адреса на мультиплексорах. Я сегодня до позднего вечера не буду на связи, а как вернусь - посмотрю твой ответ и при необходимости дам рекомендации по перекомпоновке адресов.

  9. #198

    Регистрация
    19.02.2010
    Адрес
    Энергодар
    Сообщений
    1,187
    Спасибо Благодарностей отдано 
    8
    Спасибо Благодарностей получено 
    27
    Поблагодарили
    22 сообщений
    Mentioned
    1 Post(s)
    Tagged
    0 Thread(s)

    По умолчанию

    Все согласно схеме 3..
    2часа теста 128..без ошибок..

  10. #199

    Регистрация
    08.05.2007
    Адрес
    Dnepropetrovsk
    Сообщений
    1,089
    Спасибо Благодарностей отдано 
    281
    Спасибо Благодарностей получено 
    70
    Поблагодарили
    49 сообщений
    Mentioned
    3 Post(s)
    Tagged
    0 Thread(s)

    По умолчанию

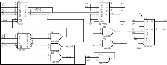
    Значит, я подготовил изменения в компоновке адресов на мультиплексорах так, чтобы видеоконтроллер регенерировал всю память, без всяких сигналов IKB и FRM. В схеме расширения уменьшилось количество используемых элементов (теперь свободен один элемент ЛА3 и один ЛИ1).

    Идея изменений заключается в следующем (спасибо SoftFelix): видеоконтроллер перебирает адресные линии A0-A11 достаточно быстро, чтобы этой скорости хватило для регенерации всей памяти. И количество этих линий (12) также превышает на 2 количество адресных линиий ОЗУ при его размере 1М. Поэтому, если подавать адреса A0-A11 и аналогичные им адресные линии видеоконтроллера только на строки памяти - то регенерация всей памяти будет обеспечена за 1 кадр, т.е. 20мс.

    В заводской схеме "Орели" так и сделано, на строки памяти подаются адреса A0, A1, A2, A3, A4, A7, A8, A9. Оставшиеся 4 из "хороших" адресов подаются на столбцы. Это линии A5, A6, A10, A11 и соответствующие им цепи видеоконтроллера AK3, AK4, AP3 и AP4.

    Мы можем взять любые две из этих четырех линий. Я для определенности взял A10 и A11 из тех соображений, что сигналы AP3 и AP4 будет легко отрезать от мультиплексора DD20, т.к. указанные сигналы больше никуда по схеме не идут. Разводки под рукой у меня нет, может быть там дорожки неудобно где-то проходят, поэтому мою схему можно творчески переработать чтобы задействовать другие из оставшихся адресов.

    Итак, надо отрезать адреса A10 и A11 от 13 и 3 выводов DD18 соответственно и подать вместо них сигналы со схемы расширения A17 и A18. Также необходимо отрезать адреса видеоконтроллера AP3 и AP4 от 10 и 13 выводов DD20 соответственно, а указанные выводы DD20 подключить к общему проводу.

    Отрезанные на плате адреса (A10, A11, AP3, AP4) теперь будут подаваться на схему расширения, где наш мультиплексор КП12 будет их подавать на строчные адреса памяти AM8 и AM9, обеспечивая регенерацию. Присоединяю измененную схему расширения.
    Миниатюры Миниатюры Нажмите на изображение для увеличения. 

Название:	orelbk_pent1024_v4.jpg 
Просмотров:	385 
Размер:	22.4 Кб 
ID:	22375  
    Вложения Вложения

  11. #200

    Регистрация
    19.02.2010
    Адрес
    Энергодар
    Сообщений
    1,187
    Спасибо Благодарностей отдано 
    8
    Спасибо Благодарностей получено 
    27
    Поблагодарили
    22 сообщений
    Mentioned
    1 Post(s)
    Tagged
    0 Thread(s)

    По умолчанию

    Буду собирать новую схему...о результате отпишусь..

    ---------- Post added at 19:17 ---------- Previous post was at 17:19 ----------

    Тест 1024 прошел..память оК..
    тестирую память длинным тестом..
    15 мин полет нормальный..
    А еще вопрос..если установить кемстон джойстик с платой музыкального процессора то прийдется вносить дополнительный элемент лл1 в схему IORQ ????

Страница 20 из 33 ПерваяПервая ... 161718192021222324 ... ПоследняяПоследняя

Информация о теме

Пользователи, просматривающие эту тему

Эту тему просматривают: 1 (пользователей: 0 , гостей: 1)

Похожие темы

  1. Ленинград + SIMM 30 pin 1MB...
    от SoftFelix в разделе Ленинград
    Ответов: 77
    Последнее: 29.11.2022, 13:35
  2. 40-pin SIMM
    от BYTEMAN в разделе Память
    Ответов: 7
    Последнее: 20.05.2011, 10:33
  3. SIMM 72 or 30
    от Gryphon в разделе Память
    Ответов: 10
    Последнее: 18.11.2010, 09:54
  4. SIMM 30 pin + socket
    от Eugeny в разделе Барахолка (архив)
    Ответов: 23
    Последнее: 28.04.2009, 17:16
  5. ATM и SIMM
    от BaguM в разделе ATM
    Ответов: 2
    Последнее: 03.04.2006, 23:02

Ваши права

  • Вы не можете создавать новые темы
  • Вы не можете отвечать в темах
  • Вы не можете прикреплять вложения
  • Вы не можете редактировать свои сообщения
  •