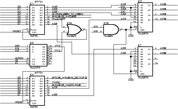
Или я чего то не догоняю или одно из двух %)
![]()
Если я не наглючил в этой таблице то получается так -
Внимание вопрос в студии - куда делся пятый и нулевой банк ??? %)Код HTML:<font face="Courier New, Courier, mono" size="2"><b> DEC HEX BIN ------------------------------------------------- 00000 0000 - 00000000 00000000 ROM 16383 3FFF - 00111111 11111111 ------------------------------------------------- 16384 4000 - 01000000 00000000 RAM-1 (5) 32767 7FFF - 01111111 11111111 ------------------------------------------------- 32768 8000 - 10000000 00000000 RAM-2 (2) 49151 BFFF - 10111111 11111111 ------------------------------------------------- 49152 C000 - 11000000 00000000 RAM-3 (0) 65535 FFFF - 11111111 11111111 64Mb ================================================= 65536 10000 - 0001 00000000 00000000 RAM-4 81919 13FFF - 0001 00111111 11111111 ------------------------------------------------- 81920 14000 - 0001 01000000 00000000 RAM-5 98303 17FFF - 0001 01111111 11111111 ------------------------------------------------- 98304 18000 - 0001 10000000 00000000 RAM-6 114687 1BFFF - 0001 10111111 11111111 ------------------------------------------------- 114688 1C000 - 0001 11000000 00000000 RAM-7 131071 1FFFF - 0001 11111111 11111111 128Mb ================================================= </b></font>
Иными словами почему получается линейно , а не так как принято обозначать ?


Ответить с цитированием
Размещение рекламы на форуме способствует его дальнейшему развитию 
(кому не лень , дорисуйте плиз что надо) 