User Tag List

Страница 12 из 55 ПерваяПервая ... 8910111213141516 ... ПоследняяПоследняя
Показано с 111 по 120 из 541

Тема: Радио РК-86: Компьютер с процессором 1821ВМ85

  1. #111

    Регистрация
    28.05.2010
    Адрес
    г. Москва
    Сообщений
    510
    Спасибо Благодарностей отдано 
    5
    Спасибо Благодарностей получено 
    17
    Поблагодарили
    16 сообщений
    Mentioned
    0 Post(s)
    Tagged
    0 Thread(s)

    По умолчанию

    Цитата Сообщение от Mick Посмотреть сообщение
    Кстати ты не пробовал мышь подключать, вроде они могут кроме клавы и мышь опрашивать?
    С подключением, проблем никаких, а вот для этого нужно как то все это программно обработать. Я не программист. Тут обычный драйвер для PS/2 клавы месяц ваял, имея перед глазами родной драйвер РК...а с мышью даже не понятно с какой стороны подойти к проблеме...

  2. #112

    Регистрация
    28.05.2010
    Адрес
    г. Москва
    Сообщений
    510
    Спасибо Благодарностей отдано 
    5
    Спасибо Благодарностей получено 
    17
    Поблагодарили
    16 сообщений
    Mentioned
    0 Post(s)
    Tagged
    0 Thread(s)

    По умолчанию

    Цитата Сообщение от Mick Посмотреть сообщение
    Судя по фотке ты уже подключил 80с42. Драйвером с общественностю не поделишся?
    Вычленил драйвер PS/2 клавиатуры из ПЗУ монитора. Получился почти килобайт.
    Вложения Вложения
    • Тип файла: txt drvKLV.txt (4.4 Кб, Просмотров: 464)

  3. #113

    Регистрация
    28.05.2010
    Адрес
    г. Москва
    Сообщений
    510
    Спасибо Благодарностей отдано 
    5
    Спасибо Благодарностей получено 
    17
    Поблагодарили
    16 сообщений
    Mentioned
    0 Post(s)
    Tagged
    0 Thread(s)

    По умолчанию

    Цитата Сообщение от Rokl Посмотреть сообщение
    ...Решил развести в PCADе RAM/ROM диск для заказа под него плат и заодно исправить шаблоны на плате компьютера (всё вместе заказать дешевле)....
    Исправил шаблоны РСВ компа и развёл RAM/ROM диск в PCAD-де ...получилось много свободного места.
    Решил добавить на плату RAM/ROM диска контроллер ТМР8155-2 для печати и контроллер FDD на МВ8876А. Ещё добавлю платы контроллеров FDD на WD37C65В и D765AC...потом выбиру какой лучше...

    Цитата Сообщение от Mick
    Зачем столько много ПЗУшек по 128кб, поставь одну флешину, с возможностью записи в нее. Самый функциональный ROM диск будет
    Вы правы...
    Сократил количество ПЗУ 128К х8 до двух. Скорей всего поставлю вместо ПЗУ 128К х 8 пару ФЛЕШ на 256К х 8. Во всяком случае в РСB...этот вариант в РСВ предусмотрен.

  4. #114

    Регистрация
    28.02.2011
    Адрес
    Astrakhan
    Сообщений
    1
    Спасибо Благодарностей отдано 
    0
    Спасибо Благодарностей получено 
    0
    Поблагодарили
    0 сообщений
    Mentioned
    0 Post(s)
    Tagged
    0 Thread(s)

    По умолчанию

    А чем рисовали схему? В какой программе?
    Спасибо!

  5. #115

    Регистрация
    28.05.2010
    Адрес
    г. Москва
    Сообщений
    510
    Спасибо Благодарностей отдано 
    5
    Спасибо Благодарностей получено 
    17
    Поблагодарили
    16 сообщений
    Mentioned
    0 Post(s)
    Tagged
    0 Thread(s)

    По умолчанию

    Цитата Сообщение от _Hill_ Посмотреть сообщение
    А чем рисовали схему? В какой программе?
    Спасибо!
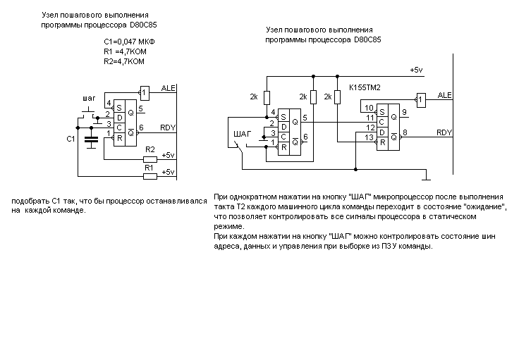
    В Paint-е.
    Сейчас схема изменилась, 2 ПЗУ, дешифратор выкинул, ВВ55 и DS12887 добавил.

    Ещё пара схемок для пошаговой отладки компика.
    Миниатюры Миниатюры Нажмите на изображение для увеличения. 

Название:	schag.gif 
Просмотров:	582 
Размер:	8.5 Кб 
ID:	25549  
    Последний раз редактировалось Rokl; 09.03.2011 в 21:22.

  6. #116

    Регистрация
    18.04.2009
    Адрес
    Москва
    Сообщений
    1,656
    Спасибо Благодарностей отдано 
    208
    Спасибо Благодарностей получено 
    17
    Поблагодарили
    16 сообщений
    Mentioned
    1 Post(s)
    Tagged
    0 Thread(s)

    По умолчанию

    Rokl я A0 проверю сегодня завтра
    Миниатюры Миниатюры Нажмите на изображение для увеличения. 

Название:	DSC048161.jpg 
Просмотров:	779 
Размер:	82.3 Кб 
ID:	25626   Нажмите на изображение для увеличения. 

Название:	DSC048191.jpg 
Просмотров:	636 
Размер:	67.9 Кб 
ID:	25627  

  7. #117

    Регистрация
    28.05.2010
    Адрес
    г. Москва
    Сообщений
    510
    Спасибо Благодарностей отдано 
    5
    Спасибо Благодарностей получено 
    17
    Поблагодарили
    16 сообщений
    Mentioned
    0 Post(s)
    Tagged
    0 Thread(s)

    По умолчанию

    Цитата Сообщение от sergey2b Посмотреть сообщение
    Rokl я A0 проверю сегодня завтра
    Прикрепил файл тест РК исправленый под наш вариант.

    После каждого нажатия кнопки УС настраиваются ВТ57, ВГ75 и выводятся все символы на экран.
    Этот бинарный файл зашиваешь в ПЗУ 27С256.
    Вложения Вложения

  8. #118

    Регистрация
    26.02.2010
    Адрес
    Запорожье
    Сообщений
    2,171
    Спасибо Благодарностей отдано 
    0
    Спасибо Благодарностей получено 
    0
    Поблагодарили
    0 сообщений
    Mentioned
    0 Post(s)
    Tagged
    0 Thread(s)

    По умолчанию

    Rokl, нарисуте пожайлуста схему обвязки ВГ75 для подключения к VGA монитору.
    По возможности без PAL т.е. на обычной логике. Объясните, что надо изменить при ее (ВГ75) програмировании и поделитесь знакогенератором.

    ПЛЗ !
    .

  9. #119

    Регистрация
    14.06.2005
    Адрес
    г. Калуга
    Сообщений
    10,141
    Спасибо Благодарностей отдано 
    216
    Спасибо Благодарностей получено 
    769
    Поблагодарили
    417 сообщений
    Mentioned
    23 Post(s)
    Tagged
    0 Thread(s)

    По умолчанию

    Цитата Сообщение от Atari Посмотреть сообщение
    Rokl, нарисуте пожайлуста схему обвязки ВГ75 для подключения к VGA монитору.
    По возможности без PAL т.е. на обычной логике. Объясните, что надо изменить при ее (ВГ75) програмировании и поделитесь знакогенератором.

    ПЛЗ !
    Присоединяюсь к просьбе. Тут возникла девборду сделать для простых опытов.
    Сайт поддержки моих изделий - http://micklab.ru/
    Группа ВКонтакте - https://vk.com/micklab

  10. #120

    Регистрация
    28.05.2010
    Адрес
    г. Москва
    Сообщений
    510
    Спасибо Благодарностей отдано 
    5
    Спасибо Благодарностей получено 
    17
    Поблагодарили
    16 сообщений
    Mentioned
    0 Post(s)
    Tagged
    0 Thread(s)

    По умолчанию

    Цитата Сообщение от Atari Посмотреть сообщение
    Rokl, нарисуте пожайлуста схему обвязки ВГ75 для подключения к VGA монитору.
    По возможности без PAL т.е. на обычной логике. Объясните, что надо изменить при ее (ВГ75) програмировании и поделитесь знакогенератором.

    ПЛЗ !
    Относительно переделки платы РК86 под VGA монитор и привязке к схеме РК?
    Или в варианте под Микроком, но без PAL???

    Если в моём варианте, то ЗГ выложить можно без проблем и схему нарисовать, а если для варианта РК86, то нужно будет ЗГ адаптировать под схемное включение ПЗУ ЗГ в РК и дополнительную плату с генератором изготовлять, что бы проверить работу ВГ75 в VGA в схеме РК и на плате РК немного попаять.

    Наверное все же нужно делать с привязкой именно к РК, что бы кто хочет смог бы переделать свои компики под VGA монитор.

    И ещё один момент с моими настройками (32.205Hz - 75Hz)... ВГ75 работает со всеми ЭЛТ мониторами SVGA и с "умными" ЖК мониторами типа BLISS. Дешовые китайские ЖК мониторы и многие ЖК ТV их не понимают. Если этот момент не принципиален, то ладно.

Страница 12 из 55 ПерваяПервая ... 8910111213141516 ... ПоследняяПоследняя

Информация о теме

Пользователи, просматривающие эту тему

Эту тему просматривают: 1 (пользователей: 0 , гостей: 1)

Похожие темы

  1. 07 май - радио
    от AER в разделе Поздравления
    Ответов: 27
    Последнее: 09.05.2010, 02:15
  2. Радио 86РК
    от Shnurkov в разделе Барахолка (архив)
    Ответов: 1
    Последнее: 02.01.2009, 12:52
  3. С Днём Радио!!!
    от BYTEMAN в разделе Поздравления
    Ответов: 8
    Последнее: 07.05.2007, 15:29

Ваши права

  • Вы не можете создавать новые темы
  • Вы не можете отвечать в темах
  • Вы не можете прикреплять вложения
  • Вы не можете редактировать свои сообщения
  •