User Tag List

Страница 14 из 55 ПерваяПервая ... 101112131415161718 ... ПоследняяПоследняя
Показано с 131 по 140 из 541

Тема: Радио РК-86: Компьютер с процессором 1821ВМ85

  1. #131

    Регистрация
    28.05.2010
    Адрес
    г. Москва
    Сообщений
    510
    Спасибо Благодарностей отдано 
    5
    Спасибо Благодарностей получено 
    17
    Поблагодарили
    16 сообщений
    Mentioned
    0 Post(s)
    Tagged
    0 Thread(s)

    По умолчанию

    Цитата Сообщение от Atari Посмотреть сообщение
    Rokl, а можно нарисовать нормальную схему всего узла?
    Вот нарисовал схему.Пришлось на допплату генератора пару эмитерных повторителей добавить для синхроимпульсов. А то сдается мне, что К1533ЛП5 мониторный кабель не осилит.
    Вложения Вложения

  2. #132

    Регистрация
    26.02.2010
    Адрес
    Запорожье
    Сообщений
    2,171
    Спасибо Благодарностей отдано 
    0
    Спасибо Благодарностей получено 
    0
    Поблагодарили
    0 сообщений
    Mentioned
    0 Post(s)
    Tagged
    0 Thread(s)

    По умолчанию

    А теперь еще раз как у Вас, т.е. с разделенными цветами.
    .

  3. #133

    Регистрация
    25.03.2010
    Адрес
    Витебск
    Сообщений
    98
    Спасибо Благодарностей отдано 
    11
    Спасибо Благодарностей получено 
    10
    Поблагодарили
    7 сообщений
    Mentioned
    0 Post(s)
    Tagged
    0 Thread(s)

    По умолчанию

    Где даташит на 1821ВМ85А почитать?
    Интересует на каких частотах он должен работать.

  4. #134

    Регистрация
    28.05.2010
    Адрес
    г. Москва
    Сообщений
    510
    Спасибо Благодарностей отдано 
    5
    Спасибо Благодарностей получено 
    17
    Поблагодарили
    16 сообщений
    Mentioned
    0 Post(s)
    Tagged
    0 Thread(s)

    По умолчанию

    Цитата Сообщение от klingon Посмотреть сообщение
    Где даташит на 1821ВМ85А почитать?
    Интересует на каких частотах он должен работать.
    Официально 5 мгц (кварц 10 Мгц) я ставил 12 Мгц и работает, если больше, то 580 серия валится и всё виснет.

  5. #135

    Регистрация
    28.05.2010
    Адрес
    г. Москва
    Сообщений
    510
    Спасибо Благодарностей отдано 
    5
    Спасибо Благодарностей получено 
    17
    Поблагодарили
    16 сообщений
    Mentioned
    0 Post(s)
    Tagged
    0 Thread(s)

    По умолчанию

    Цитата Сообщение от klingon Посмотреть сообщение
    Где даташит на 1821ВМ85А почитать?
    Интересует на каких частотах он должен работать.
    PDF на 1821ВМ85А:
    Вложения Вложения
    • Тип файла: rar BM85.rar (474.8 Кб, Просмотров: 710)

  6. #136

    Регистрация
    28.05.2010
    Адрес
    г. Москва
    Сообщений
    510
    Спасибо Благодарностей отдано 
    5
    Спасибо Благодарностей получено 
    17
    Поблагодарили
    16 сообщений
    Mentioned
    0 Post(s)
    Tagged
    0 Thread(s)

    По умолчанию

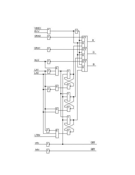
    Цитата Сообщение от Atari Посмотреть сообщение
    А теперь.... с разделенными цветами.
    Для РК86 разделёные цвета можно получить, если собрать нижеприведённую схему:
    Миниатюры Миниатюры Нажмите на изображение для увеличения. 

Название:	RK86RGB.jpg 
Просмотров:	833 
Размер:	18.2 Кб 
ID:	26447  

  7. #136
    С любовью к вам, Yandex.Direct
    Размещение рекламы на форуме способствует его дальнейшему развитию

  8. #137

    Регистрация
    11.01.2006
    Адрес
    Брест/Минск
    Сообщений
    8,398
    Записей в дневнике
    4
    Спасибо Благодарностей отдано 
    188
    Спасибо Благодарностей получено 
    124
    Поблагодарили
    62 сообщений
    Mentioned
    7 Post(s)
    Tagged
    0 Thread(s)

    По умолчанию

    Rokl, вообще то у РК-86 чистый монохром.... ВГ75 другого не даёт....
    С уважением, Александр.
    Scorpion ZS-256 Turbo+ GMX-2048
    SID-Blaster/ZX
    Музей ретрокомпьютеров в Минске!
    Здесь ничего нет => http://byteman.by
    И здесь тоже --->>> http://bytespace.by

  9. #138

    Регистрация
    28.05.2010
    Адрес
    г. Москва
    Сообщений
    510
    Спасибо Благодарностей отдано 
    5
    Спасибо Благодарностей получено 
    17
    Поблагодарили
    16 сообщений
    Mentioned
    0 Post(s)
    Tagged
    0 Thread(s)

    По умолчанию

    Цитата Сообщение от BYTEMAN Посмотреть сообщение
    Rokl, вообще то у РК-86 чистый монохром.... ВГ75 другого не даёт....
    Если использовать предложеную схему, то почему бы нет?...

  10. #139

    Регистрация
    28.05.2010
    Адрес
    г. Москва
    Сообщений
    510
    Спасибо Благодарностей отдано 
    5
    Спасибо Благодарностей получено 
    17
    Поблагодарили
    16 сообщений
    Mentioned
    0 Post(s)
    Tagged
    0 Thread(s)

    По умолчанию

    Цитата Сообщение от Rokl Посмотреть сообщение
    Исправил шаблоны РСВ компа и развёл RAM/ROM диск в PCAD-де ....
    Вернемся к основной теме.
    Отдал PCBшные файлы платы RAM/ROM диска+FDD контроллера в производство.
    На майские праздники надеюсь начать сборку и отладку.

  11. #140

    Регистрация
    28.05.2010
    Адрес
    г. Москва
    Сообщений
    510
    Спасибо Благодарностей отдано 
    5
    Спасибо Благодарностей получено 
    17
    Поблагодарили
    16 сообщений
    Mentioned
    0 Post(s)
    Tagged
    0 Thread(s)

    По умолчанию

    Цитата Сообщение от Rokl Посмотреть сообщение
    Вернемся к основной теме.
    Отдал PCBшные файлы платы RAM/ROM диска+FDD контроллера в производство.
    На майские праздники надеюсь начать сборку и отладку.
    Платы готовы.
    http://s48.radikal.ru/i120/1105/f3/0def13facac3.jpg
    Теперь сборка,отладка.

Страница 14 из 55 ПерваяПервая ... 101112131415161718 ... ПоследняяПоследняя

Информация о теме

Пользователи, просматривающие эту тему

Эту тему просматривают: 1 (пользователей: 0 , гостей: 1)

Похожие темы

  1. 07 май - радио
    от AER в разделе Поздравления
    Ответов: 27
    Последнее: 09.05.2010, 02:15
  2. Радио 86РК
    от Shnurkov в разделе Барахолка (архив)
    Ответов: 1
    Последнее: 02.01.2009, 12:52
  3. С Днём Радио!!!
    от BYTEMAN в разделе Поздравления
    Ответов: 8
    Последнее: 07.05.2007, 15:29

Ваши права

  • Вы не можете создавать новые темы
  • Вы не можете отвечать в темах
  • Вы не можете прикреплять вложения
  • Вы не можете редактировать свои сообщения
  •