User Tag List

Страница 17 из 55 ПерваяПервая ... 131415161718192021 ... ПоследняяПоследняя
Показано с 161 по 170 из 541

Тема: Радио РК-86: Компьютер с процессором 1821ВМ85

  1. #161

    Регистрация
    08.04.2013
    Адрес
    г. Ульяновск
    Сообщений
    293
    Спасибо Благодарностей отдано 
    0
    Спасибо Благодарностей получено 
    2
    Поблагодарили
    2 сообщений
    Mentioned
    0 Post(s)
    Tagged
    0 Thread(s)

    По умолчанию

    Rokl, Такой вопрос возник, есть ли всё же разница вв55 и um82с55a.
    в ROM диске не заработала, думал дохлая, но вставил вместо клавиатурной вв55 в рк86 работает.
    Как думаете можно ли 82с59 прикрутить к z80. или к вм80.
    РК86 ещё жив!!! а теперь и ЮТ-88!!!

  2. #162

    Регистрация
    28.05.2010
    Адрес
    г. Москва
    Сообщений
    510
    Спасибо Благодарностей отдано 
    5
    Спасибо Благодарностей получено 
    17
    Поблагодарили
    16 сообщений
    Mentioned
    0 Post(s)
    Tagged
    0 Thread(s)

    По умолчанию

    Цитата Сообщение от VovanRK86 Посмотреть сообщение
    Rokl, Такой вопрос возник, есть ли всё же разница вв55 и um82с55a.
    в ROM диске не заработала, думал дохлая, но вставил вместо клавиатурной вв55 в рк86 работает.
    Как думаете можно ли 82с59 прикрутить к z80. или к вм80.
    Эх, мне бы схемку, аль чертеж глянуть вашего девайса.
    Если вы читаете Rom диск через 55 порт и микросхем ПЗУ несколько, то проблема может быть в схеме выбора кристалла ПЗУ. Т.е. импульс выбора ПЗУ приходит чуть позже импульса чтения из ВВ55. Наша ВВ55 тормозная и такой беспредел терпит. Не торопясь, читает ROM нормально даже после окончания импульса чтения данных из регистра, а импортная шустрая и потому читает мусор до прихода импульса выбора кристалла ПЗУ и установки истинных данных в порту А контроллера ВВ55. Лечится такое чудо установкой более шустрых дешифраторов адресов ( серии К531, или К1531(SN74F138) можно попробовать современную 74НС... или PLD матрицы... я все дешифраторы адресов делал исключительно на PLD PALCE22V10H с быстродействием выборки 25 Нсек. Обратите внимание, что на всех старых матерях с 86 или 286процами дешифраторы адреса выполнены на PLD матрицах типа PAL16L8 и т.д. а не на SN74LS138(К555ИД7) и тем более не на SN74154 (К155ИД3). Наверное это не просто так, а с глубоким смыслом буржуями сделано) и более шустрые современные(импортные)ПЗУ с временем выборки 100-120 нансек...А вот когда к ROMдиску вы созреете добавить энергонезависимую RAM и захотите иметь энергонезависимый RAMдиск для своих программных поделок непосредственно на железе с сохранением промежуточных результатов в энергонезависимой RAM, то фокусы начнутся ещё круче.
    Если ПЗУ одна то проблема скорей всего в проводном монтаже...паразитные индуктивные и емкосные связи.
    Контроллер прерываний вполне можно прикрутить к процу. Суть в том, что нужно будет колдовать над Монитором РК, а это приведет к программной несовместимости клона. Получите обычный компик с 8 разрядной шиной данных с ни чем не совместимым. Красивые излишества должны ограничиваться максимальной программной совместимостью с прототипом. Это чисто моё мнение и потому я у себя сменил только адреса посадки контроллеров на более удобные. Даже видеоОЗУ оставил на старом месте, хоть оно и получилось в середине ОЗУ пользователя. Зато практически всё ПО на моем микрокоме заводится как и на РК лишь с минимальными переделками (обычно ограничивается изменением адреса обращения к клавиатуре...Даже перепрограммирование в игровой программе ВГ75 не приводит к фатальной ошибке. Просто картинка получается нескольно обеднённая отсутствием атрибутов).
    Последний раз редактировалось Rokl; 23.04.2013 в 22:36.

  3. #163

    Регистрация
    08.04.2013
    Адрес
    г. Ульяновск
    Сообщений
    293
    Спасибо Благодарностей отдано 
    0
    Спасибо Благодарностей получено 
    2
    Поблагодарили
    2 сообщений
    Mentioned
    0 Post(s)
    Tagged
    0 Thread(s)

    По умолчанию

    Да буковок много, даже цитировать сложно, надеюсь не сильно отвлекаю, но я знал к кому обратится давно знал! Ответили даже на то что хотел потом спросить Ваша тема в основном меня и вернула от "экономики" к паяльнику! (в декабре 2011г.)


    Цитата Сообщение от Rokl Посмотреть сообщение
    Эх, мне бы схемку
    Нету схемки, пока вообще нету!!! я в живую всё делаю на макетке, основа схема РК (кр02) + Ваша и + от Vladimir_S прикрутка Z80, ну и вчера звук прикрутил на тм2 от HardWareMan, но пока не работает... увы..
    Мой РОМ диск на вв55 и Флеш ххх02. схема из темы РОМ диск, порт А данные, В.С адрес, всякие выборы кристалла на землю сразу и результат вв55 нормально, а 82с55 нет, PLD конечно у меня тоже есть, т.к. все мои 82с... с 286 и теперь понял почему возможно 82с55 не работала, РАМ диск я добавил сразу и писал в него ПО БАЙТАМ замыкая WE на землю руками, реально работает и хранит всё от батарейки 3 вольта, хоть у меня UM62512 не фига не с пониженным потреблением.
    Про прерывания я про чип 82с59 можно ли его к z80, но вчера почитал про него можно вм80,85,86,88 и конечно z80 там нет, но можно как я думаю, но зачем нам монитор менять пусть программа нужная им занимается, в мониторе только начальная инициализация и ви53 обязательно нужен, программ 5 его юзают значит нужен.
    а про совместимость надо 99% и 9% сотых т.е и клаву учесть (у меня 7007 по схеме кр02) и теперь проц и много чего ещё т.к. вчера aliaz запустил тормоз он кокой то на 2 мГц на z80, странно как то
    Вот и главный вопрос z80 с out\in работает по другому, а мне надо FDD и DOS 2.9 как быть, кп11 от младшей ША к старшей ША по сигналу обращения к портам?

    Вопросов много, я вообще мало что знал тогда, да и что знал забыл сейчас, но как ни странно вопросы решаются, и как то подозрительно быстро, не ожидал я такого.
    Комп рк на z80 на макетке за неделю МГТФом и работает... сам не верю, я и ещё и на работу хожу... пока...
    РК86 ещё жив!!! а теперь и ЮТ-88!!!

  4. #164

    Регистрация
    28.05.2010
    Адрес
    г. Москва
    Сообщений
    510
    Спасибо Благодарностей отдано 
    5
    Спасибо Благодарностей получено 
    17
    Поблагодарили
    16 сообщений
    Mentioned
    0 Post(s)
    Tagged
    0 Thread(s)

    По умолчанию

    Цитата Сообщение от VovanRK86 Посмотреть сообщение
    ...Мой РОМ диск на вв55 и Флеш ххх02. схема из темы РОМ диск, порт А данные, В.С адрес, всякие выборы кристалла на землю сразу и результат вв55 нормально, а 82с55 нет, PLD конечно у меня тоже есть, т.к. все мои 82с... с 286 и теперь понял почему возможно 82с55 не работала, РАМ диск я добавил сразу и писал в него ПО БАЙТАМ замыкая WE на землю руками, реально работает и хранит всё от батарейки 3 вольта, хоть у меня UM62512 не фига не с пониженным потреблением.
    ..
    Аналог 82С55А это КМ1821ВВ55А. Так что разница между 580ВВ55А и 82С55А есть.
    Возможно проблема чтения Флеш портом 82С55А из-за "звона" на шине данных Флеш и слишком высоким входным сопротивлением портов 82С55.
    Т.е. сначала вы пишите адрес в порт В и флеш начинает выдавать данные на шину порта А. Затем вы пишите вторую половину адреса в порт С и флеш опять повторно начинает менять данные на шине порта А и в этот момент вы читаете порт А. Естественно Флеш "звенит" на шине данных переходными процессами, а к счастью 580ВВ55А имеет низкое входное сопротивление портов и это уменьшает время переходных процессов на ШД Флеш и порта А. Тем самым истиные данные успевают установиться до момента чтения порта А. А шустрая 82С55 это обычная КМОП с большим входным сопротивлением портов и потому "звон" Флеши в виде переходных процессов длится гораздо дольше и истиные данные не успевают установиться до момента чтения порта А.
    Попробуйте перед чтением порта А придержать процессор парой холостых команд NOP. Скорей всего 82С55А начнет работать нормально, как и 580ВВ55А.
    Во всяком случае, для нормальной работы Z80 с 580 серией и другой неторопливой периферией всегда рекомендовалось пользовать сигнал WAIT для удлинения сигналов шины управления запись/чтение Z80.
    UM62512 питание 5в 10% при работе и вроде как 2,2в в режиме хранения. Во всяком случае у меня UM62512 не теряла информацию и при 0,5в в режиме хранения.
    RAM диск при ручной записи может работать без проблем. А вот ежели UM62512 подключить параллельно Флеш , например АТ29С020, к портам ВВ55и писать/читать процессором с выборкой кристаллов Флеш/ОЗУ...Вот тогда чудес насмотритесь.
    Прошу прощения, ошибочка вышла.
    КМ1821ВВ55А это банальная 8255 фирмы интел.
    А вот КР1834ВВ55А это и есть 82С55АС-2.
    Ещё раз прошу прощения, за неверную информацию.
    Вложения Вложения
    Последний раз редактировалось Rokl; 06.06.2013 в 19:35.

  5. #165

    Регистрация
    08.04.2013
    Адрес
    г. Ульяновск
    Сообщений
    293
    Спасибо Благодарностей отдано 
    0
    Спасибо Благодарностей получено 
    2
    Поблагодарили
    2 сообщений
    Mentioned
    0 Post(s)
    Tagged
    0 Thread(s)

    По умолчанию

    Цитата Сообщение от Rokl Посмотреть сообщение
    А вот ежели UM62512 подключить параллельно Флеш , например АТ29С020, к портам ВВ55и писать/читать процессором с выборкой кристаллов Флеш/ОЗУ...
    У меня как раз так и подключено, но я только ручным режимом записывал, сигналом WE программно рулить так и не пришлось. Видимо и хорошо.

    Цитата Сообщение от Rokl Посмотреть сообщение
    Аналог 82С55А это КМ1821ВВ55А. Так что разница между 580ВВ55А и 82С55А есть.
    Вот это меня и интересовало, а то я всё же думал 580вв55 и 82С55А аналоги.
    РК86 ещё жив!!! а теперь и ЮТ-88!!!

  6. #166

    Регистрация
    07.05.2013
    Адрес
    г. Уфа
    Сообщений
    1,212
    Спасибо Благодарностей отдано 
    344
    Спасибо Благодарностей получено 
    140
    Поблагодарили
    114 сообщений
    Mentioned
    1 Post(s)
    Tagged
    0 Thread(s)

    По умолчанию

    2 Rokl не могу найти распиновку под РК-шную клавиатуру, может я потерял монтажную схему

    Миниатюры Миниатюры Нажмите на изображение для увеличения. 

Название:	Клавиатура.jpg 
Просмотров:	1632 
Размер:	52.9 Кб 
ID:	41958  

  7. #166
    С любовью к вам, Yandex.Direct
    Размещение рекламы на форуме способствует его дальнейшему развитию

  8. #167

    Регистрация
    28.05.2010
    Адрес
    г. Москва
    Сообщений
    510
    Спасибо Благодарностей отдано 
    5
    Спасибо Благодарностей получено 
    17
    Поблагодарили
    16 сообщений
    Mentioned
    0 Post(s)
    Tagged
    0 Thread(s)

    По умолчанию

    Цитата Сообщение от Ратмир Посмотреть сообщение
    ...не могу найти распиновку под РК-шную клавиатуру, может я потерял монтажную схему
    Просто две клавиатуры никогда вместе работать не должны. В мониторе драйвер клавы на ВВ55 заменен на драйвер JETkey. Порт там остался просто для зажигания светика РУС/ЛАТ на плате и если допаять детальки, то возможен магнитофонный интерфейс чтения записи с ленты. Но в основном он остался как параллельный порт подключения чего нибудь с написанием под него драйвера лично пользователем с выходом на этот разьем, т.к. другой ВВ55 на плате дисков заточен под LPT разьем принтера. Распиновку разьёма поищу. Могу сказать сразу, что короткий разьем под дополнительную клавиатуру РК с префиксными клавишами.
    Последний раз редактировалось Rokl; 03.06.2013 в 23:42.

  9. #168

    Регистрация
    07.05.2013
    Адрес
    г. Уфа
    Сообщений
    1,212
    Спасибо Благодарностей отдано 
    344
    Спасибо Благодарностей получено 
    140
    Поблагодарили
    114 сообщений
    Mentioned
    1 Post(s)
    Tagged
    0 Thread(s)

    По умолчанию

    Все понял, спасибо. Т.к "Монитора" с РК-шной клавой у меня нет. оставлю как есть с PS/2. А вв55 может в дальнейшем применю

  10. #169

    Регистрация
    07.05.2013
    Адрес
    г. Уфа
    Сообщений
    1,212
    Спасибо Благодарностей отдано 
    344
    Спасибо Благодарностей получено 
    140
    Поблагодарили
    114 сообщений
    Mentioned
    1 Post(s)
    Tagged
    0 Thread(s)

    По умолчанию

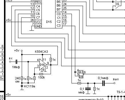
    День добрый! Rokl
    Чтоб вывести на магнитофон нужно эту часть схемы допаять?
    есть желание с Микрокома некоторые программы закачать и погонять на РК-86.
    Миниатюры Миниатюры Нажмите на изображение для увеличения. 

Название:	на магнитофон.JPG 
Просмотров:	388 
Размер:	39.6 Кб 
ID:	44034  

  11. #170

    Регистрация
    28.05.2010
    Адрес
    г. Москва
    Сообщений
    510
    Спасибо Благодарностей отдано 
    5
    Спасибо Благодарностей получено 
    17
    Поблагодарили
    16 сообщений
    Mentioned
    0 Post(s)
    Tagged
    0 Thread(s)

    По умолчанию

    Цитата Сообщение от Ратмир Посмотреть сообщение
    День добрый! Rokl
    Чтоб вывести на магнитофон нужно эту часть схемы допаять?
    есть желание с Микрокома некоторые программы закачать и погонять на РК-86.
    Да, компаратор с обвязкой для чтения с мага (для распайки этого узла специально оставлено комутационное поле на плате), а цепочка резисторов и пары кондеров для записи на маг.
    Только программки, которые в ROM-диске заточены только под Микроком, т.к. контроллеры клавиатуры у этих компиков разные. Все проги есть для РК-86 в свободном доступе. Кроме...
    Две программки на РК-86 в таком виде нет в принципе. Это PACMAN с 8ю лабиринтами (4 последних лично выдумывал и рисовал в свое время на тетрадке и перенес в тело игры) и SOCOBAN(ящики двигать). Эту прогу писал на РК-86 на 20 экранов (40 лабиринтов) давным давно, но сделал только 10 экнанов, и ...надоело. Листинг проги на ассемблере остался, храню как раритет, напечатаный на "Консуле". Длиной метра 3,5.))))

Страница 17 из 55 ПерваяПервая ... 131415161718192021 ... ПоследняяПоследняя

Информация о теме

Пользователи, просматривающие эту тему

Эту тему просматривают: 1 (пользователей: 0 , гостей: 1)

Похожие темы

  1. 07 май - радио
    от AER в разделе Поздравления
    Ответов: 27
    Последнее: 09.05.2010, 02:15
  2. Радио 86РК
    от Shnurkov в разделе Барахолка (архив)
    Ответов: 1
    Последнее: 02.01.2009, 12:52
  3. С Днём Радио!!!
    от BYTEMAN в разделе Поздравления
    Ответов: 8
    Последнее: 07.05.2007, 15:29

Ваши права

  • Вы не можете создавать новые темы
  • Вы не можете отвечать в темах
  • Вы не можете прикреплять вложения
  • Вы не можете редактировать свои сообщения
  •