Важная информация

User Tag List

Страница 24 из 55 ПерваяПервая ... 202122232425262728 ... ПоследняяПоследняя
Показано с 231 по 240 из 541

Тема: Радио РК-86: Компьютер с процессором 1821ВМ85

  1. #231

    Регистрация
    16.01.2005
    Адрес
    California, USA
    Сообщений
    828
    Спасибо Благодарностей отдано 
    108
    Спасибо Благодарностей получено 
    115
    Поблагодарили
    73 сообщений
    Mentioned
    1 Post(s)
    Tagged
    0 Thread(s)

    По умолчанию

    Цитата Сообщение от Shaos Посмотреть сообщение
    EI 11111011
    DI 11110011

    т.е. триггер надо взводить когда SA0=SA1=D7=D6=D5=D4=D1=D0=1, MIO=D2=0 и D3=1, а сбрасывать, когда SA0=SA1=D7=D6=D5=D4=D1=D0=1, MIO=D2=0 и D3=0, т.е. схема должна быть несколько сложнее чем у тебя т.к. ВСЕ эти сигналы должны участвовать как в формировании /S, так и в формировании /R триггера звука (отличие только в D3)
    Хотя если там D-триггер, а не RS и D3 уходит на вход D, то вроде похоже на правду...
    Администратор сетевого сообщества nedoPC.org
    Урал 8/64К, Sp2000, ZX48K+, ZX16K (спалил), TS1000 (американский ZX81), TS2068, Дельта-С, 20 лет собираю ATM Turbo 2+
    Неспектрумы: Электроника МК-85 и МК-85М, ПК-01 Львов, БК-0011, Вектор-06Ц, Лик (спец), Апогеи, Radio-86RK SRAM 32K & 128K (всё ещё собираю)

  2. #232

    Регистрация
    12.12.2011
    Адрес
    г. Иркутск
    Сообщений
    2,509
    Спасибо Благодарностей отдано 
    10
    Спасибо Благодарностей получено 
    22
    Поблагодарили
    20 сообщений
    Mentioned
    0 Post(s)
    Tagged
    0 Thread(s)

    По умолчанию

    Да я уже поставил половинку ТМ2 и звук даже лучше чем с INTE 80-проца.

    ---------- Post added at 11:39 ---------- Previous post was at 11:29 ----------

    Цитата Сообщение от Shaos Посмотреть сообщение
    Хотя если там D-триггер, а не RS и D3 уходит на вход D, то вроде похоже на правду...
    Да ставил я и D триггер, и D триггер в режиме RS, и PIC. Звук конечно есть, но не камильфо.

    ---------- Post added at 11:46 ---------- Previous post was at 11:39 ----------

    Причем теоретически должен получиться полный аналог INTE, но какие то непонятки.

  3. #233

    Регистрация
    28.05.2010
    Адрес
    г. Москва
    Сообщений
    510
    Спасибо Благодарностей отдано 
    5
    Спасибо Благодарностей получено 
    17
    Поблагодарили
    16 сообщений
    Mentioned
    0 Post(s)
    Tagged
    0 Thread(s)

    По умолчанию

    Цитата Сообщение от Vladimir_S Посмотреть сообщение
    Я ведь спрашивал про твой МИКРОКОМ. Меня интересует не индикация, а возможность программного определения (как в П/П #F81B) определении в каком режиме в данный момент клава.
    Так этой П/П #F81B и воспользуйся. И узнаешь в каком режиме в данный момент клава.

  4. #234

    Регистрация
    12.12.2011
    Адрес
    г. Иркутск
    Сообщений
    2,509
    Спасибо Благодарностей отдано 
    10
    Спасибо Благодарностей получено 
    22
    Поблагодарили
    20 сообщений
    Mentioned
    0 Post(s)
    Tagged
    0 Thread(s)

    По умолчанию

    Цитата Сообщение от Rokl Посмотреть сообщение
    Так этой П/П #F81B и воспользуйся.
    Это хорошо. Но воспользоваться пока не могу.Жду.

  5. #235

    Регистрация
    12.12.2011
    Адрес
    г. Иркутск
    Сообщений
    2,509
    Спасибо Благодарностей отдано 
    10
    Спасибо Благодарностей получено 
    22
    Поблагодарили
    20 сообщений
    Mentioned
    0 Post(s)
    Tagged
    0 Thread(s)

    По умолчанию

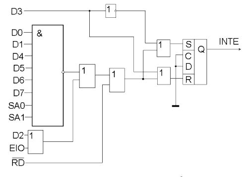
    И все таки никак не дает покоя схема вывода звука.Может я просто где то ошибся припайке. Вроде должно нормально работать. А снова спаять злости не хватает, к тому же платку обрезал по минимуму.
    Rokl, у меня просьба, попробуй схемку зашить в PALCE22V10H. Все таки меньше паять.
    Миниатюры Миниатюры Нажмите на изображение для увеличения. 

Название:	BEEPER.jpg 
Просмотров:	147 
Размер:	16.6 Кб 
ID:	45244  

  6. #236

    Регистрация
    28.05.2010
    Адрес
    г. Москва
    Сообщений
    510
    Спасибо Благодарностей отдано 
    5
    Спасибо Благодарностей получено 
    17
    Поблагодарили
    16 сообщений
    Mentioned
    0 Post(s)
    Tagged
    0 Thread(s)

    По умолчанию

    Цитата Сообщение от Vladimir_S Посмотреть сообщение
    И все таки никак не дает покоя схема вывода звука.Может я просто где то ошибся припайке. Вроде должно нормально работать. А снова спаять злости не хватает, к тому же платку обрезал по минимуму.
    Rokl, у меня просьба, попробуй схемку зашить в PALCE22V10H. Все таки меньше паять.
    В PALCE можно только D-триггер использовать с Сlоck на 1 ноге и Q на выходе. И потом в какую PALCE? Дешифратор адреса? так она под завязку по входам/выходам занята, нужно чем то жертвовать.

  7. #237

    Регистрация
    12.12.2011
    Адрес
    г. Иркутск
    Сообщений
    2,509
    Спасибо Благодарностей отдано 
    10
    Спасибо Благодарностей получено 
    22
    Поблагодарили
    20 сообщений
    Mentioned
    0 Post(s)
    Tagged
    0 Thread(s)

    По умолчанию

    Цитата Сообщение от Rokl Посмотреть сообщение
    В PALCE можно только D-триггер использовать с Сlоck на 1 ноге и Q на выходе. И потом в какую PALCE? Дешифратор адреса? так она под завязку по входам/выходам занята, нужно чем то жертвовать.
    Я имел в виду просто попробовать на отдельной PALCE.

  8. #238

    Регистрация
    28.05.2010
    Адрес
    г. Москва
    Сообщений
    510
    Спасибо Благодарностей отдано 
    5
    Спасибо Благодарностей получено 
    17
    Поблагодарили
    16 сообщений
    Mentioned
    0 Post(s)
    Tagged
    0 Thread(s)

    По умолчанию

    Цитата Сообщение от Vladimir_S Посмотреть сообщение
    Я имел в виду просто попробовать на отдельной PALCE.
    Понятно. надо бы переделать схему используя D-триггер (C и D входы), а не RS.

  9. #239

    Регистрация
    12.12.2011
    Адрес
    г. Иркутск
    Сообщений
    2,509
    Спасибо Благодарностей отдано 
    10
    Спасибо Благодарностей получено 
    22
    Поблагодарили
    20 сообщений
    Mentioned
    0 Post(s)
    Tagged
    0 Thread(s)

    По умолчанию

    Rokl, Можно триггер на двух элементах 2И-НЕ сделать. Или 2ИЛИ-НЕ?

  10. #240

    Регистрация
    28.05.2010
    Адрес
    г. Москва
    Сообщений
    510
    Спасибо Благодарностей отдано 
    5
    Спасибо Благодарностей получено 
    17
    Поблагодарили
    16 сообщений
    Mentioned
    0 Post(s)
    Tagged
    0 Thread(s)

    По умолчанию

    Цитата Сообщение от Vladimir_S Посмотреть сообщение
    Rokl, Можно триггер на двух элементах 2И-НЕ сделать. Или 2ИЛИ-НЕ?
    С внешними обратными связями. В данной схеме это возможно, т.к. есть запас входов выходов.

Страница 24 из 55 ПерваяПервая ... 202122232425262728 ... ПоследняяПоследняя

Информация о теме

Пользователи, просматривающие эту тему

Эту тему просматривают: 1 (пользователей: 0 , гостей: 1)

Похожие темы

  1. 07 май - радио
    от AER в разделе Поздравления
    Ответов: 27
    Последнее: 09.05.2010, 02:15
  2. Радио 86РК
    от Shnurkov в разделе Барахолка (архив)
    Ответов: 1
    Последнее: 02.01.2009, 12:52
  3. С Днём Радио!!!
    от BYTEMAN в разделе Поздравления
    Ответов: 8
    Последнее: 07.05.2007, 15:29

Ваши права

  • Вы не можете создавать новые темы
  • Вы не можете отвечать в темах
  • Вы не можете прикреплять вложения
  • Вы не можете редактировать свои сообщения
  •