Важная информация

User Tag List

Страница 40 из 55 ПерваяПервая ... 363738394041424344 ... ПоследняяПоследняя
Показано с 391 по 400 из 541

Тема: Радио РК-86: Компьютер с процессором 1821ВМ85

  1. #391

    Регистрация
    27.04.2011
    Адрес
    Москва
    Сообщений
    37
    Спасибо Благодарностей отдано 
    0
    Спасибо Благодарностей получено 
    0
    Поблагодарили
    0 сообщений
    Mentioned
    0 Post(s)
    Tagged
    0 Thread(s)

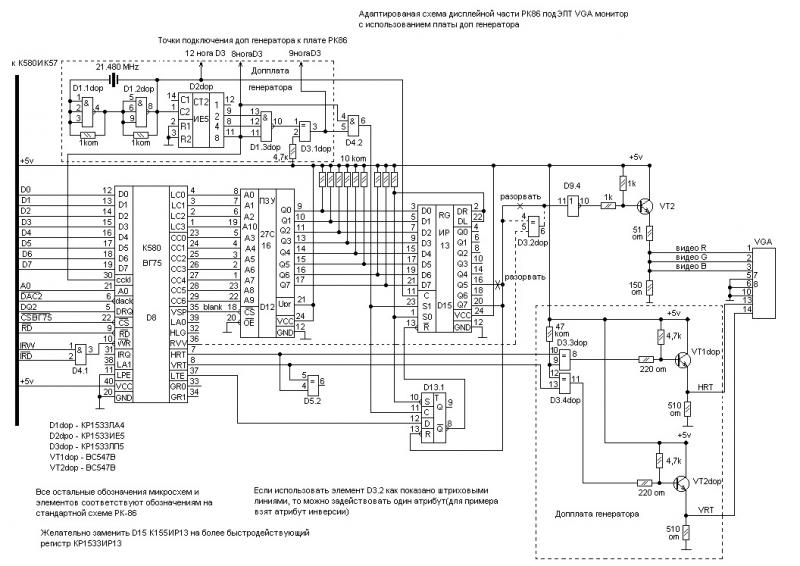
    По умолчанию Подключение к VGA

    Я подключился по этой схеме без изменений в ПЗУ. Частоты замерял на выходе, они правильные. Что я не так делаю? Спасибо!
    Миниатюры Миниатюры Нажмите на изображение для увеличения. 

Название:	VG75RKa.jpg 
Просмотров:	648 
Размер:	81.0 Кб 
ID:	47377  

  2. #391
    С любовью к вам, Yandex.Direct
    Размещение рекламы на форуме способствует его дальнейшему развитию

  3. #392

    Регистрация
    28.05.2010
    Адрес
    г. Москва
    Сообщений
    510
    Спасибо Благодарностей отдано 
    5
    Спасибо Благодарностей получено 
    17
    Поблагодарили
    16 сообщений
    Mentioned
    0 Post(s)
    Tagged
    0 Thread(s)

    По умолчанию

    Цитата Сообщение от alexey_kw Посмотреть сообщение
    Я подключился по этой схеме без изменений в ПЗУ. Частоты замерял на выходе, они правильные. Что я не так делаю? Спасибо!
    По схеме должна быть новая ПЗУ знакогенератора. Т.к. схема предполагает знакоместо 8х12. Соответственно и настройки ВГ75 изменены, а значит ПЗУ монитора нужно тоже перепрошить. Ну и как уже говорилось многократно и написано на самой схеме, что эта схема работает с любым монитором ЭЛТ (с трубой). А ЖК мониторы работают только самсунги , MacroView, Флетроны, BLISS. Может ещё какие ЖК, С ЖК Асусами и Вьюсониками вообще не работает.
    PS: вчера попробовал 19"ЖК мониторчик Prestigio P173. Работает с Микрокомом идеально.
    Последний раз редактировалось Rokl; 13.04.2014 в 21:47.

  4. #393

    Регистрация
    07.05.2013
    Адрес
    г. Уфа
    Сообщений
    1,207
    Спасибо Благодарностей отдано 
    345
    Спасибо Благодарностей получено 
    140
    Поблагодарили
    114 сообщений
    Mentioned
    1 Post(s)
    Tagged
    0 Thread(s)

    По умолчанию

    Цитата Сообщение от Rokl Посмотреть сообщение
    Лучше старенький FLETRON. Любой СRT монитор работает практически на всех стандартах и потому проблем с ними нет для Микрокома всё видно и всё по центру.
    Непонятно, откуда 100 гц при частоте 21.480 Мгц.
    Нашел я 24 МГц,(выпаял из DX486), изображение с новым биосом немного смещено вправо.
    timekeeper у меня на плату не полез, т.к плата RAM/ROM диска внизу придется вставки сделать, не понятно только как микросхему в кроватку вставлять количество ног другое.
    Rokl Осталось спросить как настраивать время в биосе?
    https://cloud.mail.ru/public/720f84d8ee84/DSC_0466.JPG
    Миниатюры Миниатюры Нажмите на изображение для увеличения. 

Название:	Биос.jpg 
Просмотров:	509 
Размер:	60.4 Кб 
ID:	48006  

  5. #394

    Регистрация
    28.05.2010
    Адрес
    г. Москва
    Сообщений
    510
    Спасибо Благодарностей отдано 
    5
    Спасибо Благодарностей получено 
    17
    Поблагодарили
    16 сообщений
    Mentioned
    0 Post(s)
    Tagged
    0 Thread(s)

    По умолчанию

    Цитата Сообщение от Ратмир Посмотреть сообщение
    Нашел я 24 МГц,(выпаял из DX486), изображение с новым биосом немного смещено вправо.
    timekeeper у меня на плату не полез, т.к плата RAM/ROM диска внизу придется вставки сделать, не понятно только как микросхему в кроватку вставлять количество ног другое.
    Rokl Осталось спросить как настраивать время в биосе?
    https://cloud.mail.ru/public/720f84d8ee84/DSC_0466.JPG
    Привет, Ратмир! Извини, что сразу не ответил.
    Смещение вправо на мониторе, по идее, можно компенсировать настройками монитора, но есть такие, которые таких настроек не дают...не знаю, какой у тебя.
    Главное, что бы изображение на экране полностью умещалось, остальное не принципиально.
    Тимекеепер, что у тебя, имеет 28 ног, а панелька 32 ноги. Никаких вставок делать не надо. просто нужно сместить твой тимекеепер на 2 позиции вправо до конца. Т.е. правый край ножек тимкеепера совмещаешь с последними цангами панельки. Всё. первые ноги 1,2 и последние ноги 32,31 в панельке остаются пустыми. Эти ноги панельки для далласа (DS8636 если мне память не изменяет. Гляну завтра на работе конкретно и отпищусь) у него 32 ноги.
    Так. теперь о настройке. Настроить просто.
    Набираешь директиву W/
    Получаешь стандартную картинку DUMPCORа...в строке адреса (сверху) набрать F780 BK.

    DUMPCOR выводит на экран состояние памяти в адресах F700h-F7FFh.
    и устанавливает курсор прям на секундах часов. Если подрыгать курсором со строки на строку, то в ячейку F780h будет записываться случайное текущее значение счетчика секунд часов.
    Имеем :
    F780h - счетчик сеунд.
    F782h - счетчик минут.
    F784h - счетчик часов.
    Просто в эти ячейки памяти принудительно пишешь текущее значение часов, потом минут и, прицелившись ( нужно потренироваться))), значение секунд со своих домашних часов.
    всё. Часы на экране всегда показывают текущее время. Ну, точность хода у часов не атомная, но для работы с компиком вполне достаточная.

    ---------- Post added at 18:51 ---------- Previous post was at 18:43 ----------

    Упс.
    Я посмотрел на твою картинку, похоже у тебя часы выводят время в двоичном коде. Это нужно поменять один бит в настройках. PDF ка на работе. Гляну отпишусь.
    Можешь сам поэкспериментировать. Регистры A B...F70Ah,F70Bh/
    запиши их содержимое на бумажку и попробуй записать новые значения.
    Или найди в Инете даташит на Dallas DS12887. там описаны все регистры управления. можно перейти на 12/24 отображение, двоичное/двоичнодесятичное, коррекция летнее/зимнее время и т.д.

  6. #395

    Регистрация
    07.05.2013
    Адрес
    г. Уфа
    Сообщений
    1,207
    Спасибо Благодарностей отдано 
    345
    Спасибо Благодарностей получено 
    140
    Поблагодарили
    114 сообщений
    Mentioned
    1 Post(s)
    Tagged
    0 Thread(s)

    По умолчанию

    RoklПривет! долго ждал встречи
    все теперь становится на свои места.
    на счет изображения, все устраивает!
    сейчас займусь Dallas-ом.
    теперь я понял про какой ты кварц говорил все время, ты положил с микрухами 8 МГц, это для отстройки моего "Турбо" режима.
    как буду отлаживать все напишу, особенно про ВГ93
    и на будущее нужен звук,.. хоть убей, именно он завораживает чем то

  7. #396

    Регистрация
    28.05.2010
    Адрес
    г. Москва
    Сообщений
    510
    Спасибо Благодарностей отдано 
    5
    Спасибо Благодарностей получено 
    17
    Поблагодарили
    16 сообщений
    Mentioned
    0 Post(s)
    Tagged
    0 Thread(s)

    По умолчанию

    Цитата Сообщение от Ратмир Посмотреть сообщение
    как буду отлаживать все напишу, особенно про ВГ93
    и на будущее нужен звук,.. хоть убей, именно он завораживает чем то
    С ВГ93 не торопись. Там ещё есть косяки и программные и железячные. Как сам разберусь, тогда и поглядим.
    Со звуком на ВИ53 заморочиться можно. Только придется переразводить плату RAM/ROM дисков, что бы на него добавить ещё СОМ порт с ВВ51 и программатор 27С... Благо место ,в принципе, есть. Задумка такая имеется и даже предварительные наброски. Но косяки с ВГ93 остановили проект напрочь. Сижу, курю даташиты и схемы. Да вот программная поддержка полностью отсутствует. А заставить ВИ53 пикать на кнопки, быстро надоедает и начинает давить на нервы (знаю по себе, т.к. из первоначального проекта (ещё домикрокомовского) убрал 580ВИ53 из-за этого хренову тучу лет тому назад и ещё потому, что у неё нет сброса и она начинает пищать сама по себе, пока не пройдут установки её регистров).

  8. #397

    Регистрация
    12.12.2011
    Адрес
    г. Иркутск
    Сообщений
    2,509
    Спасибо Благодарностей отдано 
    10
    Спасибо Благодарностей получено 
    22
    Поблагодарили
    20 сообщений
    Mentioned
    0 Post(s)
    Tagged
    0 Thread(s)

    По умолчанию

    Цитата Сообщение от Rokl Посмотреть сообщение
    и ещё потому, что у неё нет сброса и она начинает пищать сама по себе, пока не пройдут установки её регистров).
    На Апогее ни разу такого не наблюдалось. А вообще для основного звука нужно использовать EI/DI.

  9. #398

    Регистрация
    07.05.2013
    Адрес
    г. Уфа
    Сообщений
    1,207
    Спасибо Благодарностей отдано 
    345
    Спасибо Благодарностей получено 
    140
    Поблагодарили
    114 сообщений
    Mentioned
    1 Post(s)
    Tagged
    0 Thread(s)

    По умолчанию

    Цитата Сообщение от Rokl Посмотреть сообщение
    Просто в эти ячейки памяти принудительно пишешь текущее значение часов, потом минут и, прицелившись ( нужно потренироваться))),
    время вводить научился, но..
    У меня пока часы стоят
    проверил вторую микру то же самое. вроде конец 2010 года, неужели мертвые

  10. #399

    Регистрация
    29.03.2005
    Адрес
    Ярославль
    Сообщений
    1,102
    Спасибо Благодарностей отдано 
    14
    Спасибо Благодарностей получено 
    2
    Поблагодарили
    2 сообщений
    Mentioned
    0 Post(s)
    Tagged
    0 Thread(s)

    По умолчанию

    Ратмир, DS'ки с завода идут в стендбае , надо выводить из спячки.
    RTFM ...
    ZXM-Phoenix 1024+PROF ROM+SMUC+VGA
    Profi 1024+CF+CPM+VGA
    ATARI 800XL+SIO2PC+SIO2SD
    RK86@Maximite

  11. #400

    Регистрация
    07.05.2013
    Адрес
    г. Уфа
    Сообщений
    1,207
    Спасибо Благодарностей отдано 
    345
    Спасибо Благодарностей получено 
    140
    Поблагодарили
    114 сообщений
    Mentioned
    1 Post(s)
    Tagged
    0 Thread(s)

    По умолчанию

    Почитал даташит, но он на английском, так и не понял про первый пуск.

Страница 40 из 55 ПерваяПервая ... 363738394041424344 ... ПоследняяПоследняя

Информация о теме

Пользователи, просматривающие эту тему

Эту тему просматривают: 1 (пользователей: 0 , гостей: 1)

Похожие темы

  1. 07 май - радио
    от AER в разделе Поздравления
    Ответов: 27
    Последнее: 09.05.2010, 02:15
  2. Радио 86РК
    от Shnurkov в разделе Барахолка (архив)
    Ответов: 1
    Последнее: 02.01.2009, 12:52
  3. С Днём Радио!!!
    от BYTEMAN в разделе Поздравления
    Ответов: 8
    Последнее: 07.05.2007, 15:29

Ваши права

  • Вы не можете создавать новые темы
  • Вы не можете отвечать в темах
  • Вы не можете прикреплять вложения
  • Вы не можете редактировать свои сообщения
  •