User Tag List

Страница 18 из 21 ПерваяПервая ... 1415161718192021 ПоследняяПоследняя
Показано с 171 по 180 из 206

Тема: Клавиатура 128К (56 клавиш)

  1. #171

    Регистрация
    30.10.2018
    Адрес
    г. Алматы, Казахстан
    Сообщений
    297
    Спасибо Благодарностей отдано 
    1
    Спасибо Благодарностей получено 
    11
    Поблагодарили
    10 сообщений
    Mentioned
    0 Post(s)
    Tagged
    0 Thread(s)

    По умолчанию

    Странно. Но сейчас же прижимаются два шлейфа. Я понимаю что проще - но у меня в корпус не залезет. Очень мало места. Я попробую китайские шлейфики потом отпишу.

  2. #172

    Регистрация
    30.10.2018
    Адрес
    г. Алматы, Казахстан
    Сообщений
    297
    Спасибо Благодарностей отдано 
    1
    Спасибо Благодарностей получено 
    11
    Поблагодарили
    10 сообщений
    Mentioned
    0 Post(s)
    Tagged
    0 Thread(s)

    По умолчанию

    Есть уже все клавиатуры какие только можно подключить к спеку. Но вот на карантине рашил все таки добить плату Павла Рябцова
    На этой черри клавиатуре у меня работали нормально только 40 клавиш. Я взял чистую плату без кнопок и стал все все прозванивать. И обнаружил досадный косяк.
    На схеме изображено так.


    А на плате получается так.


    На сколько это критично и зачем вообще этот переключатель ?

    Спасибо.

  3. #173

    Регистрация
    10.02.2015
    Адрес
    г. Екатеринбург
    Сообщений
    801
    Спасибо Благодарностей отдано 
    56
    Спасибо Благодарностей получено 
    34
    Поблагодарили
    29 сообщений
    Mentioned
    0 Post(s)
    Tagged
    0 Thread(s)

    По умолчанию

    На схеме верно, на плате нет, а для чего этот переключатель не могу сказать не видя схему.

    Моё железо

    ZX Spectrum 48K issue 2/3/4A/4B/4S/6A
    ZX Spectrum +2
    ZX Spectrum +3
    Harlequin 48K
    Harlequin 128K
    Karabas-128
    [свернуть]

  4. #174

    Регистрация
    30.10.2018
    Адрес
    г. Алматы, Казахстан
    Сообщений
    297
    Спасибо Благодарностей отдано 
    1
    Спасибо Благодарностей получено 
    11
    Поблагодарили
    10 сообщений
    Mentioned
    0 Post(s)
    Tagged
    0 Thread(s)

    По умолчанию

    Как то так.


  5. #175

    Регистрация
    30.12.2018
    Адрес
    г. Москва
    Сообщений
    1,399
    Спасибо Благодарностей отдано 
    12
    Спасибо Благодарностей получено 
    390
    Поблагодарили
    350 сообщений
    Mentioned
    3 Post(s)
    Tagged
    0 Thread(s)

    По умолчанию

    Цитата Сообщение от AndyP Посмотреть сообщение
    Как то так.
    исходя из подписи у вывода и беглого взгляда на схему - можно предположить что для отключения функций расширения.

    Зверинецъ

    Специалист (был когда-то "совсем стандарт") - 1988-2023
    Ленинград1 +256К +AY+BDI+VGA выход +Ethernet (Speccyboot) +Xmodem (115200)+divmmc
    Ленинград2 + CF карта
    Платформа 8085+Z80+CPLD (Специалист МХ2 +SD +FDD +PS/2kbd)
    БК0010-01 стоковый
    [свернуть]

  6. #176

    Регистрация
    30.10.2018
    Адрес
    г. Алматы, Казахстан
    Сообщений
    297
    Спасибо Благодарностей отдано 
    1
    Спасибо Благодарностей получено 
    11
    Поблагодарили
    10 сообщений
    Mentioned
    0 Post(s)
    Tagged
    0 Thread(s)

    По умолчанию

    Согласен.
    Потому думаю у меня и не работали расширенные клавиши. При любом положении выключателя.
    Я просто не особо вникал в разводку платы, все грешил на прошивку. Но не факт.
    Завтра попробую привести в соответствие.

  7. #177

    Регистрация
    30.10.2018
    Адрес
    г. Алматы, Казахстан
    Сообщений
    297
    Спасибо Благодарностей отдано 
    1
    Спасибо Благодарностей получено 
    11
    Поблагодарили
    10 сообщений
    Mentioned
    0 Post(s)
    Tagged
    0 Thread(s)

    По умолчанию

    Не выходит каменный цветок. Вернулся к тому с чего начал. 40 клавиш работают. Расширенные издают звуки но не работают как надо.
    Только Del стирает предыдущий символ. Ext Mode выводит доп окно в 128 Басике. Остальные как пробел. Стрелки да же звука нажатия не выдают.
    Эххх.

  8. #178

    Регистрация
    08.11.2015
    Адрес
    г. Луховицы, Московская обл.
    Сообщений
    837
    Спасибо Благодарностей отдано 
    65
    Спасибо Благодарностей получено 
    136
    Поблагодарили
    116 сообщений
    Mentioned
    0 Post(s)
    Tagged
    0 Thread(s)

    По умолчанию

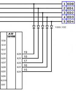
    AndyP, нужно либо изменить подключение выходов ATF к шине данных, либо изменить ее прошивку для данного подключения. Выходы должны быть подключены: 19 вывод через диод к шине KD0, 18 – KD1, 17 – KD2, 16 – KD3, 15 – KD4.

  9. #179

    Регистрация
    30.10.2018
    Адрес
    г. Алматы, Казахстан
    Сообщений
    297
    Спасибо Благодарностей отдано 
    1
    Спасибо Благодарностей получено 
    11
    Поблагодарили
    10 сообщений
    Mentioned
    0 Post(s)
    Tagged
    0 Thread(s)

    По умолчанию

    Я про это говорил сам. Я прозвонил. Подключено правильно.

  10. #180

    Регистрация
    08.11.2015
    Адрес
    г. Луховицы, Московская обл.
    Сообщений
    837
    Спасибо Благодарностей отдано 
    65
    Спасибо Благодарностей получено 
    136
    Поблагодарили
    116 сообщений
    Mentioned
    0 Post(s)
    Tagged
    0 Thread(s)

    По умолчанию

    AndyP, что значит правильно, как на схеме выше?

    Вот так должно быть для пошивки что была здесь в теме.

    Ну и не забываем на ATF подать питание и про GND не забываем.
    Последний раз редактировалось r3d; 19.04.2020 в 12:00.

Страница 18 из 21 ПерваяПервая ... 1415161718192021 ПоследняяПоследняя

Информация о теме

Пользователи, просматривающие эту тему

Эту тему просматривают: 1 (пользователей: 0 , гостей: 1)

Похожие темы

  1. Пленочная (56 клавиш) клавиатура: стандарт
    от Gryphon в разделе Устройства ввода
    Ответов: 9
    Последнее: 22.03.2010, 10:38
  2. Куплю пленочную ZX клавиатуру 58 клавиш
    от Zhizh в разделе Барахолка (архив)
    Ответов: 5
    Последнее: 01.09.2008, 20:34
  3. Куплю клаву 40 клавиш или расширенную
    от F0lken в разделе Барахолка (архив)
    Ответов: 9
    Последнее: 12.08.2008, 12:25
  4. Сигнатура замыкания/дребезга клавиш
    от Raider в разделе Программирование
    Ответов: 19
    Последнее: 11.01.2008, 19:34
  5. Клавиатурку 58 клавиш пленочную куплю!
    от Orionsoft в разделе Барахолка (архив)
    Ответов: 4
    Последнее: 15.05.2005, 15:29

Ваши права

  • Вы не можете создавать новые темы
  • Вы не можете отвечать в темах
  • Вы не можете прикреплять вложения
  • Вы не можете редактировать свои сообщения
  •