Важная информация

User Tag List

Страница 4 из 5 ПерваяПервая 12345 ПоследняяПоследняя
Показано с 31 по 40 из 47

Тема: АТМ Турбо 2 + дисковод

  1. #31

    Регистрация
    06.04.2005
    Адрес
    Земля, Москва, Марьино
    Сообщений
    21,509
    Спасибо Благодарностей отдано 
    0
    Спасибо Благодарностей получено 
    17
    Поблагодарили
    17 сообщений
    Mentioned
    1 Post(s)
    Tagged
    0 Thread(s)

    Exclamation

    Еще в АТМ2 дисковод А: всегда горит лампочкой и видимо всегда крутиться после вкл компа и до откл

  2. #31
    С любовью к вам, Yandex.Direct
    Размещение рекламы на форуме способствует его дальнейшему развитию

  3. #32

    Регистрация
    23.02.2010
    Адрес
    Мурманск
    Сообщений
    133
    Спасибо Благодарностей отдано 
    5
    Спасибо Благодарностей получено 
    0
    Поблагодарили
    0 сообщений
    Mentioned
    0 Post(s)
    Tagged
    0 Thread(s)

    По умолчанию

    Да, именно так и есть. И на 3-х и на 5-ти дюймовом.

  4. #33

    Регистрация
    23.02.2010
    Адрес
    Мурманск
    Сообщений
    133
    Спасибо Благодарностей отдано 
    5
    Спасибо Благодарностей получено 
    0
    Поблагодарили
    0 сообщений
    Mentioned
    0 Post(s)
    Tagged
    0 Thread(s)

    По умолчанию

    Нашел еще два 5,25 дисковода. Panasonic JU-475-5 и Newtronics Mitsumi D509V.
    Подскажите будет ли какой-нибудь из них работать в АТМ (или Спектруме) ????

  5. #34

    Регистрация
    23.02.2010
    Адрес
    Мурманск
    Сообщений
    133
    Спасибо Благодарностей отдано 
    5
    Спасибо Благодарностей получено 
    0
    Поблагодарили
    0 сообщений
    Mentioned
    0 Post(s)
    Tagged
    0 Thread(s)

    По умолчанию

    Разобрался с перемычками на импортные дисководы.
    На Panasonic JU-475-5 поставил перемычки как указано здесь:
    http://zx.pk.ru/showpost.php?p=205163&postcount=18
    Результат - Disk Error Trk0 Sec9 при чтении и *Error* при форматировании.
    Попробовал подключить Mitsumi Newtronics D509 с перемычками как указано здесь:
    http://zx.pk.ru/showpost.php?p=221691&postcount=4
    Результат тот же.
    Есть еще Изот 5323.01 (см. самый первый пост) который ведет себя так же.
    Все дисководы 5,25 пытался запустить под А: и под В: на прямом и перекурченном шлейфе. Резульатат тот же либо No disk.
    При этом дисковод 3" работает на этом же шлейфе отлично. Вот что удивительно!
    Подскажите в чем может быть проблема?
    Сомневаюсь что все 3 дисковода неисправны. Да и контроллер рабочий раз 1,44 запускается.

  6. #35

    Регистрация
    10.04.2005
    Адрес
    Сибирь
    Сообщений
    1,206
    Спасибо Благодарностей отдано 
    275
    Спасибо Благодарностей получено 
    405
    Поблагодарили
    173 сообщений
    Mentioned
    0 Post(s)
    Tagged
    0 Thread(s)

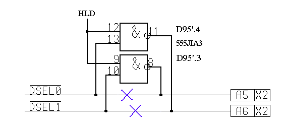
    По умолчанию

    Цитата Сообщение от alexeenko
    Еще в АТМ2 дисковод А: всегда горит лампочкой и видимо всегда крутиться после вкл компа и до откл
    ампочка" будет гореть на последнем активном дисководе. 3,5" дисковод крутнться не будет, если в нем не будет дискеты.


    Чтобы выбор дисковода снимался после обращения к нему, нужно сделать доработку, схема которой приведена во вложении. Можно использовать другие элементы микросхемы; удобно напаять ее на D95 "вторым этажом" за 7 и 14 выводы.
    Миниатюры Миниатюры Нажмите на изображение для увеличения. 

Название:	дорабATM.png 
Просмотров:	325 
Размер:	3.8 Кб 
ID:	19281  
    Если в каком-либо моем посте перестала работать гиперссылка или показываться картинка, напишите мне об этом в личном сообщении,чтобы я смог это исправить.

    Grand's - сайт об электронно-вычислительной технике (основной). Зеркало Сайта

  7. #36

    Регистрация
    23.02.2010
    Адрес
    Мурманск
    Сообщений
    133
    Спасибо Благодарностей отдано 
    5
    Спасибо Благодарностей получено 
    0
    Поблагодарили
    0 сообщений
    Mentioned
    0 Post(s)
    Tagged
    0 Thread(s)

    По умолчанию

    По совету null_device запустил RDS (Rock Disk Service) и о чудо диски начали форматироваться! УРА! УРА! УРА!
    Переформатировал все свои 5" и 3,5" дискеты. TR-Dos без проблем читал чистые их каталоги по команде CAT.
    Дисковод Mitsumi D509V3 перещелкал все диски как орешки. Я рад и весьма доволен.
    В работоспособности дисководов и контроллера теперь сомневаться не приходиться.
    Но почему же тогда в TR-Dos оба дисковода (и 5" , и 3,5") отказываются напрочь форматировать любые дискеты? Что такого хитрого в работе RDS? Почему с ним дисководы подружились сразу же и без проблем?

  8. #37

    Регистрация
    21.09.2010
    Адрес
    Калиниград
    Сообщений
    105
    Спасибо Благодарностей отдано 
    2
    Спасибо Благодарностей получено 
    0
    Поблагодарили
    0 сообщений
    Mentioned
    0 Post(s)
    Tagged
    0 Thread(s)

    По умолчанию

    Привет!

    Тема старая, но для меня актуальна

    Запускаю дисководы на АТМ 2+, 3,5 работает без проблем, 5,25 либо сбрасывает в 48к либо пишет error, всё как в этом посте.

    Что за программа такая RDS (Rock Disk Service) и где её взять?

    Спасибо
    ---------------------------------------------------------------
    ZX Spectrum,+,+2,+2A,+3, Пентагон 48, АТМ Турбо
    Commodore VC20, C64, C64 II, C128
    ATARI 65XE, 130XE, 260ST, 520ST, 1040STE
    AMIGA 500, 500+, 1200

  9. #38

    Регистрация
    27.02.2005
    Адрес
    москва
    Сообщений
    14,335
    Записей в дневнике
    1
    Спасибо Благодарностей отдано 
    204
    Спасибо Благодарностей получено 
    1,493
    Поблагодарили
    972 сообщений
    Mentioned
    18 Post(s)
    Tagged
    0 Thread(s)

    По умолчанию

    Цитата Сообщение от Anteos Посмотреть сообщение
    Что за программа такая RDS (Rock Disk Service) и где её взять?
    смотри в system на вирте (ссылка в правом верхнем углу форума)

  10. #39

    Регистрация
    21.09.2010
    Адрес
    Калиниград
    Сообщений
    105
    Спасибо Благодарностей отдано 
    2
    Спасибо Благодарностей получено 
    0
    Поблагодарили
    0 сообщений
    Mentioned
    0 Post(s)
    Tagged
    0 Thread(s)

    По умолчанию

    Посмотрел, нет там ((
    ---------------------------------------------------------------
    ZX Spectrum,+,+2,+2A,+3, Пентагон 48, АТМ Турбо
    Commodore VC20, C64, C64 II, C128
    ATARI 65XE, 130XE, 260ST, 520ST, 1040STE
    AMIGA 500, 500+, 1200

  11. #40

    Регистрация
    27.02.2005
    Адрес
    москва
    Сообщений
    14,335
    Записей в дневнике
    1
    Спасибо Благодарностей отдано 
    204
    Спасибо Благодарностей получено 
    1,493
    Поблагодарили
    972 сообщений
    Mentioned
    18 Post(s)
    Tagged
    0 Thread(s)

    По умолчанию

    Цитата Сообщение от Anteos Посмотреть сообщение
    Посмотрел, нет там ((
    значит плохо смотрел system/ДисковыеУтилиты http://vtrdos.ru/system/RDS_31.ZIP

Страница 4 из 5 ПерваяПервая 12345 ПоследняяПоследняя

Информация о теме

Пользователи, просматривающие эту тему

Эту тему просматривают: 1 (пользователей: 0 , гостей: 1)

Похожие темы

  1. программатор Турбо 6
    от alli в разделе Барахолка (архив)
    Ответов: 15
    Последнее: 30.01.2010, 21:11
  2. АТМ Турбо версии 7.10
    от jyly0s в разделе Барахолка (архив)
    Ответов: 8
    Последнее: 24.01.2007, 10:56
  3. Турбо ВГ-93
    от Иван в разделе Внешние накопители
    Ответов: 1
    Последнее: 09.11.2006, 14:59
  4. Продам АТМ-Турбо
    от razer в разделе Барахолка (архив)
    Ответов: 15
    Последнее: 22.03.2005, 03:44

Ваши права

  • Вы не можете создавать новые темы
  • Вы не можете отвечать в темах
  • Вы не можете прикреплять вложения
  • Вы не можете редактировать свои сообщения
  •