Важная информация

User Tag List

Страница 126 из 150 ПерваяПервая ... 122123124125126127128129130 ... ПоследняяПоследняя
Показано с 1,251 по 1,260 из 1499

Тема: Помогите опознать Spectrum

  1. #1251

    Регистрация
    06.10.2020
    Адрес
    г. Тейково
    Сообщений
    2
    Спасибо Благодарностей отдано 
    0
    Спасибо Благодарностей получено 
    0
    Поблагодарили
    0 сообщений
    Mentioned
    0 Post(s)
    Tagged
    0 Thread(s)

    По умолчанию

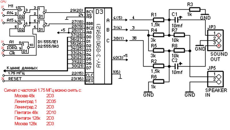
    Спасибо, значит звуковой сопроцессор. А чип какой должен быть? Если AY-8910, то должен быть кварц, но его там нет. В восстановлении решил пока скинуть всю паутину, тем более много проводов оборваны.

  2. #1252

    Регистрация
    11.06.2014
    Адрес
    г. Санкт-Петербург
    Сообщений
    75
    Спасибо Благодарностей отдано 
    2
    Спасибо Благодарностей получено 
    2
    Поблагодарили
    2 сообщений
    Mentioned
    0 Post(s)
    Tagged
    0 Thread(s)

    По умолчанию

    Цитата Сообщение от Sergey 52 Посмотреть сообщение
    А чип какой должен быть? Если AY-8910, то должен быть кварц, но его там нет.
    Не нужен там кварц
    Миниатюры Миниатюры Нажмите на изображение для увеличения. 

Название:	AY-sound.jpg 
Просмотров:	126 
Размер:	61.1 Кб 
ID:	79635  

  3. #1253

    Регистрация
    02.02.2005
    Адрес
    г. Екатеринбург
    Сообщений
    1,549
    Спасибо Благодарностей отдано 
    85
    Спасибо Благодарностей получено 
    156
    Поблагодарили
    107 сообщений
    Mentioned
    14 Post(s)
    Tagged
    0 Thread(s)

    По умолчанию

    А это что за модель?

    Группа в ВК, посвященная кассетным версиям игр для спектрума
    В коллекции:Plazma-128K (YM+TR-DOS), Кворум 128+, Эксперт-006, Квант V3.а, Квант (Didaktik), Компаньон-2 (V2.2), Radon Plus, Урал 8-64К, Byte, Хоббит, Байт, Compact-256, Profi-128K (Kramis V.02), Himac 48K

  4. #1254

    Регистрация
    14.06.2005
    Адрес
    г. Калуга
    Сообщений
    10,161
    Спасибо Благодарностей отдано 
    221
    Спасибо Благодарностей получено 
    779
    Поблагодарили
    423 сообщений
    Mentioned
    23 Post(s)
    Tagged
    0 Thread(s)

    По умолчанию

    Цитата Сообщение от JeRrS Посмотреть сообщение
    А это что за модель?
    Ты уже спрашивал про такой комп - https://zx-pk.ru/threads/13347-pomog...=1#post1177665
    Сайт поддержки моих изделий - http://micklab.ru/
    Группа ВКонтакте - https://vk.com/micklab

    Этот пользователь поблагодарил Mick за это полезное сообщение:

    JeRrS(19.10.2023)

  5. #1255

    Регистрация
    02.02.2005
    Адрес
    г. Екатеринбург
    Сообщений
    1,549
    Спасибо Благодарностей отдано 
    85
    Спасибо Благодарностей получено 
    156
    Поблагодарили
    107 сообщений
    Mentioned
    14 Post(s)
    Tagged
    0 Thread(s)

    По умолчанию

    А здеся что за модель?

    Группа в ВК, посвященная кассетным версиям игр для спектрума
    В коллекции:Plazma-128K (YM+TR-DOS), Кворум 128+, Эксперт-006, Квант V3.а, Квант (Didaktik), Компаньон-2 (V2.2), Radon Plus, Урал 8-64К, Byte, Хоббит, Байт, Compact-256, Profi-128K (Kramis V.02), Himac 48K

  6. #1256

    Регистрация
    19.01.2005
    Адрес
    Санкт-Петербург
    Сообщений
    11,570
    Спасибо Благодарностей отдано 
    207
    Спасибо Благодарностей получено 
    188
    Поблагодарили
    83 сообщений
    Mentioned
    5 Post(s)
    Tagged
    0 Thread(s)

    По умолчанию

    Цитата Сообщение от JeRrS Посмотреть сообщение
    А здеся что за модель?

    Иногда ее называют Электроприбор (Гатчинский). Хотя как выясняется к нему она почти не имела отношения.

    Эту плату разработал мой товарищ по институту (возможно, совместно с кем-то) где-то в середине 80х, после того, как ему в руки попал привезенный из-за границы ZX Spectrum (Njulf мы называли его "Синклер"). По его фотошаблону партию таких плат изготовили на "Ленинце" в Гатчине. Несколько компьютеров на такой плате тогда собрал я сам. Но вскоре на "Юноне" появились более компактные платы для "Зоновской" схемы, и все (в т.ч. и я) перешли на них.
    Про середину 80-х думаю тут ошибка, как и про Зонова.

  7. #1257

    Регистрация
    19.01.2005
    Адрес
    Санкт-Петербург
    Сообщений
    11,570
    Спасибо Благодарностей отдано 
    207
    Спасибо Благодарностей получено 
    188
    Поблагодарили
    83 сообщений
    Mentioned
    5 Post(s)
    Tagged
    0 Thread(s)

    По умолчанию

    А напомните, что вот это за плата?





    Помню только что из Новосибирска прислали.

  8. #1258

    Регистрация
    19.06.2014
    Адрес
    г. Ижевск
    Сообщений
    18
    Спасибо Благодарностей отдано 
    5
    Спасибо Благодарностей получено 
    0
    Поблагодарили
    0 сообщений
    Mentioned
    0 Post(s)
    Tagged
    0 Thread(s)

    По умолчанию

    Приветствую !
    Вот тут https://www.avito.ru/tomsk/nastolnye...08976#extended продают спектрум, продавец пишет Лениград 48, но как то не очень похож может кто подскажет что за версия ?
    фото
    Последний раз редактировалось Irodenko; 22.10.2023 в 09:03.
    С Уважением Ироденко Алексей.

  9. #1259

    Регистрация
    24.01.2010
    Адрес
    Москва
    Сообщений
    370
    Спасибо Благодарностей отдано 
    9
    Спасибо Благодарностей получено 
    4
    Поблагодарили
    4 сообщений
    Mentioned
    0 Post(s)
    Tagged
    0 Thread(s)

    По умолчанию

    Цитата Сообщение от newart Посмотреть сообщение
    А напомните, что вот это за плата?

    Скрытый текст





    [свернуть]

    Помню только что из Новосибирска прислали.
    Похожа на Дубну 48К
    Последний раз редактировалось im2; 22.10.2023 в 10:11.

    Железо

    ZX-Evolution rev.С; TSFM; NeoGS Rev.C | БК-0011М | ReVerSE-U16 Rev.C | Profi 5.03
    A1200 Rev.1D1; Bliz060@50+SCSI Kit+128Mb; CF-IDE 16Gb; AOS3.9 | A1200 Rev.1D4; Micronic Infinitiv 1200 + Zorro II board ; BPPC060@60/603e@240+256Mb ; Cybervision 64-3D ; Indi AGA Mk2 ; Spitfire SCSI ; PCD-60B SCSI Card Reader ; IDE Buddha Flash ; Toccata ; AOS4.1
    Yamaha MSX2 YIS503IIIR КУВТ2
    Mac Mini G4; 1,5Ghz; RAM 1Gb; HDD 80Gb; AirPort
    [свернуть]

  10. #1260

    Регистрация
    19.01.2005
    Адрес
    Санкт-Петербург
    Сообщений
    11,570
    Спасибо Благодарностей отдано 
    207
    Спасибо Благодарностей получено 
    188
    Поблагодарили
    83 сообщений
    Mentioned
    5 Post(s)
    Tagged
    0 Thread(s)

    По умолчанию

    Цитата Сообщение от Irodenko Посмотреть сообщение
    Приветствую !
    Вот тут https://www.avito.ru/tomsk/nastolnye...08976#extended продают спектрум, продавец пишет Лениград 48, но как то не очень похож может кто подскажет что за версия ?
    фото
    Это же новодел

Страница 126 из 150 ПерваяПервая ... 122123124125126127128129130 ... ПоследняяПоследняя

Информация о теме

Пользователи, просматривающие эту тему

Эту тему просматривают: 1 (пользователей: 0 , гостей: 1)

Похожие темы

  1. Помогите опознать
    от Soichi в разделе Несортированное железо
    Ответов: 10
    Последнее: 20.03.2010, 17:00
  2. Помогите опознать
    от LeBohdan в разделе Несортированное железо
    Ответов: 2
    Последнее: 20.11.2009, 19:54
  3. помогите опознать
    от artem_zp в разделе Несортированное железо
    Ответов: 33
    Последнее: 16.11.2009, 21:56
  4. Помогите опознать!
    от finik в разделе Несортированное железо
    Ответов: 7
    Последнее: 06.03.2008, 00:55
  5. Помогите опознать!
    от axor в разделе Несортированное железо
    Ответов: 1
    Последнее: 16.10.2006, 16:53

Ваши права

  • Вы не можете создавать новые темы
  • Вы не можете отвечать в темах
  • Вы не можете прикреплять вложения
  • Вы не можете редактировать свои сообщения
  •