User Tag List

Результаты опроса: Нужен ли SMUC в железе?

Голосовавшие
15. Вы ещё не участвовали в этом опросе
  • Да

    13 86.67%
  • Нет

    2 13.33%
Страница 34 из 85 ПерваяПервая ... 303132333435363738 ... ПоследняяПоследняя
Показано с 331 по 340 из 847

Тема: SMUC на дискретах и ПЛИС

  1. #331

    Регистрация
    17.02.2008
    Адрес
    Пенза
    Сообщений
    1,102
    Спасибо Благодарностей отдано 
    49
    Спасибо Благодарностей получено 
    14
    Поблагодарили
    13 сообщений
    Mentioned
    0 Post(s)
    Tagged
    0 Thread(s)

    По умолчанию

    Цитата Сообщение от Дмитрий Посмотреть сообщение
    ZxMultiCard с ейным RS-232 по терминалу с писюком
    блин. забыл совсем. надо посмотреть плотнее как это работает.
    чат о Пентагонах https://t.me/Pentagon_ZX_Chat чат о Скорпионах https://t.me/zs_scorpion

  2. #331
    С любовью к вам, Yandex.Direct
    Размещение рекламы на форуме способствует его дальнейшему развитию

  3. #332

    Регистрация
    22.02.2005
    Адрес
    Украина, Харьков
    Сообщений
    1,528
    Спасибо Благодарностей отдано 
    13
    Спасибо Благодарностей получено 
    6
    Поблагодарили
    5 сообщений
    Mentioned
    0 Post(s)
    Tagged
    0 Thread(s)

    По умолчанию

    Цитата Сообщение от Mirazh Посмотреть сообщение
    подключил вчерась... все затикало, память нашлась.... но утром все забылось. придется сверлить (((
    Не факт, что что-то с микросхемой часов, поищи в топике, на SMUC была проблема в том, что переодически часы сбрасываются, вместе со встроенной CMOS-RAM. В чем загвоздка так и не определили. Вот если в 10 случаях из 10 будет слетать время, тогда уже проблема в батарейке.
    Цитата Сообщение от Mirazh Посмотреть сообщение
    ps: а самой MC146818 только внешний генератор нужен на кварце и все?
    Речь про голую MC146818 или всетаки Dallas? Микросхема требует обвязки, для Dallas даже резонатор не требуется, он встроенный: http://www.mcamafia.de/mcapage0/jpg/ds1287rw.gif
    Последний раз редактировалось spensor; 12.03.2009 в 16:15.

  4. #333

    Регистрация
    17.02.2008
    Адрес
    Пенза
    Сообщений
    1,102
    Спасибо Благодарностей отдано 
    49
    Спасибо Благодарностей получено 
    14
    Поблагодарили
    13 сообщений
    Mentioned
    0 Post(s)
    Tagged
    0 Thread(s)

    По умолчанию

    Цитата Сообщение от spensor Посмотреть сообщение
    Речь про голую MC146818
    уточняю - KS82C6818A. рядом на матери вижу обвязку в виде кварца, конденсатора, 2х резисторов и возможно 4069...
    чат о Пентагонах https://t.me/Pentagon_ZX_Chat чат о Скорпионах https://t.me/zs_scorpion

  5. #334

    Регистрация
    22.02.2005
    Адрес
    Украина, Харьков
    Сообщений
    1,528
    Спасибо Благодарностей отдано 
    13
    Спасибо Благодарностей получено 
    6
    Поблагодарили
    5 сообщений
    Mentioned
    0 Post(s)
    Tagged
    0 Thread(s)

    По умолчанию

    Цитата Сообщение от ewgeny7
    Валера, раз пошла такая пьянка то нету ли у тебя мыслей как заделать SD к IDE интерфейсу? Вместо винта. Это было бы весьма продвинутый довесок. Крайне желательна схема.
    Как минимум тут без контролера не отделаешься, проще ПП править. Надо таки MOA искать на предмет сорцев, на одном из пати он AlCo обещал передать.
    Цитата Сообщение от ewgeny7
    И заодно, схему глюковских часов никто не подкинет, у мну его искать неделю надо...
    Ищи в журнале Черная Ворона, там была схема. Еще тут:
    http://zxdn.narod.ru/hardware/dv08gluk.htm
    http://zxdn.narod.ru/hardware/op31cmos.htm

    Добавлено через 43 минуты
    Цитата Сообщение от Mirazh
    уточняю - KS82C6818A. рядом на матери вижу обвязку в виде кварца, конденсатора, 2х резисторов и возможно 4069...
    Чем Samsumg от Motorolla отличается трудно сказать, даташит найти не удается, но вероятнее всего просто клон. Если так, то по идее повторить узел обвязки к промеру из дискретной схемы. Тактовый генератор у RTC встроенный - достаточно резонатора и двух конденсаторов.
    Последний раз редактировалось spensor; 12.03.2009 в 17:20. Причина: Добавлено сообщение

  6. #335

    Регистрация
    03.07.2005
    Адрес
    Санкт-Петербург
    Сообщений
    10,168
    Спасибо Благодарностей отдано 
    147
    Спасибо Благодарностей получено 
    84
    Поблагодарили
    55 сообщений
    Mentioned
    1 Post(s)
    Tagged
    0 Thread(s)

    По умолчанию

    Цитата Сообщение от spensor Посмотреть сообщение
    Тактовый генератор у RTC встроенный - достаточно резонатора и двух конденсаторов.
    Не обращали внимание, что у глюка обвязка кварца посложней? Может в этом собака порылась?
    ScorpEvo ZS 1024 turbo+ CF-HDD/FDD/Mouse/SMUC 3.1/ProfROMse/NeoGS/ZC
    Speccy-2007 128/AY/TR-DOS

    Сайт с документацией к "Scorpion ZS 256"

  7. #336

    Регистрация
    03.07.2005
    Адрес
    Санкт-Петербург
    Сообщений
    10,168
    Спасибо Благодарностей отдано 
    147
    Спасибо Благодарностей получено 
    84
    Поблагодарили
    55 сообщений
    Mentioned
    1 Post(s)
    Tagged
    0 Thread(s)

    По умолчанию

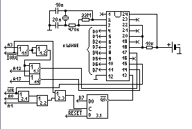
    Вот:
    Миниатюры Миниатюры Нажмите на изображение для увеличения. 

Название:	gluck.GIF 
Просмотров:	323 
Размер:	3.5 Кб 
ID:	11061  
    ScorpEvo ZS 1024 turbo+ CF-HDD/FDD/Mouse/SMUC 3.1/ProfROMse/NeoGS/ZC
    Speccy-2007 128/AY/TR-DOS

    Сайт с документацией к "Scorpion ZS 256"

  8. #337

    Регистрация
    17.02.2008
    Адрес
    Пенза
    Сообщений
    1,102
    Спасибо Благодарностей отдано 
    49
    Спасибо Благодарностей получено 
    14
    Поблагодарили
    13 сообщений
    Mentioned
    0 Post(s)
    Tagged
    0 Thread(s)

    По умолчанию

    вставил KS82C6818A вместо далласа - профку клинит при определении смука
    чат о Пентагонах https://t.me/Pentagon_ZX_Chat чат о Скорпионах https://t.me/zs_scorpion

  9. #338

    Регистрация
    17.02.2008
    Адрес
    Пенза
    Сообщений
    1,102
    Спасибо Благодарностей отдано 
    49
    Спасибо Благодарностей получено 
    14
    Поблагодарили
    13 сообщений
    Mentioned
    0 Post(s)
    Tagged
    0 Thread(s)

    По умолчанию ну типа вот, готово :)

    просто так, решил запостить - вдруг кому понадобится
    Миниатюры Миниатюры Нажмите на изображение для увеличения. 

Название:	Resize of final_smuc.jpg 
Просмотров:	335 
Размер:	55.9 Кб 
ID:	11071   Нажмите на изображение для увеличения. 

Название:	Resize of final_smuc_top.jpg 
Просмотров:	265 
Размер:	56.0 Кб 
ID:	11072  
    чат о Пентагонах https://t.me/Pentagon_ZX_Chat чат о Скорпионах https://t.me/zs_scorpion

  10. #339

    Регистрация
    03.07.2005
    Адрес
    Санкт-Петербург
    Сообщений
    10,168
    Спасибо Благодарностей отдано 
    147
    Спасибо Благодарностей получено 
    84
    Поблагодарили
    55 сообщений
    Mentioned
    1 Post(s)
    Tagged
    0 Thread(s)

    По умолчанию

    Маленько измененная прошивка.
    Здесь уже расчет идет на ЛЕ4, убраны сигналы А0, А6, IORQ, а сигналы А13 и А15 перенесены на ноги 1 и 2 альтеры соответственно.
    Итого - остаются свободными 33, 37 и 40 ноги альтеры для добавления доработок типа глюка.
    Mirazh, если у тебя есть ЛЕ4 то попробуй проверить этот вариант прошивки пжлста
    Доработка на ЛЕ4 от Black Cat: http://www.zx.pk.ru/showpost.php?p=187178&postcount=633
    Вложения Вложения
    • Тип файла: rar smuc2.rar (1.7 Кб, Просмотров: 212)
    Последний раз редактировалось Ewgeny7; 12.03.2009 в 22:53.
    ScorpEvo ZS 1024 turbo+ CF-HDD/FDD/Mouse/SMUC 3.1/ProfROMse/NeoGS/ZC
    Speccy-2007 128/AY/TR-DOS

    Сайт с документацией к "Scorpion ZS 256"

  11. #340

    Регистрация
    01.01.2009
    Адрес
    Донецк, Украина
    Сообщений
    3,260
    Спасибо Благодарностей отдано 
    35
    Спасибо Благодарностей получено 
    9
    Поблагодарили
    8 сообщений
    Mentioned
    2 Post(s)
    Tagged
    0 Thread(s)

    По умолчанию

    ПП разведена, из-за 2х исправлений думаю переразводить не стоит, можно аккуратно отрезать 4 ноги плисины и накинуть 2 провода...
    Либо подождать еще месяцок и тогда сделать окончательную разводку смука уже со всеми наворотами Иначе мы живьем смука никогда не увидим

Страница 34 из 85 ПерваяПервая ... 303132333435363738 ... ПоследняяПоследняя

Информация о теме

Пользователи, просматривающие эту тему

Эту тему просматривают: 1 (пользователей: 0 , гостей: 1)

Похожие темы

  1. Real Commander + HDD SMUC
    от bugsy в разделе Софт
    Ответов: 30
    Последнее: 07.06.2020, 21:40
  2. Порты SMUC
    от spensor в разделе Scorpion
    Ответов: 35
    Последнее: 17.08.2005, 16:27
  3. Куплю SMUC
    от Crowner в разделе Барахолка (архив)
    Ответов: 0
    Последнее: 21.04.2005, 20:55
  4. Куплю SMUC, GS, Ёлку...
    от Mike в разделе Барахолка (архив)
    Ответов: 0
    Последнее: 20.04.2005, 13:44
  5. Куплю SMUC
    от Shadow в разделе Барахолка (архив)
    Ответов: 0
    Последнее: 01.02.2005, 09:30

Ваши права

  • Вы не можете создавать новые темы
  • Вы не можете отвечать в темах
  • Вы не можете прикреплять вложения
  • Вы не можете редактировать свои сообщения
  •