User Tag List

Результаты опроса: Нужен ли SMUC в железе?

Голосовавшие
15. Вы ещё не участвовали в этом опросе
  • Да

    13 86.67%
  • Нет

    2 13.33%
Страница 64 из 85 ПерваяПервая ... 606162636465666768 ... ПоследняяПоследняя
Показано с 631 по 640 из 847

Тема: SMUC на дискретах и ПЛИС

  1. #631

    Регистрация
    17.02.2006
    Адрес
    Светлогорск на Березине
    Сообщений
    1,093
    Спасибо Благодарностей отдано 
    0
    Спасибо Благодарностей получено 
    2
    Поблагодарили
    2 сообщений
    Mentioned
    0 Post(s)
    Tagged
    0 Thread(s)

    По умолчанию

    Цитата Сообщение от ewgeny7 Посмотреть сообщение
    74...139 недоставаемы? (LS, ALS, HC, HCT).

    ---------- Post added at 22:29 ---------- Previous post was at 22:26 ----------

    Кстати, ты не мог бы прошивку 3.9 выложить сюда? Для экспериментов
    Хорошо завтра к вечеру скину. Просто при себе нету, я со Смарта вылез.
    По поводу аналогов ИД14 я в курсе, их тоже нет. Я давно на ИД14 охочусь, но безрезультатно :-(
    ZXM-Phoenix-1024(rev.02)
    KAY-1024turbo(rev.2010)/FDC/NemoIDE/SMUC2.0/GS(512)
    БАЙТ(БЭМЗ)/FDC
    ZX-Evolution(rev.C)
    Sega Dreamcast(PAL)/2xJoypad/Keyboard
    A500Plus

    ___________________________
    Идея, брошенная в массы - девка, брошенная в полк

  2. #631
    С любовью к вам, Yandex.Direct
    Размещение рекламы на форуме способствует его дальнейшему развитию

  3. #632

    Регистрация
    11.01.2006
    Адрес
    Брест/Минск
    Сообщений
    8,398
    Записей в дневнике
    4
    Спасибо Благодарностей отдано 
    188
    Спасибо Благодарностей получено 
    122
    Поблагодарили
    60 сообщений
    Mentioned
    7 Post(s)
    Tagged
    0 Thread(s)

    По умолчанию

    ИД14 я заменял одной "единственной" ИД4 и одной "единственной" ИД7. У мну их тоже дефицит...
    С уважением, Александр.
    Scorpion ZS-256 Turbo+ GMX-2048
    SID-Blaster/ZX
    Музей ретрокомпьютеров в Минске!
    Здесь ничего нет => http://byteman.by
    И здесь тоже --->>> http://bytespace.by

  4. #633

    Регистрация
    17.02.2006
    Адрес
    Светлогорск на Березине
    Сообщений
    1,093
    Спасибо Благодарностей отдано 
    0
    Спасибо Благодарностей получено 
    2
    Поблагодарили
    2 сообщений
    Mentioned
    0 Post(s)
    Tagged
    0 Thread(s)

    По умолчанию

    Цитата Сообщение от BYTEMAN Посмотреть сообщение
    ИД14 я заменял одной "единственной" ИД4 и одной "единственной" ИД7. У мну их тоже дефицит...
    С этого момента поподробнее!!!
    ZXM-Phoenix-1024(rev.02)
    KAY-1024turbo(rev.2010)/FDC/NemoIDE/SMUC2.0/GS(512)
    БАЙТ(БЭМЗ)/FDC
    ZX-Evolution(rev.C)
    Sega Dreamcast(PAL)/2xJoypad/Keyboard
    A500Plus

    ___________________________
    Идея, брошенная в массы - девка, брошенная в полк

  5. #634

    Регистрация
    11.01.2006
    Адрес
    Брест/Минск
    Сообщений
    8,398
    Записей в дневнике
    4
    Спасибо Благодарностей отдано 
    188
    Спасибо Благодарностей получено 
    122
    Поблагодарили
    60 сообщений
    Mentioned
    7 Post(s)
    Tagged
    0 Thread(s)

    По умолчанию

    Взял справочник по микрухам, нашёл похожую по логике работы. Подошли как ИД4, так и ИД7. Тока в справочнике были очепятки с нумерацией выводов, поэтому дофига возиться пришлось...

    Короч, просто бери любую мсх с похожей логикой работы и распаивай проводками Я когда контр винта для Амиги паял, то делал всё на монтажке. Поэтому и замену любую мог сделать.
    С уважением, Александр.
    Scorpion ZS-256 Turbo+ GMX-2048
    SID-Blaster/ZX
    Музей ретрокомпьютеров в Минске!
    Здесь ничего нет => http://byteman.by
    И здесь тоже --->>> http://bytespace.by

  6. #635

    Регистрация
    22.02.2005
    Адрес
    Украина, Харьков
    Сообщений
    1,528
    Спасибо Благодарностей отдано 
    13
    Спасибо Благодарностей получено 
    6
    Поблагодарили
    5 сообщений
    Mentioned
    0 Post(s)
    Tagged
    0 Thread(s)

    По умолчанию

    Цитата Сообщение от AlexFantasy
    С этого момента поподробнее!!!
    Для замены DD14.1 будет как во вложении, при этом DD16.3 не нужен.
    Для DD14.2 по аналогии, только на 4 ножку подается RTC, а на 5 "земля". И DD14.2 лепить имеет смысл если нужны часы, а это необязательный узел.
    Да, и саму DD16.3 в этом случае поставить вместо связки R12, VD5, VD6, кто не в теме это дискретный элемент ИЛИ.
    Миниатюры Миниатюры Нажмите на изображение для увеличения. 

Название:	ID14toID7.gif 
Просмотров:	303 
Размер:	11.3 Кб 
ID:	15040  
    Последний раз редактировалось spensor; 24.12.2009 в 15:13.

  7. #636

    Регистрация
    17.02.2006
    Адрес
    Светлогорск на Березине
    Сообщений
    1,093
    Спасибо Благодарностей отдано 
    0
    Спасибо Благодарностей получено 
    2
    Поблагодарили
    2 сообщений
    Mentioned
    0 Post(s)
    Tagged
    0 Thread(s)

    По умолчанию

    Цитата Сообщение от ewgeny7 Посмотреть сообщение
    22:26 ----------[/SIZE]

    [/COLOR]Кстати, ты не мог бы прошивку 3.9 выложить сюда? Для экспериментов
    Вот та самая прошивка версии 3.9f которую мне залили в 28f1000 и W49F002 ! Только сам еще несобирал схемку для ПРОФПЗУ... Если кто испробует именноно эту то отпишитесь!
    Вложения Вложения
    Последний раз редактировалось AlexFantasy; 25.12.2009 в 16:53.
    ZXM-Phoenix-1024(rev.02)
    KAY-1024turbo(rev.2010)/FDC/NemoIDE/SMUC2.0/GS(512)
    БАЙТ(БЭМЗ)/FDC
    ZX-Evolution(rev.C)
    Sega Dreamcast(PAL)/2xJoypad/Keyboard
    A500Plus

    ___________________________
    Идея, брошенная в массы - девка, брошенная в полк

  8. #637

    Регистрация
    17.02.2006
    Адрес
    Светлогорск на Березине
    Сообщений
    1,093
    Спасибо Благодарностей отдано 
    0
    Спасибо Благодарностей получено 
    2
    Поблагодарили
    2 сообщений
    Mentioned
    0 Post(s)
    Tagged
    0 Thread(s)

    По умолчанию

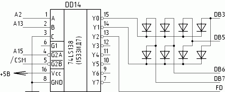
    И снова мысли по поводу замены ИД14 в SMUC 0.0 !!!

    Качнул я все-таки Datasheet с Инета по ИД14 просмотрел таблицу истинности. К удивлению обнаружил сходство со одной из половинкой микросхемы ИД4(та что с "двумя" инверсными управляющими входами).

    Теоретически прикинул что все должно подключаться вот так :

    A2------------->2(13)ножка D14 ИД14(ИД4)
    A13------------->3(3)ножка D14 ИД14(ИД4)
    D16 8ножка-->1(14+15)ножка D14 ИД14(ИД4)
    FD------------->6(11)ножка D14 ИД14(ИД4)
    Ну и ножки 4,5,7 ИД14 соответствуют ножкам 9,10,12 ИД4.

    Вторую половинку тоже наверное можно использовать но только одну(адресные входы у обеих половинок общие), там один из управляющих входов (1ножка) неинверсный. Так понимаю нужно сигнал который будет приходить на 2 ножку, нужно будет подать на 1 ножку, но только через инвертор....?
    Если я в чем-то ошибся или что-то недопонял, то поправьте меня пожалуйста!
    Последний раз редактировалось AlexFantasy; 26.12.2009 в 11:47.
    ZXM-Phoenix-1024(rev.02)
    KAY-1024turbo(rev.2010)/FDC/NemoIDE/SMUC2.0/GS(512)
    БАЙТ(БЭМЗ)/FDC
    ZX-Evolution(rev.C)
    Sega Dreamcast(PAL)/2xJoypad/Keyboard
    A500Plus

    ___________________________
    Идея, брошенная в массы - девка, брошенная в полк

  9. #638

    Регистрация
    11.01.2006
    Адрес
    Брест/Минск
    Сообщений
    8,398
    Записей в дневнике
    4
    Спасибо Благодарностей отдано 
    188
    Спасибо Благодарностей получено 
    122
    Поблагодарили
    60 сообщений
    Mentioned
    7 Post(s)
    Tagged
    0 Thread(s)

    По умолчанию

    Ноиера ножек не помню, но я при замене рассуждал аналогично!

    ---------- Post added at 13:45 ---------- Previous post was at 13:44 ----------

    Если интересует, то могу точно глянуть, какие выводы куда я садил.
    С уважением, Александр.
    Scorpion ZS-256 Turbo+ GMX-2048
    SID-Blaster/ZX
    Музей ретрокомпьютеров в Минске!
    Здесь ничего нет => http://byteman.by
    И здесь тоже --->>> http://bytespace.by

  10. #639

    Регистрация
    17.02.2006
    Адрес
    Светлогорск на Березине
    Сообщений
    1,093
    Спасибо Благодарностей отдано 
    0
    Спасибо Благодарностей получено 
    2
    Поблагодарили
    2 сообщений
    Mentioned
    0 Post(s)
    Tagged
    0 Thread(s)

    По умолчанию

    Цитата Сообщение от BYTEMAN Посмотреть сообщение
    Ноиера ножек не помню, но я при замене рассуждал аналогично!

    ---------- Post added at 13:45 ---------- Previous post was at 13:44 ----------

    Если интересует, то могу точно глянуть, какие выводы куда я садил.
    Ну посмотри по приколу если не лень... Я просто вижу что должно сработать на все 99%... И ваще бери и ты за компанию собирай СМУКъ!!!
    Последний раз редактировалось AlexFantasy; 28.12.2009 в 19:20.
    ZXM-Phoenix-1024(rev.02)
    KAY-1024turbo(rev.2010)/FDC/NemoIDE/SMUC2.0/GS(512)
    БАЙТ(БЭМЗ)/FDC
    ZX-Evolution(rev.C)
    Sega Dreamcast(PAL)/2xJoypad/Keyboard
    A500Plus

    ___________________________
    Идея, брошенная в массы - девка, брошенная в полк

  11. #640

    Регистрация
    11.01.2006
    Адрес
    Брест/Минск
    Сообщений
    8,398
    Записей в дневнике
    4
    Спасибо Благодарностей отдано 
    188
    Спасибо Благодарностей получено 
    122
    Поблагодарили
    60 сообщений
    Mentioned
    7 Post(s)
    Tagged
    0 Thread(s)

    По умолчанию

    Цитата Сообщение от AlexFantasy Посмотреть сообщение
    Ну посмотри по приколу если не лень... Я просто вижу что должно сработать на все 99%... И ваще бери и ты за компанию собирай СМУКъ!!!
    Угу. И в какое место мне его вставить?
    С уважением, Александр.
    Scorpion ZS-256 Turbo+ GMX-2048
    SID-Blaster/ZX
    Музей ретрокомпьютеров в Минске!
    Здесь ничего нет => http://byteman.by
    И здесь тоже --->>> http://bytespace.by

Страница 64 из 85 ПерваяПервая ... 606162636465666768 ... ПоследняяПоследняя

Информация о теме

Пользователи, просматривающие эту тему

Эту тему просматривают: 1 (пользователей: 0 , гостей: 1)

Похожие темы

  1. Real Commander + HDD SMUC
    от bugsy в разделе Софт
    Ответов: 30
    Последнее: 07.06.2020, 21:40
  2. Порты SMUC
    от spensor в разделе Scorpion
    Ответов: 35
    Последнее: 17.08.2005, 16:27
  3. Куплю SMUC
    от Crowner в разделе Барахолка (архив)
    Ответов: 0
    Последнее: 21.04.2005, 20:55
  4. Куплю SMUC, GS, Ёлку...
    от Mike в разделе Барахолка (архив)
    Ответов: 0
    Последнее: 20.04.2005, 13:44
  5. Куплю SMUC
    от Shadow в разделе Барахолка (архив)
    Ответов: 0
    Последнее: 01.02.2005, 09:30

Ваши права

  • Вы не можете создавать новые темы
  • Вы не можете отвечать в темах
  • Вы не можете прикреплять вложения
  • Вы не можете редактировать свои сообщения
  •