Привет всем!
Вопрос очень интересный. Читал по поиску "ROM-диск", все темы заходили в тупик.
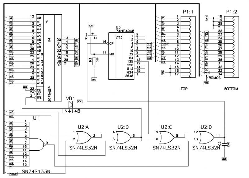
Нашел http://www.speccy.org/trastero/cosas...lashcart_e.htm
такой ROM-диск. Вроде бы все понятно, но зачем там диод - тупик. Если был бы диод в обратном направлении, то работало бы, как я думаю. Кто-нибудь собирал эту схему? Работает? Удобно то, что даже программа есть, которая уже выгружает файл для прошивки ПЗУ. Это был первый вопрос.
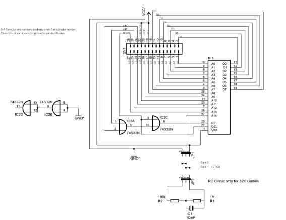
Далее... У меня имеются ПЗУ (Флеши) от мамок, старых и новых, от HDD и от разных устройств. Список свой составил - в основном на 64 кб. Никто не делал РОМ-диск на подобный размер? Откуда брать прошивки или как их вообще делать? Очень много непонятного. Если я возьму и по первой схеме - попросту входы и выходы ПЗУ подключу на процессор, управляющие на MREQ то как оно должно работать? Ведь в процессоре есть программируемый счетчик, как его заставить следовать тому или иному адресу? Или все это делается как-то иначе? Объясните, пожалуйста.
Развел плату по ссылке (по схеме), все есть, а 74133 нигде нет... Заказал, придут 7 штук в Радиолу (Новосибирск) во вторник. Попробую собрать. Но все же вопросов - хоть отбавляй.
Поэтому - если кто-то делал РОМ-диски, прошу отзовитесь!




Ответить с цитированием
Размещение рекламы на форуме способствует его дальнейшему развитию 

, по крайней мере судя по той схеме что ты дал со странным диодом 
