User Tag List

Показано с 11 по 20 из 1598

Тема: KAY-1024/SL-4/TURBO v2010 + NemoFDC + NemoIDE

Древовидный режим

Предыдущее сообщение Предыдущее сообщение   Следующее сообщение Следующее сообщение
  1. #1

    Регистрация
    24.01.2009
    Адрес
    Камышин
    Сообщений
    1,407
    Спасибо Благодарностей отдано 
    130
    Спасибо Благодарностей получено 
    10
    Поблагодарили
    7 сообщений
    Mentioned
    0 Post(s)
    Tagged
    0 Thread(s)

    Lightbulb KAY-1024/SL-4/TURBO v2010 + NemoFDC + NemoIDE

    KAY-1024/SL-4/TURBO v2010 + NemoFDC + NemoIDE
    Итак, уважаемые коллеги, с этой темы помаленьку начну выкладывать материалы по обновленной и доработанной версии легендарного компа KAY-1024 и двум платам к нему – NemoFDС (Турбо контроллер НГМД Beta-Turbo) и NemoIDE.

    Краткая спецификация:
    KAY-1024 SL4/Turbo v2010
    Процессор - Z80 с частотой 3,5 Мгц(no WAIT!), 7 Мгц в режиме «Турбо»;
    ОЗУ - 1024кб (8шт. 411000 или других, 18 пин., с организацией 1Мx1, возможно так же использование 30-пин. модуля СИММ, 1Мб!);
    ПЗУ - 64кб, микросхема 27с512(Возможно использование ROM-Switchera или ПрофПЗУ!!!);
    Звук - AY совместимая микросхема(AY-3-8910, YM2149F), стандартный биппер;
    Накопители - FDD и контроллер Nemo HDD(при установке соотв. контроллеров);
    Слоты расширения - 4(!) слота NEMO-BUS;
    Форм-фактор - произвольный, размер платы: 227 х 217 мм;
    Внешний вид платы:
    Нажмите на изображение для увеличения. 

Название:	My_KAY1024Top.jpg 
Просмотров:	988 
Размер:	100.3 Кб 
ID:	78376
    Фотка в хорошем разрешении

    Данная плата с кучей добавлений и улучшений, благодаря совместным усилиям.
    Отдельное спасибо:
    1. Caro(Камиль Каримов) и m.d. - за noWAIT-контроллер PS2 клавы;
    2. SoftFelix- за дельные советы/пожелания и модуль подключения SIMM-30 1Мб;
    3. ZEK - за помощь в проверке нек. плат и серьезной помощи в "доразводке" платы KAY после "сведения всего в кучу";
    4. ZST - за модуль порта #FF, дельные советы/пожелания и то, что взвалил на себя ношу по заказу плат, конструкторов и т.д.;
    5. БК-0010 - за дельные советы/пожелания;
    6. Дмитрию - за ряд консультаций по "оригинальной" плате, просвещению по ряду спецефических вопросов и дельные советы/пожелания;
    7. Spensor'у - за ряд дельных советов и замечаний по платам;
    8. Всем за терпение!!!

    Изменения/дополнения на "нашей" плате KAY-1024/SL-4/TURBO v2010:
    • + 1 слот NEMOBus(итого - 4), все "перефирийные" разъемы - IDC-xx, для подключения шлейфами. Т.е. Вы сами вольны в итоге выбирать "оконечный" разъем и его "распиновку" на переднюю/заднюю панель. При этом, предполагается "активное" использование готовых шлейфов от старых(и не очень) PC-матерей(LPT-принтер, джойстик-клава(DB-15), COM-джойстики(DB-9), "звуковые 4-х пиновые" - звук с AY и "лента").
    • Вместо (не совместно!) довольно дефицитной памяти типа 411000 в этой плате можно использовать более доступный модуль памяти СИММ30, емскостью 1Мб!
    • Сделан селектор для выходов AY, как у Мика в "Фениксе" - ABC/ACB.
    • Питание на AY, как у Мика в "Фениксе", подается через простейший LC-фильтр - дроссель/ферр. бусина > электролит > керамика > 40 и 25 ноги AY.
    • Разведен noWAIT-контроллер PS2 клавы by Caro/SKC(опция). Подключение шлейфом к основному разьему(IDC-16) "мех. клавы".
    • Добавлены порт аттрибутов #FF и блокировка порта конфигурации #1FFD для большей совместимости с оригиналом. Управление кнопками без фиксации.
    • Добавлены инверторы на Кемпстон джой(+ одна ЛН1), чтобы "общим" была "ЗЕМЛЯ", а не +5вольт.
    • Добавлены два буфера (АП6) - грамотно реализован "порт Sinclair-джойстиков"(опция).
    • Разведен разъём питания ATX с "модулем расширенного упр-я питанием" на PIC12F683(опция). Так же выведены на 3-х пин. гребенку(3-х джампер) осн. сигналы упр-я ATX - GND, PS_On и +5VSB.
    • Увеличены полигоны питания и ширина дорожек питания.
    • Добавлено несколько "блокировочных" кондеров по питанию. В основном, "выводная" керамика и "электролиты", кое-где SMD: "танталы" (case E/D/C/B) и SMD-керамика, типоразмеров 0805 и 1206.
    Как видно из подписей "опция" - данный комп можно считать "модульным". Т.е. если вы не хотите/не можете собрать все, что есть на плате сейчас, Вы можете допаять/задействовать это потом! При этом, основные пожелания, вроде бы, учтены, в плане "расширенного" функционала/доработок. И ещё есть немного места для творчества - "макетка" на плате.

    Nemo FDC (Турбо контроллер НГМД Beta-Turbo)
    Контроллер BETA-TURBO отличается от аналогичных устройств отсутствием ненадежных ИМС с плавкими перемычками, малыми габаритами и полной цифровой ФАПЧ на элементах жесткой логики. Режим TURBO уменьшает время доступа к диску и снижает акустический шум за счет уменьшения времени позиционирования головок.
    Размер платы: 125 х 62,5 мм;
    Внешний вид платы:

    Фотки собранного контроллера "NEMO FDC Beta Turbo".

    Особенности данной ревизии платы:
    • Добавлена доп. "защита от дурака" - по питанию. На 40 ногу ВГ93(+12в) питание подается по "классической" схеме - и с +5в и с +12в через 2-а диода.
    • Добавлено несколько "блокировочных" кондеров.
    • Гребенка под шлейф на дисковод(ы) - стандартная - IDC-34)(Спасибо за идею IliaMIV).
    • Учтена доработка БК-0010 - на 13 ногу DD14, помимо /DOS, так же подмешивается /IODOS.
    • Немного увеличена площадь полигонов питания.


    Контроллер NemoIDE
    Контроллер NemoIDE представляет собой устройство, позволяющее подключить к Spectrum-совместимому компьютеру устройства с IDE интерфейсом.
    С помощью контроллера вы сможете работать с такими устройствами, как:
    • жесткие диски;
    • CD/DVD-приводы;
    • карты памяти CompactFlash (при использовании переходника CF->IDE).

    Размер платы: 82 х 62,5 мм;
    Внешний вид платы:



    Фотки собранного Nemo IDE

    Особенности данной ревизии платы:
    • Добавлено несколько "блокировочных" кондеров.
    • Немного увеличена ширина дорожек питания.
    • Чуть поправлена разводку "питания" - по возможности, развел по прицнипу - источник > блок. емкость > потребитель.
    • Добавлена пермычка на сигнал RESET на интерфейс IDE - для того что бы когда сбрасываешь Cпектрум, не происходила инициализация (считай сброс HDD & CDROM).
    • Из дешифрации выкинут сигнал /DOS (поставлена перемычка).


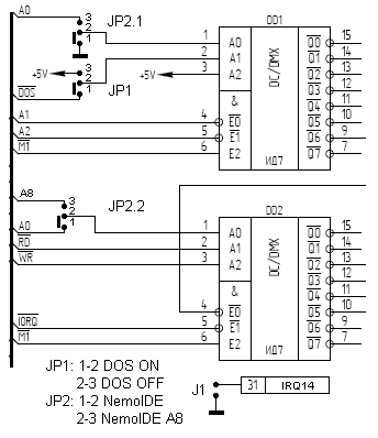
    ВНИМАНИЕ! Ввиду досадной ошибки на плате, отсутствует связь - нет дорожки, подающей сигнал D1(конт. B7) на плату. Для устранения данной неприятности необходимо восстановить эту связь или куском проволочного вывода или перемычкой нулевого сопротивления, типоразмера 0805. Мой вариант решения проблем показан на этом фото:

    Так же вышла небольшая ошибка с джампером JP2. Если вы хотите использовать сигнал /DOS в дешифрации - замкните(запаяйте проволочную перемычку) /DOS (верх), как на фотке выше. В противном случае - соедините в BOTTOM-слое 2 и 3 ноги DD1(1-й прямоугольник):



    Заказ плат девайсов (KAY-1024/SL-4/TURBO v2010 + NemoFDC + NemoIDE, Флоппиэмуль француза, ProfROM Uni, SMUC v2.0 rev.B и ряд других плат) и их комплектации обсуждается здесь:
    Печатные платы и конструкторы для сборки. Здесь обсуждение/вопросы по "технической" части устройств!
    Просьба не разводить лишний флейм!

    P.S. Постепенно этот пост будет наполняться доп. и сопутствующей информацией. Следите за обновлениями!

    23.01.2023г. Очередное обновление KAY Reset Service 0.2d от Дмитрия (GitHub).

    2.12.2012г. Пропатченная прошивка (ROM) от SoftFelix'а. Фикс команды LIST в TR-DOS.

    13.10.2011г. Очередное обновление KAY Reset Service 0.2c+ от Дмитрия.

    16.02.2011г. Заменен архив "KAY1024_Mont&Sborka.rar". Теперь там "правильная" монтажка!

    14.02.2011г. Обновлены архивы "KAY1024_Mont&Sborka.rar" и "KAY1024_Sch&More.rar". Учтены и добавлены нек. моменты. Архив "KAY1024_Sch&More.rar" содержит 2-е версии схемы - kay1024_MY_Old.pdf - схема полностью совпадающая с платой/монтажкой, первая выверенная на все 100% версия. kay1024_MY_Fin1.pdf - "подрихтованная" схема, с учетом нек. ошибок, рекомендаций и доработок, которые выявились в процессе сборки. Уточнены номиналы нек. компонентов, например, R33...R37, R90...R92(принципиально!), NR2...NR4. DD7 рекомендуется "быстрых" серий 555/1533/LS/ALS. Например, у меня стоит 74LS06, и мне она больше понравилась, чем 155ЛН3 изначально! Исправлено расположение диода VD2, подключение к плате ZX-VGA.
    Добавлен архив "kay_pm_fix.rar" - небольшой фикс прошивки для "KAY Power Manager". У меня исчезли нек. проблемы с этим узлом. Подробности - внутри архива, в файле read_me.txt.

    10.02.2011г. Очередное обновление KAY Reset Service 0.2c от Дмитрия.

    06.02.2011г. Добавлена инфа по "фиксам" на плате Nemo IDE.

    24.12.2010г. Добавлены фотки собранных NEMO FDC и NEMO IDE.

    27.10.2010г. Добавлены монтажки самого KAY-1024/SL4 v2010 и краткие рекомендации по его сборке.
    Вложения Вложения
    Последний раз редактировалось Alex_NEMO; 24.01.2023 в 03:54. Причина: Я запускаю 2-ю плату, которую забросил в далеком 2013 году! Решил слегка актуализировать инфу
    Speccy-2007 + 48k(пока) + TR-DOS + ZX-VGA
    KAY-1024 v2010/SDCard HxC Floppy Emulator/Epson SD-700/ZX-VGA/.....

    Эти 4 пользователя(ей) поблагодарили Alex_NEMO за это полезное сообщение:

    Trol73(24.09.2025), Tundra333(21.10.2023), USERHOME(22.01.2021), Uzix(11.02.2021)

  2. #1
    С любовью к вам, Yandex.Direct
    Размещение рекламы на форуме способствует его дальнейшему развитию

Информация о теме

Пользователи, просматривающие эту тему

Эту тему просматривают: 1 (пользователей: 0 , гостей: 1)

Похожие темы

  1. KAY 1024 3sl turbo
    от kndbbs AKA KND в разделе KAY
    Ответов: 20
    Последнее: 23.04.2011, 17:06
  2. Поддержка NemoIDE A8
    от Black_Cat в разделе Программирование
    Ответов: 6
    Последнее: 14.03.2011, 00:31
  3. NemoIDE
    от jd69 в разделе Барахолка (архив)
    Ответов: 22
    Последнее: 28.10.2008, 05:33
  4. Ищу ZXMC & NemoIDE
    от ALEXEY.GORDEEV в разделе Барахолка (архив)
    Ответов: 32
    Последнее: 05.07.2008, 21:29

Ваши права

  • Вы не можете создавать новые темы
  • Вы не можете отвечать в темах
  • Вы не можете прикреплять вложения
  • Вы не можете редактировать свои сообщения
  •