User Tag List

Страница 2 из 2 ПерваяПервая 12
Показано с 11 по 12 из 12

Тема: Контроллер FDD+LPT LARUS

  1. #11

    Регистрация
    28.11.2010
    Адрес
    Краснодар
    Сообщений
    183
    Спасибо Благодарностей отдано 
    24
    Спасибо Благодарностей получено 
    29
    Поблагодарили
    14 сообщений
    Mentioned
    0 Post(s)
    Tagged
    0 Thread(s)

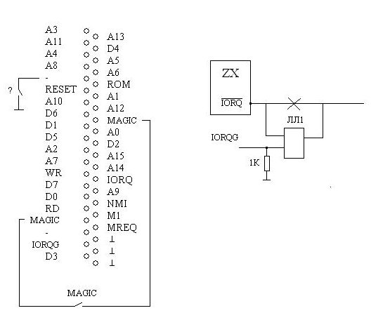
    По умолчанию Распиновка FDD+LPT

    Вот распиновка, у меня заработала!!!!!!!!!!!!!!!!

    http://zx.pk.ru/attachment.php?attac...1&d=1292529049
    Миниатюры Миниатюры Нажмите на изображение для увеличения. 

Название:	Распиновка LARUS1.jpg 
Просмотров:	1142 
Размер:	27.2 Кб 
ID:	23047  

  2. #12

    Регистрация
    28.11.2010
    Адрес
    Краснодар
    Сообщений
    183
    Спасибо Благодарностей отдано 
    24
    Спасибо Благодарностей получено 
    29
    Поблагодарили
    14 сообщений
    Mentioned
    0 Post(s)
    Tagged
    0 Thread(s)

    По умолчанию Распиновка FDD+LPT LARUS

    Вот распиновка, у меня заработала!!!!!!!!!!!!!!!!

    http://zx.pk.ru/attachment.php?attac...1&d=1292529049

Страница 2 из 2 ПерваяПервая 12

Информация о теме

Пользователи, просматривающие эту тему

Эту тему просматривают: 1 (пользователей: 0 , гостей: 1)

Похожие темы

  1. ZX-MMC контроллер
    от Orionsoft в разделе Внешние накопители
    Ответов: 17
    Последнее: 12.05.2019, 17:11
  2. Контроллер FD-051
    от Giraffe в разделе MSX
    Ответов: 77
    Последнее: 15.05.2016, 02:23
  3. Контроллер TR-DOS
    от Zloy в разделе Внешние накопители
    Ответов: 13
    Последнее: 21.11.2015, 17:21
  4. Контроллер TR-DOS
    от Sentenced в разделе Внешние накопители
    Ответов: 15
    Последнее: 25.09.2010, 22:47
  5. Контроллер FDD TR-DOS
    от Zloy в разделе Внешние накопители
    Ответов: 2
    Последнее: 20.06.2007, 11:25

Ваши права

  • Вы не можете создавать новые темы
  • Вы не можете отвечать в темах
  • Вы не можете прикреплять вложения
  • Вы не можете редактировать свои сообщения
  •