Важная информация

User Tag List

Страница 5 из 23 ПерваяПервая 123456789 ... ПоследняяПоследняя
Показано с 41 по 50 из 226

Тема: Как подключить Спектрум к ТВ ?

  1. #41

    Регистрация
    11.01.2006
    Адрес
    Брест/Минск
    Сообщений
    8,398
    Записей в дневнике
    4
    Спасибо Благодарностей отдано 
    188
    Спасибо Благодарностей получено 
    122
    Поблагодарили
    60 сообщений
    Mentioned
    7 Post(s)
    Tagged
    0 Thread(s)

    По умолчанию

    Роман x87, написали же, что в телике RGB не разведёт. А по RGB без напряжения на 16 входе скарта всё равно ничего не покажет. Так что ваш способ совсем не вариант.
    Dragoos, надо ковырять спектрум. похоже, дело в нём.
    С уважением, Александр.
    Scorpion ZS-256 Turbo+ GMX-2048
    SID-Blaster/ZX
    Музей ретрокомпьютеров в Минске!
    Здесь ничего нет => http://byteman.by
    И здесь тоже --->>> http://bytespace.by

  2. #42

    Регистрация
    25.11.2010
    Адрес
    Кривой Рог, Украина
    Сообщений
    264
    Спасибо Благодарностей отдано 
    0
    Спасибо Благодарностей получено 
    0
    Поблагодарили
    0 сообщений
    Mentioned
    0 Post(s)
    Tagged
    0 Thread(s)

    По умолчанию

    Подключал к тюльпану через нч и землю, изображение соответственно было чб.
    Недавно прикупил Электронику 101-ю, теперь я с цветным изображением.

  3. #43

    Регистрация
    03.02.2006
    Адрес
    reepablik O0f Pilarus
    Сообщений
    731
    Спасибо Благодарностей отдано 
    4
    Спасибо Благодарностей получено 
    29
    Поблагодарили
    22 сообщений
    Mentioned
    0 Post(s)
    Tagged
    0 Thread(s)

    По умолчанию

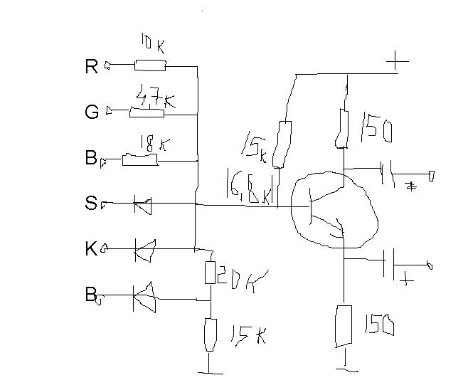
    вот схемка... конденсаторы на выходе по 100 мкф на 16в диоды кд512 транзистор 315... сигналы rgb это цвета s,k строчный и кадровый синхроимпульс,b-bright...
    а какой у тебя звук? или ты в слепую набираешь beep xx? или идет щелканье от нажатий на кнопки? в том или ином случае комп будет исправен неисправны будут руки,голова и тд
    возьми тупо сделай так на красный ставь в разрыв резистор 10к,на зеленый 4,7k,на синий 18к... выходы их замкни,припаяй и попробуй подать на свой композит не забывая при этом про общий... если ничего не будет опять же попробуй на другом телеке... это тупо так... или хотя бы тестором тупо посмотри на выходах ргб у тебя имеется что то? если нет то перед транзисторной сборкой(которая в железном корпусе у тебя стоит микросхема в компьютере)... видео проц который стоит в твоем фунае тупо тебе говорит что ты мне суешь?! я не понимаю... ?! cо всей своей обвязкой по композиту... есть определенные стандарты и тд которых он придерживаеться в узких рамках.... так вот тебе надо хотя бы попасть в какую то часть этой рамки! да еще вопрос другая аппаратура с теликом нормаль работает по композиту? да и еще... собери схемку на макете и выбрось эту нт микрушку от kay любого...
    Миниатюры Миниатюры Нажмите на изображение для увеличения. 

Название:	VIDEO.JPG 
Просмотров:	539 
Размер:	28.8 Кб 
ID:	22716  
    Последний раз редактировалось volton; 04.12.2010 в 05:14.
    -+ aMiGa +-

  4. #44

    Регистрация
    10.11.2010
    Адрес
    г. Пермь
    Сообщений
    316
    Спасибо Благодарностей отдано 
    1
    Спасибо Благодарностей получено 
    1
    Поблагодарили
    1 сообщение
    Mentioned
    0 Post(s)
    Tagged
    0 Thread(s)

    По умолчанию

    Какие еще S,K,B у меня их на схеме нет , только R,G,B и V . Их надо к V подсоединить через сопротивления ? А это что за два выхода с транзистора на схеме , куда их надо ?

  5. #45

    Регистрация
    03.02.2006
    Адрес
    reepablik O0f Pilarus
    Сообщений
    731
    Спасибо Благодарностей отдано 
    4
    Спасибо Благодарностей получено 
    29
    Поблагодарили
    22 сообщений
    Mentioned
    0 Post(s)
    Tagged
    0 Thread(s)

    По умолчанию

    Цитата Сообщение от Dragoos Посмотреть сообщение
    Какие еще S,K,B у меня их на схеме нет , только R,G,B и V . Их надо к V подсоединить через сопротивления ? А это что за два выхода с транзистора на схеме , куда их надо ?
    я же раннее расказал,,, ты смешься или что?! обратиcь лучше к знакому телевизионщику и не морочь ни кому голову!
    два выхода у транзистора один инвертированный другой нет!

    ---------- Post added at 22:45 ---------- Previous post was at 22:35 ----------

    я же те бе выше написал что ты должен получить полный композит... те видео путем соединения трех резисторов? это понятно?
    Последний раз редактировалось volton; 04.12.2010 в 21:42.
    -+ aMiGa +-

  6. #46

    Регистрация
    10.11.2010
    Адрес
    г. Пермь
    Сообщений
    316
    Спасибо Благодарностей отдано 
    1
    Спасибо Благодарностей получено 
    1
    Поблагодарили
    1 сообщение
    Mentioned
    0 Post(s)
    Tagged
    0 Thread(s)

    По умолчанию

    Так V это итак полный композит , там замешаны R,G,B и Sync , как мне уже объяснили выше.
    Последний раз редактировалось Dragoos; 04.12.2010 в 22:16.

  7. #46
    С любовью к вам, Yandex.Direct
    Размещение рекламы на форуме способствует его дальнейшему развитию

  8. #47

    Регистрация
    27.02.2005
    Адрес
    москва
    Сообщений
    14,292
    Записей в дневнике
    1
    Спасибо Благодарностей отдано 
    202
    Спасибо Благодарностей получено 
    1,456
    Поблагодарили
    946 сообщений
    Mentioned
    18 Post(s)
    Tagged
    0 Thread(s)

    По умолчанию

    Dragoos, посмотри какая микруха D36 на твоей плате.
    http://sblive.narod.ru/ZX-Spectrum/L...adMONTMono.gif
    кп11 или кп14 ?

    часто для подключения к советским телекам цвета инвертировали - возможно проблема в этом.

  9. #48

    Регистрация
    11.01.2006
    Адрес
    Брест/Минск
    Сообщений
    8,398
    Записей в дневнике
    4
    Спасибо Благодарностей отдано 
    188
    Спасибо Благодарностей получено 
    122
    Поблагодарили
    60 сообщений
    Mentioned
    7 Post(s)
    Tagged
    0 Thread(s)

    По умолчанию

    goodboy, дык, как я понял, изображения НЕТ ВООБЩЕ!!! мне кажется, что там либо не туда подключено (висит в воздухе, т.к. при включении, как я понял, даже помехи не проскакивает), либо что-то погорело.
    С уважением, Александр.
    Scorpion ZS-256 Turbo+ GMX-2048
    SID-Blaster/ZX
    Музей ретрокомпьютеров в Минске!
    Здесь ничего нет => http://byteman.by
    И здесь тоже --->>> http://bytespace.by

  10. #49

    Регистрация
    03.02.2006
    Адрес
    reepablik O0f Pilarus
    Сообщений
    731
    Спасибо Благодарностей отдано 
    4
    Спасибо Благодарностей получено 
    29
    Поблагодарили
    22 сообщений
    Mentioned
    0 Post(s)
    Tagged
    0 Thread(s)

    По умолчанию

    Цитата Сообщение от BYTEMAN Посмотреть сообщение
    goodboy, дык, как я понял, изображения НЕТ ВООБЩЕ!!! мне кажется, что там либо не туда подключено (висит в воздухе, т.к. при включении, как я понял, даже помехи не проскакивает), либо что-то погорело.
    ну какие помехи? тут в принципе все траблы если конечно опонент всех не запутал то трабла в видео проце телевизора!

    ---------- Post added at 10:58 ---------- Previous post was at 10:56 ----------

    Цитата Сообщение от Dragoos Посмотреть сообщение
    Так V это итак полный композит , там замешаны R,G,B и Sync , как мне уже объяснили выше.
    так вот там есть что нибудь??? именно на V! И ПОПРОБУЙ НА ДРУГОМ ТЕЛЕКЕ ПЛИЗ!
    -+ aMiGa +-

  11. #50

    Регистрация
    10.11.2010
    Адрес
    г. Пермь
    Сообщений
    316
    Спасибо Благодарностей отдано 
    1
    Спасибо Благодарностей получено 
    1
    Поблагодарили
    1 сообщение
    Mentioned
    0 Post(s)
    Tagged
    0 Thread(s)

    По умолчанию

    Цитата Сообщение от goodboy Посмотреть сообщение
    Dragoos, посмотри какая микруха D36 на твоей плате.
    http://sblive.narod.ru/ZX-Spectrum/L...adMONTMono.gif
    кп11 или кп14 ?

    часто для подключения к советским телекам цвета инвертировали - возможно проблема в этом.
    Микросхема кп11

    ---------- Post added at 18:37 ---------- Previous post was at 18:34 ----------

    Цитата Сообщение от volton Посмотреть сообщение
    ну какие помехи? тут в принципе все траблы если конечно опонент всех не запутал то трабла в видео проце телевизора!

    ---------- Post added at 10:58 ---------- Previous post was at 10:56 ----------

    так вот там есть что нибудь??? именно на V! И ПОПРОБУЙ НА ДРУГОМ ТЕЛЕКЕ ПЛИЗ!
    Так я говорил же к ч/б телеку подключаешь , показывает . Там сигнал идет прямо на сетку пентода какого-то !

    ---------- Post added at 18:40 ---------- Previous post was at 18:37 ----------

    А может одну синхру подключить к видео . Пойдет или нет интересно тогда ?!! Или через один из цветов , я тут где-то читал на сайте кто то через b подсоединял и показывало все . Правдо в синем цвете !
    Последний раз редактировалось Dragoos; 05.12.2010 в 16:45.

Страница 5 из 23 ПерваяПервая 123456789 ... ПоследняяПоследняя

Информация о теме

Пользователи, просматривающие эту тему

Эту тему просматривают: 1 (пользователей: 0 , гостей: 1)

Похожие темы

  1. Как подключить дискетник на 5.25 или 1.5 к Спектрум 48?
    от Вадим Димтревич в разделе Внешние накопители
    Ответов: 13
    Последнее: 15.04.2020, 13:12
  2. Как подключить контроллер?
    от REMR в разделе Для начинающих
    Ответов: 10
    Последнее: 18.01.2010, 06:23
  3. Ответов: 33
    Последнее: 25.02.2009, 00:35
  4. Как подключить ZX к ПЦ?
    от kndbbs AKA KND в разделе Несортированное железо
    Ответов: 2
    Последнее: 24.02.2009, 09:42
  5. Как подключить Робик?
    от LegosZX в разделе Несортированное железо
    Ответов: 12
    Последнее: 01.02.2008, 13:42

Ваши права

  • Вы не можете создавать новые темы
  • Вы не можете отвечать в темах
  • Вы не можете прикреплять вложения
  • Вы не можете редактировать свои сообщения
  •