User Tag List

Показано с 1 по 7 из 7

Тема: Помогите опознать картридж

  1. #1

    Регистрация
    15.09.2009
    Адрес
    SPb
    Сообщений
    7,301
    Спасибо Благодарностей отдано 
    260
    Спасибо Благодарностей получено 
    293
    Поблагодарили
    211 сообщений
    Mentioned
    5 Post(s)
    Tagged
    0 Thread(s)

    По умолчанию Помогите опознать картридж

    Помогите опознать картридж.
    В корпусе Konami Nemesis 2.
    Явно самоделка, причем LUTовая.
    фото

  2. #1
    С любовью к вам, Yandex.Direct
    Размещение рекламы на форуме способствует его дальнейшему развитию

  3. #2

    Регистрация
    03.05.2007
    Адрес
    Череповец,Вологодская обл.
    Сообщений
    714
    Спасибо Благодарностей отдано 
    0
    Спасибо Благодарностей получено 
    0
    Поблагодарили
    0 сообщений
    Mentioned
    0 Post(s)
    Tagged
    0 Thread(s)

    По умолчанию

    Что то не совсем похоже на самоделку.

    Скрытый текст

    AMIGA 500 +512к memory card with RTC
    Ленинград-1 48к украшает стену в комнате.
    Compact 256 Turbo fdd 3.5' +Turbo ВГ +PAL кодер (NedoPC).
    Profi 3.2 почти воcстал из Ада. Ждет новые платы.
    Dendy Junior (Famicom клон).
    Видеоспорт5 (на К145ИК17) пылится в шкафу
    [свернуть]

  4. #3

    Регистрация
    15.09.2009
    Адрес
    SPb
    Сообщений
    7,301
    Спасибо Благодарностей отдано 
    260
    Спасибо Благодарностей получено 
    293
    Поблагодарили
    211 сообщений
    Mentioned
    5 Post(s)
    Tagged
    0 Thread(s)

    По умолчанию

    А что смущает?
    ЛУТовая плата с перетравленными и укрепленными проводками дорожками?
    Или голые медные ламели?

  5. #4

    Регистрация
    13.04.2009
    Адрес
    Kemerovo
    Сообщений
    396
    Спасибо Благодарностей отдано 
    1
    Спасибо Благодарностей получено 
    7
    Поблагодарили
    5 сообщений
    Mentioned
    0 Post(s)
    Tagged
    0 Thread(s)

    По умолчанию

    где то я её видел ) Это вам не falanger дал ?

    ---------- Post added at 11:59 ---------- Previous post was at 11:58 ----------

    ... ладно сознаюсь.. моё..

  6. #5

    Регистрация
    15.09.2009
    Адрес
    SPb
    Сообщений
    7,301
    Спасибо Благодарностей отдано 
    260
    Спасибо Благодарностей получено 
    293
    Поблагодарили
    211 сообщений
    Mentioned
    5 Post(s)
    Tagged
    0 Thread(s)

    По умолчанию

    ptero, Ну не то чтобы дал. Продал :-)
    А как с этим картриджем работать? С чем он совместим (какой утилитой в него грузить)?

  7. #6

    Регистрация
    13.04.2009
    Адрес
    Kemerovo
    Сообщений
    396
    Спасибо Благодарностей отдано 
    1
    Спасибо Благодарностей получено 
    7
    Поблагодарили
    5 сообщений
    Mentioned
    0 Post(s)
    Tagged
    0 Thread(s)

    По умолчанию

    уу.. сейчас найду
    грузить вот этой штукой
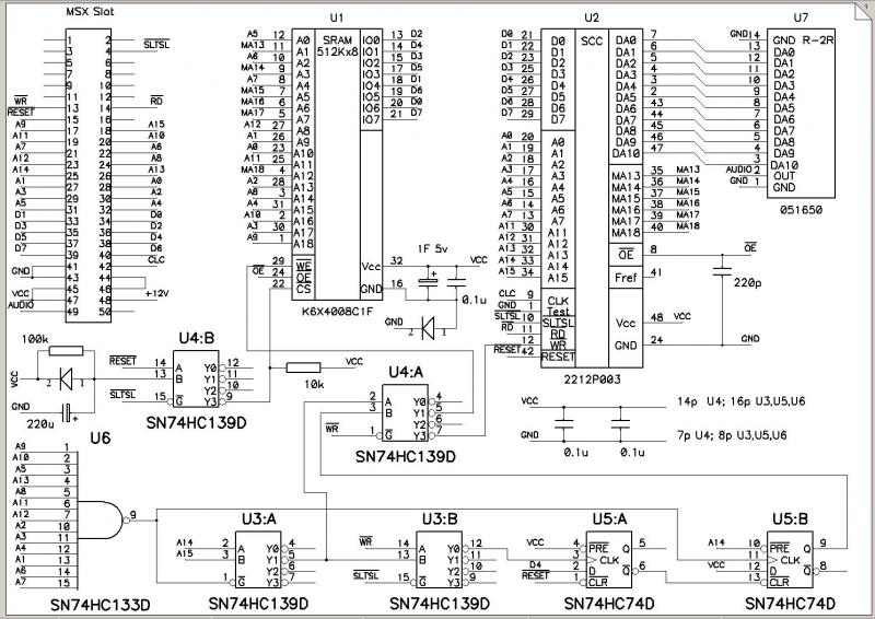
    и схемка описание конструкции (прототип)
    у меня немного изменено управление. Введена линия задержки. Картридж включается в работу спустя несколько секунд после подачи питания.. (что бы можно было загрузиться с чегонибудь ещё.. а не запускать картридж) по кнопке рестарт - картридж работает сразу. Если там зашит ROM то начинает грузить его
    Вложения Вложения

  8. #7

    Регистрация
    13.04.2009
    Адрес
    Kemerovo
    Сообщений
    396
    Спасибо Благодарностей отдано 
    1
    Спасибо Благодарностей получено 
    7
    Поблагодарили
    5 сообщений
    Mentioned
    0 Post(s)
    Tagged
    0 Thread(s)

    По умолчанию

    схемка ещё
    Миниатюры Миниатюры Нажмите на изображение для увеличения. 

Название:	ESCC.jpg 
Просмотров:	279 
Размер:	94.7 Кб 
ID:	40216  

Информация о теме

Пользователи, просматривающие эту тему

Эту тему просматривают: 1 (пользователей: 0 , гостей: 1)

Похожие темы

  1. помогите опознать
    от oracleua в разделе Несортированное железо
    Ответов: 2
    Последнее: 23.01.2011, 08:34
  2. помогите опознать
    от omaxlab в разделе Несортированное железо
    Ответов: 0
    Последнее: 20.01.2011, 18:57
  3. Помогите опознать
    от oracleua в разделе Несортированное железо
    Ответов: 1
    Последнее: 31.12.2010, 20:35
  4. Помогите опознать
    от Soichi в разделе Несортированное железо
    Ответов: 10
    Последнее: 20.03.2010, 17:00
  5. Помогите опознать!
    от axor в разделе Несортированное железо
    Ответов: 1
    Последнее: 16.10.2006, 16:53

Ваши права

  • Вы не можете создавать новые темы
  • Вы не можете отвечать в темах
  • Вы не можете прикреплять вложения
  • Вы не можете редактировать свои сообщения
  •