User Tag List

Показано с 1 по 9 из 9

Тема: Pentagon 1024 SL. Вопрос к знающим

  1. #1

    Регистрация
    20.01.2005
    Адрес
    Россия, Вологда
    Сообщений
    957
    Спасибо Благодарностей отдано 
    0
    Спасибо Благодарностей получено 
    0
    Поблагодарили
    0 сообщений
    Mentioned
    0 Post(s)
    Tagged
    0 Thread(s)

    По умолчанию Pentagon 1024 SL. Вопрос к знающим

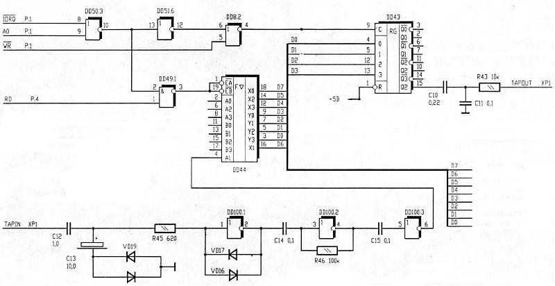
    Вопрос такой, если собрать схемку tape in/out (как на картинке) будет ли она работать на указанном компе?
    И имеет ли смысл всего этого (может есть какие-то другие пути)?
    Миниатюры Миниатюры Нажмите на изображение для увеличения. 

Название:	Tape in_out.jpg 
Просмотров:	391 
Размер:	41.4 Кб 
ID:	7775  
    axor/Perspective
    http://abzac.retropc.ru/

  2. #1
    С любовью к вам, Yandex.Direct
    Размещение рекламы на форуме способствует его дальнейшему развитию

  3. #2

    Регистрация
    24.06.2005
    Адрес
    Лысьва
    Сообщений
    1,205
    Спасибо Благодарностей отдано 
    5
    Спасибо Благодарностей получено 
    5
    Поблагодарили
    4 сообщений
    Mentioned
    0 Post(s)
    Tagged
    0 Thread(s)

    По умолчанию

    Скорее всего законфликтует с плисиной. Tape_in в zxmc есть.

  4. #3

    Регистрация
    15.06.2006
    Адрес
    S.Pb
    Сообщений
    5,791
    Спасибо Благодарностей отдано 
    0
    Спасибо Благодарностей получено 
    7
    Поблагодарили
    6 сообщений
    Mentioned
    0 Post(s)
    Tagged
    0 Thread(s)

    По умолчанию

    а чего схемка-то такая навороченная? там достаточно половинки микросхемы ТМ2 + по желанию чёто в качестве формирователя сигнала с магнитофона, например 561ЛН1 или 555 таймер.. и никаких конфликтов
    Последний раз редактировалось Black_Cat; 02.04.2008 в 13:46.

  5. #4

    Регистрация
    20.01.2005
    Адрес
    Россия, Вологда
    Сообщений
    957
    Спасибо Благодарностей отдано 
    0
    Спасибо Благодарностей получено 
    0
    Поблагодарили
    0 сообщений
    Mentioned
    0 Post(s)
    Tagged
    0 Thread(s)

    По умолчанию

    Кто поправит схему, буду только рад (главное, чтоб на P1024 заработала).
    P.S. Про схему спрашиваю не я сам, а наш железячник.
    axor/Perspective
    http://abzac.retropc.ru/

  6. #5

    Регистрация
    15.06.2006
    Адрес
    S.Pb
    Сообщений
    5,791
    Спасибо Благодарностей отдано 
    0
    Спасибо Благодарностей получено 
    7
    Поблагодарили
    6 сообщений
    Mentioned
    0 Post(s)
    Tagged
    0 Thread(s)

    По умолчанию

    паяешь поверх D30.2 ещё одну ТМ2, объединяешь ноги питания и 10,11,13 с первым этажом, на 12 заводишь D3, а с 9 снимаешь сигнал что идёт на RC-цепочку на магнитофонный вход. Остальные ноги пусть болтаются в воздухе мож потом пригодятся. Компаратор-формирователь входного сигнала с магнитофона делаешь как тебе больше нравится, выходной сигнал подаёшь на линию КD6 - 5 нога DD27. Всё.
    Цитата Сообщение от axor Посмотреть сообщение
    главное, чтоб на P1024 заработала
    нумерация дана для P1024SL 2.х, но не 1.х!
    Последний раз редактировалось Black_Cat; 02.04.2008 в 15:07.

  7. #6

    Регистрация
    20.01.2005
    Адрес
    Россия, Вологда
    Сообщений
    957
    Спасибо Благодарностей отдано 
    0
    Спасибо Благодарностей получено 
    0
    Поблагодарили
    0 сообщений
    Mentioned
    0 Post(s)
    Tagged
    0 Thread(s)

    По умолчанию

    Цитата Сообщение от Black_Cat Посмотреть сообщение
    паяешь поверх D30.2 ещё одну ТМ2, объединяешь ноги питания и 10,11,13 с первым этажом, на 12 заводишь D3, а с 9 снимаешь сигнал что идёт на RC-цепочку на магнитофонный вход. Остальные ноги пусть болтаются в воздухе мож потом пригодятся. Компаратор-формирователь входного сигнала с магнитофона делаешь как тебе больше нравится, выходной сигнал подаёшь на линию КD6 - 5 нога DD27. Всё.
    нумерация дана для P1024SL 2.х, но не 1.х!
    Благодарю. Надеюсь железячник все поймет. Я в железе ничего не понимаю
    axor/Perspective
    http://abzac.retropc.ru/

  8. #7

    Регистрация
    21.08.2006
    Адрес
    Ижевск
    Сообщений
    941
    Спасибо Благодарностей отдано 
    23
    Спасибо Благодарностей получено 
    298
    Поблагодарили
    164 сообщений
    Mentioned
    20 Post(s)
    Tagged
    0 Thread(s)

  9. #8

    Регистрация
    15.06.2006
    Адрес
    S.Pb
    Сообщений
    5,791
    Спасибо Благодарностей отдано 
    0
    Спасибо Благодарностей получено 
    7
    Поблагодарили
    6 сообщений
    Mentioned
    0 Post(s)
    Tagged
    0 Thread(s)

    По умолчанию

    да, если у тебя есть ZXMC Caro, то всё ещё проще - схема магнитофонного входа: http://zx.pk.ru/showpost.php?p=75801&postcount=205

  10. #9

    Регистрация
    20.02.2005
    Адрес
    Новосибирск
    Сообщений
    941
    Спасибо Благодарностей отдано 
    805
    Спасибо Благодарностей получено 
    53
    Поблагодарили
    34 сообщений
    Mentioned
    1 Post(s)
    Tagged
    0 Thread(s)

    По умолчанию

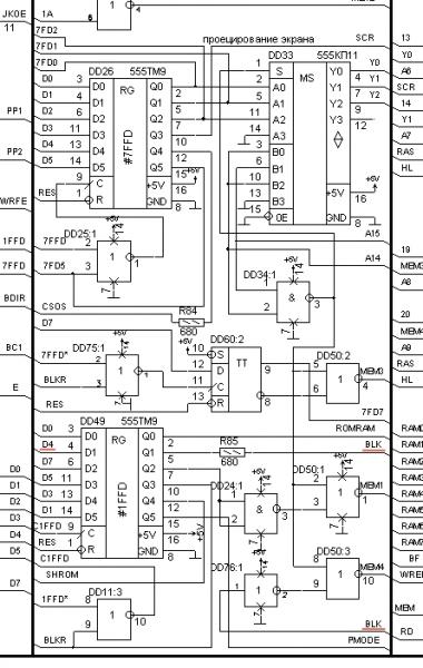
    Вопрос по сигналу BLK (4B) шины ZX-BUS в Pentagonе 1024SL 1.4
    согласно принципиальной схеме сигнал BLK формируется системным регистром DD49 порта конфигурации #1FFD bit 4 который используется для управления расширениям памяти свыше 128к второй разряд.
    а согласно документу Шина ZX-BUS сигнал BLK - указывает какая страница находится в нулевом сегменте (#0000-#3FFF)


    Получается ошибка в схеме Pentagon 1024SL 1.4
    Миниатюры Миниатюры Нажмите на изображение для увеличения. 

Название:	Схема принципиальная 3.jpg 
Просмотров:	502 
Размер:	59.5 Кб 
ID:	23960   Нажмите на изображение для увеличения. 

Название:	Схема принципиальная 2.png 
Просмотров:	292 
Размер:	7.0 Кб 
ID:	23962  
    Последний раз редактировалось Djoni; 16.01.2011 в 10:59.

    Скрытый текст

    Profi v5.03/1024k/палитра/FDD3,5""/FDD5,25"/HDD/XT-Keyb/Covox
    Pentagon-1024 sl v 1.4 upgrade #EFF7 Gluk RTC
    ZXM-Phoenix 1024k
    ATM Turbo 2+ v7.10 512k
    HIMAC HR42.04 48K
    HIMAC 128
    Ленинград 1
    [свернуть]

Информация о теме

Пользователи, просматривающие эту тему

Эту тему просматривают: 1 (пользователей: 0 , гостей: 1)

Похожие темы

  1. Определение Pentagon 1024/512
    от CPLx в разделе Программирование
    Ответов: 5
    Последнее: 02.03.2008, 22:47
  2. Pentagon – 1024 SL 1.4
    от skar в разделе Барахолка (архив)
    Ответов: 19
    Последнее: 28.08.2007, 13:00
  3. Pentagon-1024 SL ver 1.4
    от KingOfEvil в разделе Барахолка (архив)
    Ответов: 10
    Последнее: 08.08.2006, 08:52
  4. Pentagon-1024
    от CHRV в разделе Pentagon
    Ответов: 20
    Последнее: 05.06.2006, 20:20
  5. Pentagon 1024 SL
    от breeze в разделе Pentagon
    Ответов: 7
    Последнее: 15.03.2005, 10:43

Ваши права

  • Вы не можете создавать новые темы
  • Вы не можете отвечать в темах
  • Вы не можете прикреплять вложения
  • Вы не можете редактировать свои сообщения
  •