Доброго времени суток!
Подскажите, пожалуйста, какую мышу можно прикрутить к версии Pentagon 1024SL v1.4 и на какие пины разъема XS5 её цеплять.
Для полного счастья не хватает поиграть в ворона с мышкой :-)
С уважением,
Алексей
Доброго времени суток!
Подскажите, пожалуйста, какую мышу можно прикрутить к версии Pentagon 1024SL v1.4 и на какие пины разъема XS5 её цеплять.
Для полного счастья не хватает поиграть в ворона с мышкой :-)
С уважением,
Алексей
С любовью к вам, Yandex.Direct
Размещение рекламы на форуме способствует его дальнейшему развитию
Ворох благодарностей :-)
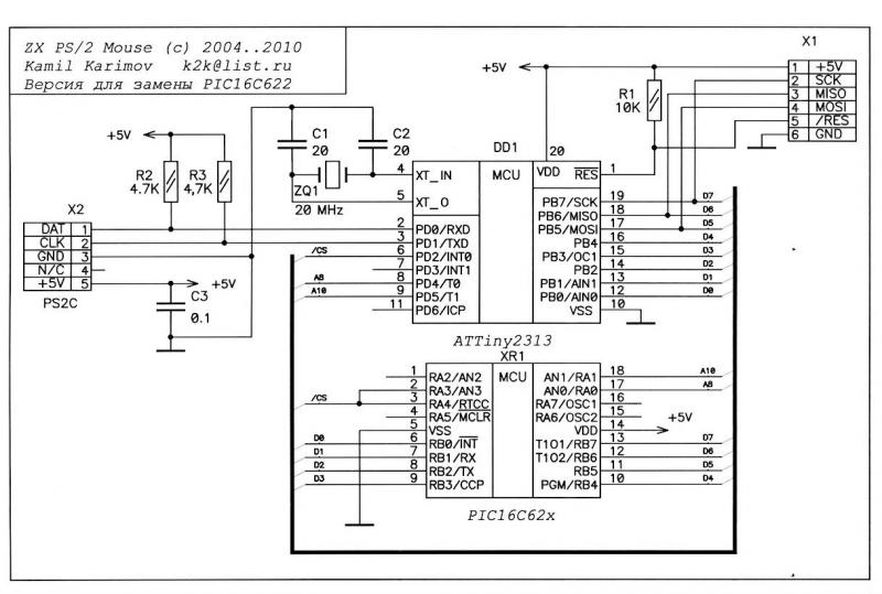
В Pentagonе 1024SL v1.4 предусмотрено применение COM-mouse найти рабачую COM-мышку довольно сложно, что-бы использовать PS/2 Mouse существуют ли прошивки для данного контроллера или поступить проще для применения PS/2 Mouse+ps/2 клавиатуры использовать ZX_Multi_Card.
Схема такого контроллера получается упрощенной, поскольку на плате Пентагона 1024SL
уже имеются элементы дешифратора обращения к портам мышки.
Схему смотри выше.
PS. Поскольку для упрощения, из схемы удален буфер шины данных, прошивка для данной схемы будет своя.
Выложу чуть позже.
Если буфер всё таки оставить, то будет работать и старая прошивка. Цена вопроса - один корпус АП6.
Последний раз редактировалось caro; 27.11.2010 в 15:10.
Спасибо
Последний раз редактировалось ChipManyak; 03.08.2011 в 14:36.
Pentagon 128K (1993)
Pentagon 1024SL v1.4
KAY-1024 SL4/Turbo v2010
ZXM-Phoenix rev.05 s/n:?
Эту тему просматривают: 1 (пользователей: 0 , гостей: 1)