User Tag List

Страница 34 из 86 ПерваяПервая ... 303132333435363738 ... ПоследняяПоследняя
Показано с 331 по 340 из 856

Тема: [Поиск 1] Ремонт

  1. #331

    Регистрация
    21.01.2014
    Адрес
    г. Пушкино
    Сообщений
    342
    Спасибо Благодарностей отдано 
    0
    Спасибо Благодарностей получено 
    0
    Поблагодарили
    0 сообщений
    Mentioned
    0 Post(s)
    Tagged
    0 Thread(s)

    По умолчанию

    Сейчас ещё раз проверил. Питание на ней есть, на 1,2 ноге при ресете сигналы проскакивают, прерывания от таймера приходят... на 17 тишина.. Буду искать заказывать в чипдипе ВН59, в заначке нет таких. Спасибо!

  2. #331
    С любовью к вам, Yandex.Direct
    Размещение рекламы на форуме способствует его дальнейшему развитию

  3. #332

    Регистрация
    14.01.2016
    Адрес
    г. Новополоцк, Беларусь
    Сообщений
    451
    Спасибо Благодарностей отдано 
    9
    Спасибо Благодарностей получено 
    3
    Поблагодарили
    1 сообщение
    Mentioned
    0 Post(s)
    Tagged
    0 Thread(s)

    По умолчанию

    Ну и мне подарили -Поиск-. В общем генератор выдает сигналы и сброс. На шинах нули. На экране ничего. ИЕ7 на КП12 на РУ5 генерируют. А в остальном на шинах и микросхемах в основном нули. С чего начать уважаемые господа?

  4. #333

    Регистрация
    21.01.2014
    Адрес
    г. Пушкино
    Сообщений
    342
    Спасибо Благодарностей отдано 
    0
    Спасибо Благодарностей получено 
    0
    Поблагодарили
    0 сообщений
    Mentioned
    0 Post(s)
    Tagged
    0 Thread(s)

    По умолчанию

    телек синхру ловит?
    на адресных на проце сразу после сброса, особенно на AD0-AD7 есть шевеление?(читается ли ПЗУ?)

  5. #334

    Регистрация
    14.01.2016
    Адрес
    г. Новополоцк, Беларусь
    Сообщений
    451
    Спасибо Благодарностей отдано 
    9
    Спасибо Благодарностей получено 
    3
    Поблагодарили
    1 сообщение
    Mentioned
    0 Post(s)
    Tagged
    0 Thread(s)

    По умолчанию

    Не идут сигналы на телек. Не шевелится ничего на данных и адресах. Только при нажатии на сброс что-то есть, но не импульсы, а с нуля, например, до 1.
    Если у рабочего процессор вынуть, на видео будет прямоугольник на экране?

  6. #335

    Регистрация
    02.03.2015
    Адрес
    г. Санкт-Петербург
    Сообщений
    835
    Спасибо Благодарностей отдано 
    430
    Спасибо Благодарностей получено 
    80
    Поблагодарили
    65 сообщений
    Mentioned
    0 Post(s)
    Tagged
    0 Thread(s)

    По умолчанию

    В моем варианте процессор должен активировать сигнал разрешения видео. Берется с вывода ВВ55.

  7. #336

    Регистрация
    14.01.2016
    Адрес
    г. Новополоцк, Беларусь
    Сообщений
    451
    Спасибо Благодарностей отдано 
    9
    Спасибо Благодарностей получено 
    3
    Поблагодарили
    1 сообщение
    Mentioned
    0 Post(s)
    Tagged
    0 Thread(s)

    По умолчанию

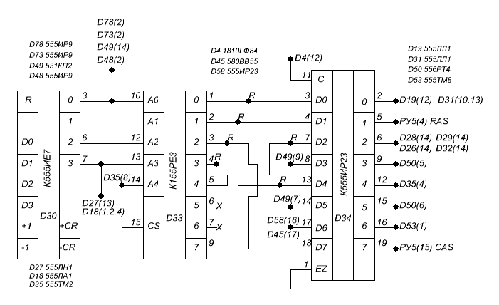
    Фрагмент схемы -Поиск-, заводское исполнение.
    ....Схема значительно отличается от ранее приведенных.
    Миниатюры Миниатюры Нажмите на изображение для увеличения. 

Название:	Поиск.GIF 
Просмотров:	207 
Размер:	18.0 Кб 
ID:	59049  
    Последний раз редактировалось Savoj; 19.12.2016 в 15:18.

  8. #337

    Регистрация
    14.01.2016
    Адрес
    г. Новополоцк, Беларусь
    Сообщений
    451
    Спасибо Благодарностей отдано 
    9
    Спасибо Благодарностей получено 
    3
    Поблагодарили
    1 сообщение
    Mentioned
    0 Post(s)
    Tagged
    0 Thread(s)

    По умолчанию

    Микросхемы ИЕ19 несложно проверить не выпаивая. В схеме установлена D20, где половина микросхемы не задействована. Берем два проводника припаиваем их к проверяемой микросхеме (C) и (R). Вторые концы припаиваем к незадействованной D20 и сравниваем сигналы.

  9. #338

    Регистрация
    19.06.2015
    Адрес
    г. Фастов, Украина
    Сообщений
    8
    Спасибо Благодарностей отдано 
    0
    Спасибо Благодарностей получено 
    0
    Поблагодарили
    0 сообщений
    Mentioned
    0 Post(s)
    Tagged
    0 Thread(s)

    По умолчанию

    Доброго времени суток. На 28-й ноге процессора ( M/IO , на мятой схеме сигнал LI/OM- ) нет сигналов, совсем, полный ноль. Но есть сигналы на 2-16,35-39 ногах (AD0 - A19 )
    Так должно быть?
    Что проверять дальше?
    Спасибо.

  10. #339

    Регистрация
    14.01.2016
    Адрес
    г. Новополоцк, Беларусь
    Сообщений
    451
    Спасибо Благодарностей отдано 
    9
    Спасибо Благодарностей получено 
    3
    Поблагодарили
    1 сообщение
    Mentioned
    0 Post(s)
    Tagged
    0 Thread(s)

    По умолчанию

    Интересная вещь. Нога с D14 (15) идет как и положено на D32 (13) а еще и на ПЗУ (нога 26). Может туда и 27С128 можно ставить?

  11. #340

    Регистрация
    14.01.2016
    Адрес
    г. Новополоцк, Беларусь
    Сообщений
    451
    Спасибо Благодарностей отдано 
    9
    Спасибо Благодарностей получено 
    3
    Поблагодарили
    1 сообщение
    Mentioned
    0 Post(s)
    Tagged
    0 Thread(s)

    По умолчанию

    Поиск стоит мертво, но с выводов ВИ53(10)и (13) идут импульсы. Говорит ли это о том что программа с биоса загрузилась и инициализировала ВИ53.
    И еще один вопрос по К155РЕ3. На выходе данной микросхемы ничего нет, единица. Это от того что на 14 ноге - ноль? Или она должна при этом что-то выдавать в смысле импульсов?
    Последний раз редактировалось Savoj; 02.01.2017 в 20:43.

Страница 34 из 86 ПерваяПервая ... 303132333435363738 ... ПоследняяПоследняя

Информация о теме

Пользователи, просматривающие эту тему

Эту тему просматривают: 1 (пользователей: 0 , гостей: 1)

Похожие темы

  1. [Поиск 1] поиск информации по модулям
    от Daniil Chislov 86 в разделе Поиск
    Ответов: 7
    Последнее: 25.12.2023, 16:54
  2. [Поиск 1] Ремонт блока питания В266
    от crackintosh в разделе Поиск
    Ответов: 19
    Последнее: 07.04.2021, 20:30
  3. [Поиск 3] Восстановление
    от Filin в разделе Поиск
    Ответов: 71
    Последнее: 13.12.2020, 16:23
  4. [Поиск 2] Поиск информации
    от dk_spb в разделе Поиск
    Ответов: 17
    Последнее: 02.10.2017, 09:00
  5. ПК Поиск 11 штук - ремонт
    от Aleksei1983 в разделе Поиск
    Ответов: 4
    Последнее: 05.01.2013, 17:09

Ваши права

  • Вы не можете создавать новые темы
  • Вы не можете отвечать в темах
  • Вы не можете прикреплять вложения
  • Вы не можете редактировать свои сообщения
  •