Друзья! Подскажите пожалуйста, как подключить клон спектрума "Байт" к телевизору через RGB вход! (Я тут всё подробно описываю, т.к. сам нихрена не понимаю в электронике, и не знаю, какие сведения важны, а какие нет, так что не обессудьте...)
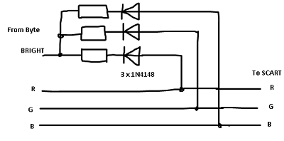
Вот что я делал: нашёл картинку с сигналами разъёма байта (3-B, 6-вых НЧ, 7-I, 1-СИ, 4-G, 2-ОВ, 5-R. Семиштырьковый), и скачал схему SCART-а. По этим схемам спаял провод. 3(B)-7pin, 4(G)-11pin, 5(R)-15pin, 2(OB, земля, как я понял)-14 pin (Data/Clock, общий) и 18(Fast Switch, общий), 1(СИ, наверное, синхронизация, т.к. если не подключать - картинка жутко плывёт и дрожит)-20pin (Video In).
На этом этапе я всё подрубил, и вот что наблюдал: при переключении ТВ в режим AV - появляется хорошая картинка, но только на секунду (в момент нажатия кнопки на пульте). После этого - экран чёрный.
Далее, мне сказали, что надо подать 12В на 8 pin (U перекл. AV-TV), чтобы телек понял, что подаётся RGB сигнал. Пустил провод с блока питания - нифига. Достал схему телека - там 8пин вообще не подключен. Спросил ещё раз, и мне посоветовали подать 3В на 16pin(Fast Switch). Подал 5, т.к. на БП нету 3В, а как сделать из 5-ти -3В я представляю более чем смутно

Впрочем, мне сказали, что можно подать и 5в-ничего не перегорит...)
Снова всё подрубил, в итоге: картинка есть, но странная - экран чёрный, но буквы и куски графики видны, как белый контур справа от символа (сложно описать... как если бы нарисовали "объёмный" шрифт и оставили только белые края...).!