Приветствую!
Направьте меня далее. Как ремонтировать и в каком направлении двигаться.
Есть Zx Spectrum +2a issue3, серый с кассетником.
Для подключения использую кодер RGB - Svideo от NedoPC.
Т.е. подключаю по RGB + синхро.
Сначала я подумал глядя на схему что дело в том что там композитная синхра (которая 0.3 вольта) - поэтому у меня дрыгается, собрал схему на компараторе что бы подтянуть уровень до TTL - да не тут то было.
Это дало минимальный эффект...
Оказывается на синхро выходе спектрума и так есть 3 вольта - намерял вольтметром сегодня. Компараторы зря нагородил. Я так понимаю синхро близко к ттл и для CXA соневской хватит.
(RGB -> Svideo - напрямую от спектрума на кодер NedoPC)
Второй тест я сделал просто подключив к ТВ по модулятору - эффекта ноль, ничего не поймал.
Третий тест - пытался завести по композиту.
Снял изображения для средней ножки TR4 и изображения для 6ой ноги TEA2000
TR4 (Composite)
6ая нога TEA (Composite)
то есть эти плавания и дрыгания есть даж на композите.
Что делать?
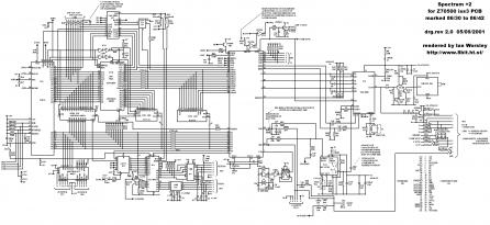
http://img163.imageshack_.us/img163/6312/plus2sch.png






Ответить с цитированием
Размещение рекламы на форуме способствует его дальнейшему развитию 











