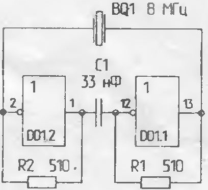
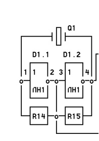
Этот клон мне отдали много лет назад, но руки добрались до него только сейчас. Хочу восстановить, но к сожалению не нашел оригинальной схемы. Похожие есть (сириусы, символы, весты и пр.), но уже столкнулся с разницей в номиналах и отличиях в разводке.
Может кто-то знает что это за клон и поделится схемой ?


Ответить с цитированием
Размещение рекламы на форуме способствует его дальнейшему развитию 

