User Tag List

Страница 4 из 6 ПерваяПервая 123456 ПоследняяПоследняя
Показано с 31 по 40 из 54

Тема: Корвет: Загрузка из внешнего ПЗУ

Комбинированный просмотр

Предыдущее сообщение Предыдущее сообщение   Следующее сообщение Следующее сообщение
  1. #1

    Регистрация
    06.04.2013
    Адрес
    г. Могилев, Беларусь
    Сообщений
    254
    Записей в дневнике
    3
    Спасибо Благодарностей отдано 
    110
    Спасибо Благодарностей получено 
    62
    Поблагодарили
    28 сообщений
    Mentioned
    1 Post(s)
    Tagged
    0 Thread(s)

    По умолчанию

    В любом случае он куда-то пропал. Очень надеюсь, что не из-за политики или здоровья.

  2. #1
    С любовью к вам, Yandex.Direct
    Размещение рекламы на форуме способствует его дальнейшему развитию

  3. #2

    Регистрация
    19.03.2011
    Адрес
    Липецк
    Сообщений
    133
    Спасибо Благодарностей отдано 
    0
    Спасибо Благодарностей получено 
    0
    Поблагодарили
    0 сообщений
    Mentioned
    0 Post(s)
    Tagged
    0 Thread(s)

    По умолчанию

    Напишу здесь, что бы не плодить тем. Кто нибудь из владельцев ЭУ8040 может дать мне размеры платы с посадочными местами под разъемы? Хочу заказать плат под внешнее ПЗУ с возможностью использовать корпус от устройства сопряжения (самого корпуса пока не имею).

  4. #3

    Регистрация
    06.04.2013
    Адрес
    г. Могилев, Беларусь
    Сообщений
    254
    Записей в дневнике
    3
    Спасибо Благодарностей отдано 
    110
    Спасибо Благодарностей получено 
    62
    Поблагодарили
    28 сообщений
    Mentioned
    1 Post(s)
    Tagged
    0 Thread(s)

    По умолчанию

    Честно говоря, не совсем понятно, что вы хотите получить в итоге. Вы хотите собрать оригинальное ПЗУ или Flash-ПЗУ ExtRom от Forth32?

    Если вам нужны размеры оригинального ПЗУ в корпусе ЭУ8040, то не самая лучшая идея его повторять, т.к. плата там разрезана на два куска, да и разводка не очень оптимальная.

    Нажмите на изображение для увеличения. 

Название:	EXTROM.jpg 
Просмотров:	374 
Размер:	72.8 Кб 
ID:	61161

    Если же вы хотите делать Flash-ПЗУ в корпусе ЭУ8040, то тут, понятное дело, придется все переразводить, но на вашем месте я бы лучше засунул всю схему в более компактный корпус (если исхитриться, все Flash-ПЗУ войдет в корпус разъемов DB-50 или DB-37 - какой в вашем Корвете разъем не в курсе).
    Ну и перед заказом плат, я на вашем месте, разжился бы корпусом. Либо тогда предусматривал допуски.

    В ЭУ8040 плата не порезана, померял ее. Штангенциркулем не располагаю, пробовал мерять линейкой, но точность сильно страдала. Потом вспомнил, что не фотографировал, а сканировал ЭУ8040 и его плату, следовательно разрешение файла точно передает габариты, а потому легко и достаточно точно померял сканы линейкой в фотошопе. Допуск по указанным размерам платы и корпуса на фото плюс-минус 2 мм. Диаметр отверстий 3 мм. Расстояния от центра отверстий до края платы - по 5 мм с каждой стороны.

    Нажмите на изображение для увеличения. 

Название:	MULTIPLEKS.jpg 
Просмотров:	398 
Размер:	78.7 Кб 
ID:	61162

    Если нужно померять что-то еще, вот файл в 1200dpi.: https://yadi.sk/i/evILQmTe3JaFTS
    Чтобы в фотошопе линейка показывала в миллиметрах, нажмите Ctrl+R, появятся линейки фотошопа по краям, правый клик по любой и ставите там нужные единицы измерения. Все остальные инструменты будут использовать указанные единицы. Далее берете инструмент линейка и меряете.
    Последний раз редактировалось Serebriakov; 27.05.2017 в 17:37.

  5. #4

    Регистрация
    19.03.2011
    Адрес
    Липецк
    Сообщений
    133
    Спасибо Благодарностей отдано 
    0
    Спасибо Благодарностей получено 
    0
    Поблагодарили
    0 сообщений
    Mentioned
    0 Post(s)
    Tagged
    0 Thread(s)

    По умолчанию

    Цитата Сообщение от Serebriakov Посмотреть сообщение
    Честно говоря, не совсем понятно, что вы хотите получить в итоге. Вы хотите собрать оригинальное ПЗУ или Flash-ПЗУ ExtRom от Forth32?
    "Почти оригинальное ПЗУ" хочу с коллекцией всяких интересностей. Без sd-карт и прочих детей XXI века. Корпус оригинальный если не добуду - распечатаю. За сканы спасибо!

  6. #5

    Регистрация
    06.04.2013
    Адрес
    г. Могилев, Беларусь
    Сообщений
    254
    Записей в дневнике
    3
    Спасибо Благодарностей отдано 
    110
    Спасибо Благодарностей получено 
    62
    Поблагодарили
    28 сообщений
    Mentioned
    1 Post(s)
    Tagged
    0 Thread(s)

    По умолчанию

    Цитата Сообщение от UA3GBV Посмотреть сообщение
    "Почти оригинальное ПЗУ".
    Я сейчас занимаюсь перерисовыванием схемы ПЗУ "с натуры" (особенно интересно потом с книжным вариантом сравнить). Плюс интересно было как разведены разъемы. В перспективе хочу перерисовать и саму плату под ЛУТ (возможно, с некоторыми улучшениями разводки). Единственная дилема, как считать сами ПЗУ-шки не повредив их (если они еще живы, конечно). Выпаивать побаиваюсь, а портить аутентичность соплями на плате не хочу.

    Но на крайняк есть тест от ESL:
    ext-rom-test.zip
    ext-rom-games.zip
    korvet_extrom_scr.zip

    Цитата Сообщение от UA3GBV Посмотреть сообщение
    Корпус оригинальный если не добуду - распечатаю.
    Исходники для печати потом опубликуете?

  7. #6

    Регистрация
    19.03.2011
    Адрес
    Липецк
    Сообщений
    133
    Спасибо Благодарностей отдано 
    0
    Спасибо Благодарностей получено 
    0
    Поблагодарили
    0 сообщений
    Mentioned
    0 Post(s)
    Tagged
    0 Thread(s)

    По умолчанию

    Цитата Сообщение от Serebriakov Посмотреть сообщение
    Единственная дилема, как считать сами ПЗУ-шки не повредив их
    А нельзя взять ответную часть разъема ("папу"), на неё напаять провода и их к программатору подключить? Там же ни какого криминала, вся микросхема в чистом виде на разъем выведена.


    Цитата Сообщение от Serebriakov Посмотреть сообщение
    Но на крайняк есть тест от ESL:
    Его и хочу зашить. Только он большой какой-то, 16 КБ. Надо еще угадать, куда старшие адреса прилепить.


    Цитата Сообщение от Serebriakov Посмотреть сообщение
    Исходники для печати потом опубликуете?
    Да не вопрос. Он же тривиален, как грабли.

  8. #7

    Регистрация
    06.04.2013
    Адрес
    г. Могилев, Беларусь
    Сообщений
    254
    Записей в дневнике
    3
    Спасибо Благодарностей отдано 
    110
    Спасибо Благодарностей получено 
    62
    Поблагодарили
    28 сообщений
    Mentioned
    1 Post(s)
    Tagged
    0 Thread(s)

    По умолчанию

    Цитата Сообщение от UA3GBV Посмотреть сообщение
    А нельзя взять ответную часть разъема ("папу"), на неё напаять провода и их к программатору подключить? Там же ни какого криминала, вся микросхема в чистом виде на разъем выведена.
    По сути, это и есть мой основной план Это одна из причин, почему я тщательно перерисовываю разводку разъемов. Плюс я пока не особо понял нужно ли будет разъединять эти две ПЗУ-шки (резать какие-то дорожки) или можно будет читать их вместе.
    Цитата Сообщение от UA3GBV Посмотреть сообщение
    Только он большой какой-то, 16 КБ. Надо еще угадать, куда старшие адреса прилепить.
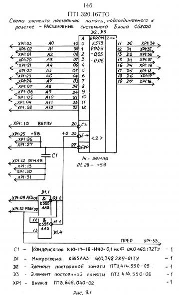
    Вроде все верно, там две К573РФ4А/Б по 8 КБ: 573.rar
    Нажмите на изображение для увеличения. 

Название:	EXTROM_SCH.jpg 
Просмотров:	350 
Размер:	41.0 Кб 
ID:	61168
    Последний раз редактировалось Serebriakov; 27.05.2017 в 19:58.

  9. #8

    Регистрация
    19.03.2011
    Адрес
    Липецк
    Сообщений
    133
    Спасибо Благодарностей отдано 
    0
    Спасибо Благодарностей получено 
    0
    Поблагодарили
    0 сообщений
    Mentioned
    0 Post(s)
    Tagged
    0 Thread(s)

    По умолчанию

    Сделал на макетке внешнее ПЗУ на w27c512. На схеме с первой страницы контакт XP30 подключен к общему проводу. Конкретно на моем компе этот контакт идет на вход контроллера прерываний и схема запустилась только после отключения этого контакта.



    Попробую сегодня несколько РОМов склеить и переключателями выбирать.
    Последний раз редактировалось UA3GBV; 20.06.2017 в 06:39.

  10. #9

    Регистрация
    06.04.2013
    Адрес
    г. Могилев, Беларусь
    Сообщений
    254
    Записей в дневнике
    3
    Спасибо Благодарностей отдано 
    110
    Спасибо Благодарностей получено 
    62
    Поблагодарили
    28 сообщений
    Mentioned
    1 Post(s)
    Tagged
    0 Thread(s)

    По умолчанию

    Залейте, пожалуйста, вашу схему куда-нибудь в более высоком разрешении.
    Цитата Сообщение от UA3GBV Посмотреть сообщение
    На схеме с первой страницы контакт XP30 подключен к общему проводу. Конкретно на моем компе этот контакт идет на вход контроллера прерываний и схема запустилась только после отключения этого контакта.
    Как дойдут руки, погляжу ради интереса как было сделано в заводском ПЗУ.
    Последний раз редактировалось Serebriakov; 20.06.2017 в 04:09.

  11. #10

    Регистрация
    19.03.2011
    Адрес
    Липецк
    Сообщений
    133
    Спасибо Благодарностей отдано 
    0
    Спасибо Благодарностей получено 
    0
    Поблагодарили
    0 сообщений
    Mentioned
    0 Post(s)
    Tagged
    0 Thread(s)

    По умолчанию

    Цитата Сообщение от Serebriakov Посмотреть сообщение
    Залейте, пожалуйста, вашу схему куда-нибудь в более высоком разрешении.
    Как дойдут руки, погляжу ради интереса как было сделано в заводском ПЗУ.
    Обновил.

Страница 4 из 6 ПерваяПервая 123456 ПоследняяПоследняя

Информация о теме

Пользователи, просматривающие эту тему

Эту тему просматривают: 1 (пользователей: 0 , гостей: 1)

Похожие темы

  1. Загрузка УКНЦ
    от костя в разделе ДВК, УКНЦ
    Ответов: 73
    Последнее: 05.03.2011, 12:55
  2. Загрузка на рел Commodore 64
    от Zloy в разделе Commodore 16/64/128
    Ответов: 45
    Последнее: 27.07.2009, 12:59
  3. Загрузка с ленты
    от Addison в разделе Разный софт
    Ответов: 15
    Последнее: 17.06.2008, 01:18
  4. Корвет.
    от Mick в разделе Барахолка (архив)
    Ответов: 8
    Последнее: 19.09.2007, 19:58

Ваши права

  • Вы не можете создавать новые темы
  • Вы не можете отвечать в темах
  • Вы не можете прикреплять вложения
  • Вы не можете редактировать свои сообщения
  •