User Tag List

Страница 3 из 3 ПерваяПервая 123
Показано с 21 по 25 из 25

Тема: CXA1145 против CXA1645

Комбинированный просмотр

Предыдущее сообщение Предыдущее сообщение   Следующее сообщение Следующее сообщение
  1. #1
    Wowik
    Гость

    По умолчанию

    Кварц если быть совсем точным 4.433619Mhz , выходные сигналы с пента не мешало бы проверить, сигналы я у себя подавал через подстроечники.
    7 ногу соньки на землю кинул?
    Последний раз редактировалось Wowik; 17.05.2011 в 13:44.

  2. #1
    С любовью к вам, Yandex.Direct
    Размещение рекламы на форуме способствует его дальнейшему развитию

  3. #2

    Регистрация
    06.11.2005
    Адрес
    Новосибирск
    Сообщений
    53
    Спасибо Благодарностей отдано 
    0
    Спасибо Благодарностей получено 
    1
    Поблагодарили
    1 сообщение
    Mentioned
    0 Post(s)
    Tagged
    0 Thread(s)

    По умолчанию

    Кварц - он самый. 7-я для выбора - на земле. Все правильно. Сверял дважды, сопли, монтаж, схему... Запаиваю подстроечники, надеюсь поможет...

  4. #3

    Регистрация
    06.11.2005
    Адрес
    Новосибирск
    Сообщений
    53
    Спасибо Благодарностей отдано 
    0
    Спасибо Благодарностей получено 
    1
    Поблагодарили
    1 сообщение
    Mentioned
    0 Post(s)
    Tagged
    0 Thread(s)

    По умолчанию

    Спасибо за подсказку...
    Не было зеленого. Перерезал дорожку до резистора, а не после. Восстановил, цвета четкие, микруха KA2198BD. Поставил на входе подстроечники. Именно они и ограничили, скорее всего импульсы. Скорее всего шпарило 5 вольт, а для микрухи это критично. Попробовал цвета в бейсике - все прекрасно. Даже не верится!!!
    Немного волнит на переходах из одного цвета в другой. Но мало заметно.
    Всем спасибо, эксперимент удачный! Так что Самсунг рулит ;-)

    А Сонька показывает пять секунд, три сбоя, снова 5 секунд... Странно, да и ладно.
    Последний раз редактировалось Elya; 17.05.2011 в 18:20.

  5. #4

    Регистрация
    06.11.2005
    Адрес
    Новосибирск
    Сообщений
    53
    Спасибо Благодарностей отдано 
    0
    Спасибо Благодарностей получено 
    1
    Поблагодарили
    1 сообщение
    Mentioned
    0 Post(s)
    Tagged
    0 Thread(s)

    По умолчанию

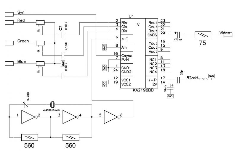
    Попросили выложить схему на KA2198BD, которая работает. Выкладываю, да простит модератор за небольшой оффтопик
    По схеме... Забыл написать на ней, микросхема генератора 555ЛН1, либо можно попробовать другие (у меня стоит 74HC04 в SMD). Конденсатор в генераторе не обязательно подстроечный, можно постоянным заменить, примерно пик на 15, но все же лучше поставить (развести хотя бы). Еще что. У меня как-то без проблем микруха завелась без дросселя и конденсатора в 17-м выводе. Но также - посоветую развести хотя бы их. Дроссель мотал на мелком феррите от китайских блоков питания, (стоят на -5 вольт и на дежурке). Если не ошибаюсь - витков 50 проводом 0,08. Готовый - сложно найти. Надо 82mH. Надеюсь, не нужно обучать, как его мотать и мерять?
    Если аудио-буфер нужен - отключите вывод 8 от GND.
    Вроде бы все.
    Не знаю как у вас, а у меня работает
    Вообще, вся эта схема есть в даташите на KA2198BD. Я лишь добавил подстроечники и генератор. Все остальное - не используется.
    Миниатюры Миниатюры Нажмите на изображение для увеличения. 

Название:	KA2198BD.jpg 
Просмотров:	2196 
Размер:	40.0 Кб 
ID:	27190  
    Последний раз редактировалось Elya; 17.05.2011 в 20:15.

    Этот пользователь поблагодарил Elya за это полезное сообщение:

    unclerus(29.12.2019)

  6. #5

    Регистрация
    03.05.2007
    Адрес
    Череповец,Вологодская обл.
    Сообщений
    714
    Спасибо Благодарностей отдано 
    0
    Спасибо Благодарностей получено 
    0
    Поблагодарили
    0 сообщений
    Mentioned
    0 Post(s)
    Tagged
    0 Thread(s)

    По умолчанию

    Elya, ну что сказать,поздравляю!

    Скрытый текст

    AMIGA 500 +512к memory card with RTC
    Ленинград-1 48к украшает стену в комнате.
    Compact 256 Turbo fdd 3.5' +Turbo ВГ +PAL кодер (NedoPC).
    Profi 3.2 почти воcстал из Ада. Ждет новые платы.
    Dendy Junior (Famicom клон).
    Видеоспорт5 (на К145ИК17) пылится в шкафу
    [свернуть]

Страница 3 из 3 ПерваяПервая 123

Информация о теме

Пользователи, просматривающие эту тему

Эту тему просматривают: 1 (пользователей: 0 , гостей: 1)

Похожие темы

  1. куплю CXA1645/CXA2075
    от sevol в разделе Барахолка (архив)
    Ответов: 4
    Последнее: 04.08.2010, 23:25
  2. PAL coder na CXA1645
    от POIND в разделе Изображение
    Ответов: 37
    Последнее: 01.05.2009, 15:07
  3. Кернальщики против компоновщиков
    от captain cobalt в разделе Программирование
    Ответов: 8
    Последнее: 31.10.2006, 20:11
  4. Ответов: 17
    Последнее: 17.06.2005, 16:49

Ваши права

  • Вы не можете создавать новые темы
  • Вы не можете отвечать в темах
  • Вы не можете прикреплять вложения
  • Вы не можете редактировать свои сообщения
  •