User Tag List

Страница 4 из 10 ПерваяПервая 12345678 ... ПоследняяПоследняя
Показано с 31 по 40 из 97

Тема: Как загрузить в ZX Spectrum 3+ WAV-игру?

Комбинированный просмотр

Предыдущее сообщение Предыдущее сообщение   Следующее сообщение Следующее сообщение
  1. #1

    Регистрация
    11.01.2006
    Адрес
    Брест/Минск
    Сообщений
    8,398
    Записей в дневнике
    4
    Спасибо Благодарностей отдано 
    188
    Спасибо Благодарностей получено 
    122
    Поблагодарили
    60 сообщений
    Mentioned
    7 Post(s)
    Tagged
    0 Thread(s)

    По умолчанию

    Цитата Сообщение от Totem Посмотреть сообщение
    BYTEMAN, и где ее нати?
    У нас продаётся в любом ларьке радиодеталей.
    С уважением, Александр.
    Scorpion ZS-256 Turbo+ GMX-2048
    SID-Blaster/ZX
    Музей ретрокомпьютеров в Минске!
    Здесь ничего нет => http://byteman.by
    И здесь тоже --->>> http://bytespace.by

  2. #1
    С любовью к вам, Yandex.Direct
    Размещение рекламы на форуме способствует его дальнейшему развитию

  3. #2

    Регистрация
    13.12.2007
    Адрес
    Архангельск
    Сообщений
    2,189
    Записей в дневнике
    1
    Спасибо Благодарностей отдано 
    3
    Спасибо Благодарностей получено 
    13
    Поблагодарили
    13 сообщений
    Mentioned
    1 Post(s)
    Tagged
    0 Thread(s)

    По умолчанию

    мда у нас это елитан или екитс ру

    ---------- Post added at 01:51 ---------- Previous post was at 01:48 ----------

    sergey2b, схему в студию
    Ты слыхал как грузится Flyshark ?! нет, совсем не тот, что на дискете...а Flyshark, тот самый блин Flyshark...тот ,что был когда то на кассете...
    zx spectrum 48 issuse 6a, Ленинград-1, zx spectum 128 +2 grey,Пентагон-128, ZXM-Phoenix 5.02 ( assembly)

  4. #3

    Регистрация
    13.12.2007
    Адрес
    Архангельск
    Сообщений
    2,189
    Записей в дневнике
    1
    Спасибо Благодарностей отдано 
    3
    Спасибо Благодарностей получено 
    13
    Поблагодарили
    13 сообщений
    Mentioned
    1 Post(s)
    Tagged
    0 Thread(s)

    По умолчанию

    BYTEMAN, микруху достал бум пробывать.
    Ты слыхал как грузится Flyshark ?! нет, совсем не тот, что на дискете...а Flyshark, тот самый блин Flyshark...тот ,что был когда то на кассете...
    zx spectrum 48 issuse 6a, Ленинград-1, zx spectum 128 +2 grey,Пентагон-128, ZXM-Phoenix 5.02 ( assembly)

  5. #4

    Регистрация
    11.01.2006
    Адрес
    Брест/Минск
    Сообщений
    8,398
    Записей в дневнике
    4
    Спасибо Благодарностей отдано 
    188
    Спасибо Благодарностей получено 
    122
    Поблагодарили
    60 сообщений
    Mentioned
    7 Post(s)
    Tagged
    0 Thread(s)

    По умолчанию

    Totem, у меня эта схема на Скорпе зелёном заместо родной 561ЛН* (что там стоит не помню) всё работает просто ИДЕАЛЬНО.
    С уважением, Александр.
    Scorpion ZS-256 Turbo+ GMX-2048
    SID-Blaster/ZX
    Музей ретрокомпьютеров в Минске!
    Здесь ничего нет => http://byteman.by
    И здесь тоже --->>> http://bytespace.by

  6. #5

    Регистрация
    13.12.2007
    Адрес
    Архангельск
    Сообщений
    2,189
    Записей в дневнике
    1
    Спасибо Благодарностей отдано 
    3
    Спасибо Благодарностей получено 
    13
    Поблагодарили
    13 сообщений
    Mentioned
    1 Post(s)
    Tagged
    0 Thread(s)

    По умолчанию

    вчера успешно подключился по скарту
    теперь будем решать по загрузке .
    http://ci5.speccy.cz/files/plus2sch.png
    схема несколько упрошенная
    в упор не вижу входа с гнезда.
    комп дома физически глянуть не могу на платку
    есть владельцы +2 grey успешно грузившиеся через штатный разьем?
    Или подпаиваться к мафону?
    монтажка +2 iss3 вообще существует?
    Ты слыхал как грузится Flyshark ?! нет, совсем не тот, что на дискете...а Flyshark, тот самый блин Flyshark...тот ,что был когда то на кассете...
    zx spectrum 48 issuse 6a, Ленинград-1, zx spectum 128 +2 grey,Пентагон-128, ZXM-Phoenix 5.02 ( assembly)

  7. #6

    Регистрация
    18.04.2009
    Адрес
    Москва
    Сообщений
    1,656
    Спасибо Благодарностей отдано 
    208
    Спасибо Благодарностей получено 
    17
    Поблагодарили
    16 сообщений
    Mentioned
    1 Post(s)
    Tagged
    0 Thread(s)

    По умолчанию

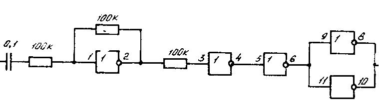
    схема вот такая стоит 561ЛН1
    Миниатюры Миниатюры Нажмите на изображение для увеличения. 

Название:	LN1.JPG 
Просмотров:	288 
Размер:	16.7 Кб 
ID:	26951  

  8. #7

    Регистрация
    13.12.2007
    Адрес
    Архангельск
    Сообщений
    2,189
    Записей в дневнике
    1
    Спасибо Благодарностей отдано 
    3
    Спасибо Благодарностей получено 
    13
    Поблагодарили
    13 сообщений
    Mentioned
    1 Post(s)
    Tagged
    0 Thread(s)

    По умолчанию

    LM311 это аналог к544са3 ?
    Ноги совпадают у них?
    Ты слыхал как грузится Flyshark ?! нет, совсем не тот, что на дискете...а Flyshark, тот самый блин Flyshark...тот ,что был когда то на кассете...
    zx spectrum 48 issuse 6a, Ленинград-1, zx spectum 128 +2 grey,Пентагон-128, ZXM-Phoenix 5.02 ( assembly)

  9. #8

    Регистрация
    13.12.2007
    Адрес
    Архангельск
    Сообщений
    2,189
    Записей в дневнике
    1
    Спасибо Благодарностей отдано 
    3
    Спасибо Благодарностей получено 
    13
    Поблагодарили
    13 сообщений
    Mentioned
    1 Post(s)
    Tagged
    0 Thread(s)

    По умолчанию

    гы на +2 ноги с аудио разьема спаяны вместе
    входа там нет
    Ты слыхал как грузится Flyshark ?! нет, совсем не тот, что на дискете...а Flyshark, тот самый блин Flyshark...тот ,что был когда то на кассете...
    zx spectrum 48 issuse 6a, Ленинград-1, zx spectum 128 +2 grey,Пентагон-128, ZXM-Phoenix 5.02 ( assembly)

  10. #9

    Регистрация
    04.05.2011
    Адрес
    Любэк, Германия
    Сообщений
    26
    Спасибо Благодарностей отдано 
    2
    Спасибо Благодарностей получено 
    0
    Поблагодарили
    0 сообщений
    Mentioned
    0 Post(s)
    Tagged
    0 Thread(s)

    По умолчанию

    на спектруме +2 (Серый) без проблемм грузятся игры через этот адаптер

    и iPod, на который закинул WAV файлы.

    На спектруме 48к (с резиновыми кнопкам) сначала не грузились, тоже мигал экран только тогда, когда вынимал кабель. Потом дошло что там штекер не тот, перепаял два провода и всё стало работать. Там моно вход, а если вставить стерео штекер, то у него нет контакта с массой.

    А на Spectrum+ у меня была другая проблемма, там пришлось поменять конденсатор C32 и всё заработало!

    Кстати у меня игры грузятся идеально только при выключеном эквалайзере.

    ---------- Post added at 22:43 ---------- Previous post was at 22:26 ----------

    на +2 и +3 нет аудио входа, там только выход.
    48k issue 3, +48k issue 6a, +2, +2A, ZX UNO, Superfo Harlequin 128, Ленинград

  11. #10

    Регистрация
    13.12.2007
    Адрес
    Архангельск
    Сообщений
    2,189
    Записей в дневнике
    1
    Спасибо Благодарностей отдано 
    3
    Спасибо Благодарностей получено 
    13
    Поблагодарили
    13 сообщений
    Mentioned
    1 Post(s)
    Tagged
    0 Thread(s)

    По умолчанию

    dejan84, угу в курсе уже
    Ты слыхал как грузится Flyshark ?! нет, совсем не тот, что на дискете...а Flyshark, тот самый блин Flyshark...тот ,что был когда то на кассете...
    zx spectrum 48 issuse 6a, Ленинград-1, zx spectum 128 +2 grey,Пентагон-128, ZXM-Phoenix 5.02 ( assembly)

Страница 4 из 10 ПерваяПервая 12345678 ... ПоследняяПоследняя

Информация о теме

Пользователи, просматривающие эту тему

Эту тему просматривают: 1 (пользователей: 0 , гостей: 1)

Похожие темы

  1. Ответов: 32
    Последнее: 10.09.2024, 06:21
  2. БЕЙСИК: можно ли загрузить большой файл частями?
    от IanPo в разделе Программирование
    Ответов: 3
    Последнее: 28.11.2010, 12:47
  3. как загрузить tap на реал
    от sergey2b в разделе Разный софт
    Ответов: 7
    Последнее: 15.02.2010, 23:41
  4. Ответов: 3
    Последнее: 06.09.2005, 14:08

Ваши права

  • Вы не можете создавать новые темы
  • Вы не можете отвечать в темах
  • Вы не можете прикреплять вложения
  • Вы не можете редактировать свои сообщения
  •