не помню было в теме или нет ,но спрошу тут так как затронут СА УКНЦ.
Есть плата ДВК электроника мс 1201.02 и нет шнуров и корзин.Но дело не в этом.
Возможно использовать для проверки УКНЦ как терминал для мс 1201.02?
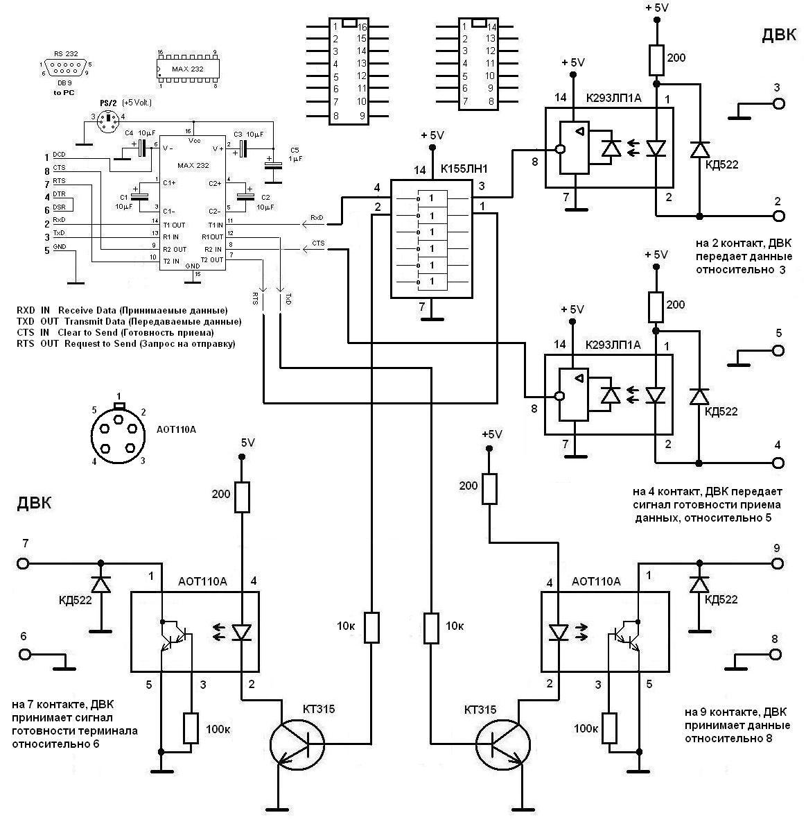
В плате двк 1201.02 есть выход терминала с токовой петлей.На самой плате блока перемычек нет -впаяны несколько намертво.Могу запаять родные перемычки и выставить необходимый адрес .Так же не проблема спаять хвост между ДВК и УКНЦ.
Если ли хоть примитивный софт работающий на УКНЦ с СА в качестве терминала ?
Идея такая - загрузить УКНЦ через С2 с писюка и на самой УКНЦ запустить гипертерминал на СА.
Безумная идея и садиться паять преобразователь токовая петля на КОМ порт на MAX232?
ps:Создам наверное отдельную темку по запуску 1201.02![]()


Радио-Губитель
Канал на
Ответить с цитированием
Размещение рекламы на форуме способствует его дальнейшему развитию 



