Здрасьте!
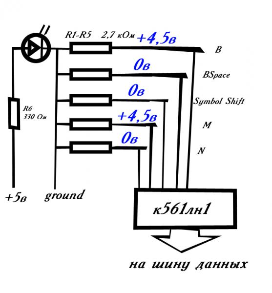
Приобретенный Урал оказался в более запущенном состоянии, чем ожидалось. После замены ОЗУ добился надписи на экране, но выявился целый ряд других поломок. В данный момент интересует клавиатура. Она никак не реагирует на нажатия. Набросал типа схемки (на рисунке). При замере на двух горизонтальных рядах матрицы присутствует напряжение 4,5 вольт. На трех остальных 0 в. Объясните, пожалуйста, напряжение должно присутствовать на всех рядах или наоборот не должно? Все резисторы целые. Сопротивление между питанием ЛН1 и входами, на которые идут горизонтальные ряды клавы, разное. Однозначно менять к561лн1 или куда-то еще можно посмотреть? Спасибо!
![]()




Ответить с цитированием
Размещение рекламы на форуме способствует его дальнейшему развитию 
