User Tag List

Результаты опроса: Каким цветом будем заказывать печатные платы Scorpion ZS256 Turbo+

Голосовавшие
25. Вы ещё не участвовали в этом опросе
  • я за красный

    8 32.00%
  • я за зеленый

    12 48.00%
  • я за синий

    7 28.00%
  • я за покрытие иммерсионным золотом

    8 32.00%
  • лучше без покрытия иммерсионным золотом

    6 24.00%
  • Любой цвет

    2 8.00%
Опрос с выбором нескольких вариантов ответа.
Страница 30 из 110 ПерваяПервая ... 262728293031323334 ... ПоследняяПоследняя
Показано с 291 по 300 из 1097

Тема: Тех. раздел "Scorpion ZS 1024 Turbo+" (savelij)

  1. #291

    Регистрация
    02.02.2009
    Адрес
    Хабаровск
    Сообщений
    665
    Спасибо Благодарностей отдано 
    0
    Спасибо Благодарностей получено 
    0
    Поблагодарили
    0 сообщений
    Mentioned
    0 Post(s)
    Tagged
    0 Thread(s)

    По умолчанию

    сорри за оффтоп,как называется симм 30 разъём и где его можно купить?
    Возьми БК за Рога

  2. #292

    Регистрация
    17.02.2006
    Адрес
    Светлогорск на Березине
    Сообщений
    1,093
    Спасибо Благодарностей отдано 
    0
    Спасибо Благодарностей получено 
    2
    Поблагодарили
    2 сообщений
    Mentioned
    0 Post(s)
    Tagged
    0 Thread(s)

    По умолчанию

    Цитата Сообщение от axel_sunrise Посмотреть сообщение
    сорри за оффтоп,как называется симм 30 разъём и где его можно купить?
    Socket simm 30 pin

    ChipManyak, этими сокетками чистые платы Пентагонов 1024 комплектовал, у него мона спросить где он их доставал.
    Последний раз редактировалось AlexFantasy; 02.04.2012 в 07:52.

  3. #293

    Регистрация
    06.04.2010
    Адрес
    Новосибирск
    Сообщений
    1,304
    Спасибо Благодарностей отдано 
    0
    Спасибо Благодарностей получено 
    2
    Поблагодарили
    2 сообщений
    Mentioned
    4 Post(s)
    Tagged
    0 Thread(s)

    По умолчанию

    Цитата Сообщение от fifan Посмотреть сообщение
    Интересный аналог, которого в даташитах нет. Может не так написан?
    Есть такой, работает нормально, нужно только 5V.

  4. #294

    Регистрация
    23.03.2007
    Адрес
    г. Сухиничи, Калужская обл.
    Сообщений
    1,793
    Спасибо Благодарностей отдано 
    0
    Спасибо Благодарностей получено 
    0
    Поблагодарили
    0 сообщений
    Mentioned
    2 Post(s)
    Tagged
    0 Thread(s)

    По умолчанию

    Цитата Сообщение от Keeper Посмотреть сообщение
    Вроде не получается...
    Значит не судьба.

    Спрошу уж здесь чтобы по разным темам не метаться. IORQGE с ЛЛ1 сначала на фпга пускать, а потом уже в схему? Вроде правильно понимаю?

    Скрытый текст

    Profi 4.02 512k
    Profi 5.04 1024k нижняя плата здесь
    Scorpion 256k+ProfROM+SMUC 1.3+SMUC 2.0+ZXMC2
    Pentagon v2.2+Z-controller+ZXMC2+NeoGS
    АТМ 7.10 1024k
    Pentagon 2.666LE
    ZX Evolution 4Mb rev B
    [свернуть]


    Извещение лички отключено, захожу редко.

  5. #295

    Регистрация
    15.11.2007
    Адрес
    Харьков
    Сообщений
    873
    Спасибо Благодарностей отдано 
    0
    Спасибо Благодарностей получено 
    1
    Поблагодарили
    1 сообщение
    Mentioned
    0 Post(s)
    Tagged
    0 Thread(s)

    По умолчанию

    Цитата Сообщение от savelij Посмотреть сообщение
    IORQGE с ЛЛ1 сначала на фпга пускать, а потом уже в схему? Вроде правильно понимаю?
    Имеет смысл написать ZEKу в личку, обсуждение проблем с приоритетами размазано по куче тем...

    На мой взгляд все равно где в цепочке IORQGE размещать CPLD, главное чтобы родные порты скорпиона (с неполной дешифрацией) блокировались по IORQGE

  6. #296

    Регистрация
    15.06.2006
    Адрес
    S.Pb
    Сообщений
    5,791
    Спасибо Благодарностей отдано 
    0
    Спасибо Благодарностей получено 
    7
    Поблагодарили
    6 сообщений
    Mentioned
    0 Post(s)
    Tagged
    0 Thread(s)

    По умолчанию

    Цитата Сообщение от savelij Посмотреть сообщение
    IORQGE с ЛЛ1 сначала на фпга пускать, а потом уже в схему?
    нет, самый оптимальный вариант включить ZSD после первого слота, так, чтоб после ZSD шли остальные слоты. Такая конфигурация позволит в будущем ставить в первый слот контроллеры захватывающие шину, а в слоты после ZSD ставить контроллеры с неполной дешифрацией, которые будучи поставлены перед ZSD могут её блокировать , или же, как SounDrive будут откликаться на порты ZSD. Вобщем такая конфигурация на сегодня самая безконфликтная при размещении ZSD на мамке.

    P.S. Но ты, конечно, можешь сделать назло всем по другому

  7. #297

    Регистрация
    23.03.2007
    Адрес
    г. Сухиничи, Калужская обл.
    Сообщений
    1,793
    Спасибо Благодарностей отдано 
    0
    Спасибо Благодарностей получено 
    0
    Поблагодарили
    0 сообщений
    Mentioned
    2 Post(s)
    Tagged
    0 Thread(s)

    По умолчанию

    Цитата Сообщение от Black_Cat Посмотреть сообщение
    нет, самый оптимальный вариант включить ZSD после первого слота, так, чтоб после ZSD шли остальные слоты. Такая конфигурация позволит в будущем ставить в первый слот контроллеры захватывающие шину, а в слоты после ZSD ставить контроллеры с неполной дешифрацией, которые будучи поставлены перед ZSD могут её блокировать , или же, как SounDrive будут откликаться на порты ZSD. Вобщем такая конфигурация на сегодня самая безконфликтная при размещении ZSD на мамке.

    P.S. Но ты, конечно, можешь сделать назло всем по другому
    Я пожалуй поведусь. Вон схема ткни пальцем куда и как И я подумаю.

    Скрытый текст

    Profi 4.02 512k
    Profi 5.04 1024k нижняя плата здесь
    Scorpion 256k+ProfROM+SMUC 1.3+SMUC 2.0+ZXMC2
    Pentagon v2.2+Z-controller+ZXMC2+NeoGS
    АТМ 7.10 1024k
    Pentagon 2.666LE
    ZX Evolution 4Mb rev B
    [свернуть]


    Извещение лички отключено, захожу редко.

  8. #298

    Регистрация
    27.03.2005
    Адрес
    CПб
    Сообщений
    711
    Спасибо Благодарностей отдано 
    0
    Спасибо Благодарностей получено 
    3
    Поблагодарили
    3 сообщений
    Mentioned
    0 Post(s)
    Tagged
    0 Thread(s)

    По умолчанию

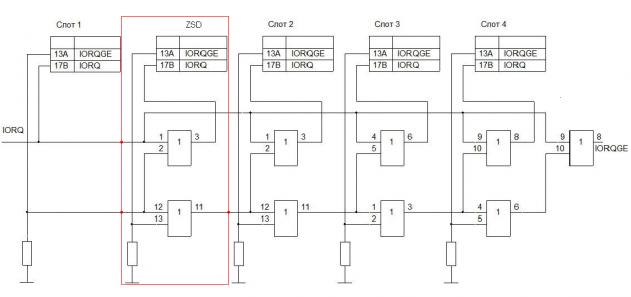
    savelij, вот схема. Если надо ставить SD после первого слота, то надо на картинке поменять SD и первый слот местами. Микросхемы надо ставить 74AHCT32, и с 4 слотами и SD контроллером 3 корпуса получается.

    На этой схеме SD контроллера не хватает сигнала M1.
    Последний раз редактировалось Blade; 02.04.2012 в 22:21.

  9. #299

    Регистрация
    15.06.2006
    Адрес
    S.Pb
    Сообщений
    5,791
    Спасибо Благодарностей отдано 
    0
    Спасибо Благодарностей получено 
    7
    Поблагодарили
    6 сообщений
    Mentioned
    0 Post(s)
    Tagged
    0 Thread(s)

    По умолчанию

    Цитата Сообщение от savelij Посмотреть сообщение
    Вон схема
    Боюсь, для этой схемы придётся либо добавлять на мамку ещё одну секцию блокировки под виртуальный слот ZSD, либо заводить в ПЛИС ZSD доп сигнал, а саму секцию размещать в ПЛИС, ессно, при этом надо коррекировать прошивку.
    При классической схеме блокировки всё проще.
    Миниатюры Миниатюры Нажмите на изображение для увеличения. 

Название:	ZSD IORQGE.jpg 
Просмотров:	230 
Размер:	21.7 Кб 
ID:	34486  
    Последний раз редактировалось Black_Cat; 02.04.2012 в 22:24.

  10. #300

    Регистрация
    20.03.2007
    Адрес
    Санкт-Петербург
    Сообщений
    3,002
    Спасибо Благодарностей отдано 
    205
    Спасибо Благодарностей получено 
    113
    Поблагодарили
    97 сообщений
    Mentioned
    0 Post(s)
    Tagged
    0 Thread(s)

    По умолчанию

    Цитата Сообщение от Blade Посмотреть сообщение
    Микросхемы надо ставить 74AHCT32
    Жалею, что в КАЙ-1024_SL4_2010 в такой же узел поставил КР1533ЛЛ1, а не что-нить более быстрое.
    МГТФ - любимый провод!
    KAY-1024(4096)/SL-4/TURBO v2010 + Nemo-FDC + Nemo-IDE (CF 4GB) + SMUC2 Rev.B RTC (HDD 1.6GB + DVD-ROM) + PROF-ROM + ZXMC2 + GENERAL SOUND 2MB + ZX-BUS_TEE + FDD 3.5' + FDD 5.25' + VGA&PAL

Страница 30 из 110 ПерваяПервая ... 262728293031323334 ... ПоследняяПоследняя

Информация о теме

Пользователи, просматривающие эту тему

Эту тему просматривают: 1 (пользователей: 0 , гостей: 1)

Похожие темы

  1. Релиз платы "Scorpion ZS 256 turbo+"
    от ZXFanat в разделе Scorpion
    Ответов: 34
    Последнее: 22.06.2011, 13:02
  2. Продается ПРОФИ 5.03 - с доработками типа "SCORPION MAGIC".
    от Alex2 в разделе Барахолка (архив)
    Ответов: 28
    Последнее: 14.02.2011, 10:54
  3. Ответов: 0
    Последнее: 15.08.2010, 14:38
  4. Раздел "Другие компьютеры"
    от CityAceE в разделе Форум
    Ответов: 29
    Последнее: 19.03.2008, 20:28
  5. Ответов: 8
    Последнее: 26.12.2007, 12:22

Ваши права

  • Вы не можете создавать новые темы
  • Вы не можете отвечать в темах
  • Вы не можете прикреплять вложения
  • Вы не можете редактировать свои сообщения
  •