User Tag List

Страница 1 из 4 1234 ПоследняяПоследняя
Показано с 1 по 10 из 31

Тема: Блок питания ищу схему.

Комбинированный просмотр

Предыдущее сообщение Предыдущее сообщение   Следующее сообщение Следующее сообщение
  1. #1

    Регистрация
    11.04.2011
    Адрес
    Москва
    Сообщений
    80
    Спасибо Благодарностей отдано 
    0
    Спасибо Благодарностей получено 
    0
    Поблагодарили
    0 сообщений
    Mentioned
    0 Post(s)
    Tagged
    0 Thread(s)

    По умолчанию Блок питания ищу схему.

    Ищу схему на блок питания. Сей девайс от Ленинграда-1. Выдрали транзистор немогу опредилить какой? Стабилизатор на кр 142ен1Б Прилогаю фото.

  2. #1
    С любовью к вам, Yandex.Direct
    Размещение рекламы на форуме способствует его дальнейшему развитию

  3. #2

    Регистрация
    30.07.2006
    Адрес
    Рязань
    Сообщений
    636
    Спасибо Благодарностей отдано 
    4
    Спасибо Благодарностей получено 
    1
    Поблагодарили
    1 сообщение
    Mentioned
    0 Post(s)
    Tagged
    0 Thread(s)

    По умолчанию

    КТ какой-то там мощный. На схем нет смотри. Это подстраиваемый блок, схема родилась задолго до Ленинграда...
    ПЕЙТЕ ДЕТИ МОЛОКО
    МУХА ТОЖЕ ВЕРТОЛЁТ

    http://professor61.narod2.ru/
    http://cruzworlds.ru/fans/

  4. #3

    Регистрация
    30.05.2007
    Адрес
    г. Лянтор, Сургутского р-на, ХМАО
    Сообщений
    4,436
    Спасибо Благодарностей отдано 
    163
    Спасибо Благодарностей получено 
    190
    Поблагодарили
    121 сообщений
    Mentioned
    5 Post(s)
    Tagged
    0 Thread(s)

    По умолчанию

    Лучше не использовать данный девайс, а взять детали от него. БП делается из трансформатора, четырёх диодов КД213 (вроде такие на фото), два электролита и КР142ЕН5А. И радиатор пригодится для кренки. У меня такой БП тянул Ленинград-1.

  5. #4

    Регистрация
    11.04.2011
    Адрес
    Москва
    Сообщений
    80
    Спасибо Благодарностей отдано 
    0
    Спасибо Благодарностей получено 
    0
    Поблагодарили
    0 сообщений
    Mentioned
    0 Post(s)
    Tagged
    0 Thread(s)

    По умолчанию

    Спасибо за совет. Попробую собрать на кр 142ен5а только какой наминал электролитов поставить?

  6. #5

    Регистрация
    30.07.2006
    Адрес
    Рязань
    Сообщений
    636
    Спасибо Благодарностей отдано 
    4
    Спасибо Благодарностей получено 
    1
    Поблагодарили
    1 сообщение
    Mentioned
    0 Post(s)
    Tagged
    0 Thread(s)

    По умолчанию

    drennoff, Не ниже 2200 мкф. Лучше выше 10000 мкф.
    ПЕЙТЕ ДЕТИ МОЛОКО
    МУХА ТОЖЕ ВЕРТОЛЁТ

    http://professor61.narod2.ru/
    http://cruzworlds.ru/fans/

  7. #6

    Регистрация
    11.04.2011
    Адрес
    Москва
    Сообщений
    80
    Спасибо Благодарностей отдано 
    0
    Спасибо Благодарностей получено 
    0
    Поблагодарили
    0 сообщений
    Mentioned
    0 Post(s)
    Tagged
    0 Thread(s)

    По умолчанию

    Все понял. Спасибо.

  8. #7

    Регистрация
    03.05.2007
    Адрес
    Череповец,Вологодская обл.
    Сообщений
    714
    Спасибо Благодарностей отдано 
    0
    Спасибо Благодарностей получено 
    0
    Поблагодарили
    0 сообщений
    Mentioned
    0 Post(s)
    Tagged
    0 Thread(s)

    По умолчанию

    Цитата Сообщение от проф Посмотреть сообщение
    Лучше выше 10000 мкф.
    Ну вы и маньяки,ИМХО.

    Скрытый текст

    AMIGA 500 +512к memory card with RTC
    Ленинград-1 48к украшает стену в комнате.
    Compact 256 Turbo fdd 3.5' +Turbo ВГ +PAL кодер (NedoPC).
    Profi 3.2 почти воcстал из Ада. Ждет новые платы.
    Dendy Junior (Famicom клон).
    Видеоспорт5 (на К145ИК17) пылится в шкафу
    [свернуть]

  9. #8

    Регистрация
    20.04.2011
    Адрес
    г. Челябинск
    Сообщений
    602
    Спасибо Благодарностей отдано 
    3
    Спасибо Благодарностей получено 
    0
    Поблагодарили
    0 сообщений
    Mentioned
    0 Post(s)
    Tagged
    0 Thread(s)

    По умолчанию

    на входе кренки 2200 мкф на выходе 220 мкф, этого хватает пульсации гасить

  10. #9

    Регистрация
    03.05.2007
    Адрес
    Череповец,Вологодская обл.
    Сообщений
    714
    Спасибо Благодарностей отдано 
    0
    Спасибо Благодарностей получено 
    0
    Поблагодарили
    0 сообщений
    Mentioned
    0 Post(s)
    Tagged
    0 Thread(s)

    По умолчанию

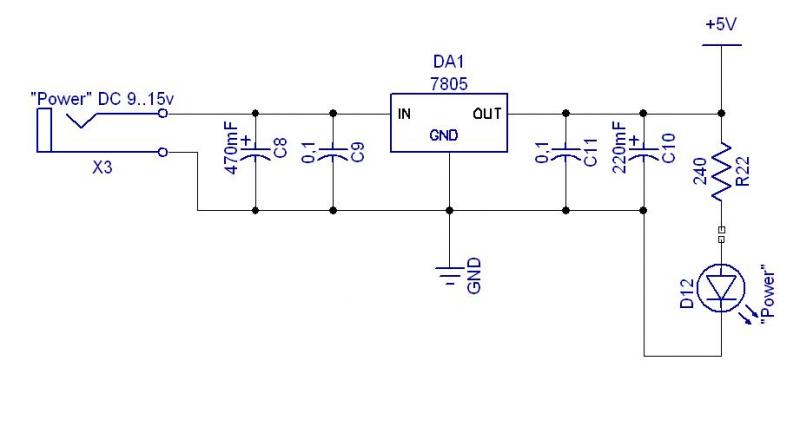
    Вот классическая схема,разве что C8 и С10 нужно увеличить до 4700мкФ и 2200мкФ. Вообще еще можно добавить дроссель.Ну это для маньяков.
    Миниатюры Миниатюры Нажмите на изображение для увеличения. 

Название:	Точечный рисунок.jpg 
Просмотров:	416 
Размер:	24.0 Кб 
ID:	28461  
    Последний раз редактировалось RST 0; 31.07.2011 в 15:38.

    Скрытый текст

    AMIGA 500 +512к memory card with RTC
    Ленинград-1 48к украшает стену в комнате.
    Compact 256 Turbo fdd 3.5' +Turbo ВГ +PAL кодер (NedoPC).
    Profi 3.2 почти воcстал из Ада. Ждет новые платы.
    Dendy Junior (Famicom клон).
    Видеоспорт5 (на К145ИК17) пылится в шкафу
    [свернуть]

  11. #10

    Регистрация
    20.04.2011
    Адрес
    г. Челябинск
    Сообщений
    602
    Спасибо Благодарностей отдано 
    3
    Спасибо Благодарностей получено 
    0
    Поблагодарили
    0 сообщений
    Mentioned
    0 Post(s)
    Tagged
    0 Thread(s)

    По умолчанию

    а вообще можно в 2 раза меньше ставить

    ---------- Post added at 17:37 ---------- Previous post was at 17:34 ----------

    пикушки можно не ставить, и дроссель если нагрузка меньше 0.7 А не нужен

Страница 1 из 4 1234 ПоследняяПоследняя

Информация о теме

Пользователи, просматривающие эту тему

Эту тему просматривают: 1 (пользователей: 0 , гостей: 1)

Похожие темы

  1. Вектор-06ц.Блок питания
    от JeRrS в разделе Вектор
    Ответов: 6
    Последнее: 08.11.2022, 05:53
  2. Веста ик зо блок питания
    от radiovoljt в разделе Ленинград
    Ответов: 3
    Последнее: 05.03.2011, 09:48
  3. Блок питания
    от sevol в разделе Источники питания
    Ответов: 18
    Последнее: 03.06.2010, 18:41
  4. ATX блок питания не заводится
    от Retrograd в разделе Источники питания
    Ответов: 9
    Последнее: 14.07.2007, 19:13
  5. Блок питания 5 вольт
    от ed4mk в разделе Барахолка (архив)
    Ответов: 3
    Последнее: 23.01.2007, 11:49

Ваши права

  • Вы не можете создавать новые темы
  • Вы не можете отвечать в темах
  • Вы не можете прикреплять вложения
  • Вы не можете редактировать свои сообщения
  •